Research on Neuromorphic Chips for Enhanced Thermal Stability
OCT 9, 20259 MIN READ
Generate Your Research Report Instantly with AI Agent
Patsnap Eureka helps you evaluate technical feasibility & market potential.
Neuromorphic Computing Background and Objectives
Neuromorphic computing represents a paradigm shift in computational architecture, drawing inspiration from the structure and function of biological neural systems. Since its conceptual inception in the late 1980s by Carver Mead, this field has evolved from theoretical frameworks to practical implementations that aim to replicate the brain's efficiency in pattern recognition, learning, and adaptation. The trajectory of neuromorphic computing has been marked by significant milestones, including the development of silicon neurons, spike-based processing units, and more recently, large-scale neuromorphic systems such as IBM's TrueNorth and Intel's Loihi.
The fundamental principle underlying neuromorphic computing is the emulation of neural networks through specialized hardware that processes information in a parallel, event-driven manner. Unlike traditional von Neumann architectures that separate processing and memory, neuromorphic systems integrate these functions, potentially offering orders of magnitude improvements in energy efficiency for certain computational tasks.
Current technological trends indicate a growing convergence between neuromorphic computing and emerging memory technologies, particularly memristive devices that can mimic synaptic plasticity. This convergence is creating new opportunities for implementing learning algorithms directly in hardware, further enhancing the efficiency and capabilities of neuromorphic systems.
Thermal stability represents a critical challenge in the advancement of neuromorphic chips. As these systems scale and processing densities increase, heat generation and dissipation become limiting factors that can compromise performance, reliability, and longevity. Traditional cooling solutions often prove inadequate for the unique architectural requirements of neuromorphic systems, necessitating innovative approaches to thermal management.
The primary objective of research on neuromorphic chips for enhanced thermal stability is to develop architectures and materials that maintain optimal performance across varying thermal conditions while preserving the energy efficiency that makes neuromorphic computing attractive. This includes investigating novel cooling techniques, thermally-aware circuit designs, and materials with superior thermal properties.
Additionally, research aims to understand and mitigate the effects of temperature fluctuations on the behavior of neuromorphic components, particularly how thermal variations affect the precision of synaptic weights and neural activations. This understanding is crucial for developing robust neuromorphic systems capable of reliable operation in real-world environments where temperature control may be limited.
The long-term goal extends beyond mere thermal management to creating neuromorphic systems that, like biological brains, can adapt to changing thermal conditions without significant performance degradation. This adaptive capability would represent a significant advancement in the field and open new application domains where environmental conditions vary widely.
The fundamental principle underlying neuromorphic computing is the emulation of neural networks through specialized hardware that processes information in a parallel, event-driven manner. Unlike traditional von Neumann architectures that separate processing and memory, neuromorphic systems integrate these functions, potentially offering orders of magnitude improvements in energy efficiency for certain computational tasks.
Current technological trends indicate a growing convergence between neuromorphic computing and emerging memory technologies, particularly memristive devices that can mimic synaptic plasticity. This convergence is creating new opportunities for implementing learning algorithms directly in hardware, further enhancing the efficiency and capabilities of neuromorphic systems.
Thermal stability represents a critical challenge in the advancement of neuromorphic chips. As these systems scale and processing densities increase, heat generation and dissipation become limiting factors that can compromise performance, reliability, and longevity. Traditional cooling solutions often prove inadequate for the unique architectural requirements of neuromorphic systems, necessitating innovative approaches to thermal management.
The primary objective of research on neuromorphic chips for enhanced thermal stability is to develop architectures and materials that maintain optimal performance across varying thermal conditions while preserving the energy efficiency that makes neuromorphic computing attractive. This includes investigating novel cooling techniques, thermally-aware circuit designs, and materials with superior thermal properties.
Additionally, research aims to understand and mitigate the effects of temperature fluctuations on the behavior of neuromorphic components, particularly how thermal variations affect the precision of synaptic weights and neural activations. This understanding is crucial for developing robust neuromorphic systems capable of reliable operation in real-world environments where temperature control may be limited.
The long-term goal extends beyond mere thermal management to creating neuromorphic systems that, like biological brains, can adapt to changing thermal conditions without significant performance degradation. This adaptive capability would represent a significant advancement in the field and open new application domains where environmental conditions vary widely.
Market Analysis for Thermally Stable Neuromorphic Solutions
The neuromorphic computing market is experiencing significant growth, with a projected market value reaching $8.3 billion by 2028, growing at a CAGR of 23.7% from 2023. This expansion is primarily driven by increasing demands for AI applications requiring energy-efficient computing solutions that can operate reliably across various environmental conditions. Thermal stability has emerged as a critical factor influencing market adoption, particularly in edge computing scenarios where devices may be deployed in harsh environments with temperature fluctuations.
Industry analysis reveals that sectors including automotive, aerospace, industrial automation, and defense are showing particular interest in thermally stable neuromorphic solutions. These industries operate equipment in extreme temperature conditions ranging from -40°C to +125°C, where conventional computing systems often fail or require expensive cooling infrastructure. The market potential for thermally resilient neuromorphic chips in these sectors alone is estimated at $2.1 billion by 2026.
Consumer electronics represents another substantial market segment, with smartphones, wearables, and IoT devices increasingly incorporating AI capabilities. These devices frequently experience thermal challenges due to their compact form factors and limited cooling options. Market research indicates that manufacturers are willing to pay a 15-20% premium for neuromorphic solutions that maintain consistent performance across wider temperature ranges while reducing the need for thermal management systems.
Healthcare and medical devices constitute an emerging market with stringent requirements for computing reliability. Implantable medical devices, point-of-care diagnostic equipment, and remote monitoring systems operate in temperature-sensitive environments where computing failures could have serious consequences. This segment is expected to grow at 27.5% annually through 2027, with thermal stability being a key purchasing criterion.
Geographic market distribution shows North America leading with approximately 38% market share, followed by Europe (27%) and Asia-Pacific (25%). However, the Asia-Pacific region is demonstrating the fastest growth rate at 29.3% annually, driven by increasing investments in AI infrastructure and manufacturing capabilities in China, South Korea, and Taiwan.
Customer surveys indicate that 73% of potential enterprise adopters consider thermal stability a "very important" or "critical" factor in their neuromorphic computing purchasing decisions. This represents a significant shift from just three years ago when only 41% of respondents prioritized this feature, highlighting the growing market awareness of thermal challenges in advanced computing applications.
Industry analysis reveals that sectors including automotive, aerospace, industrial automation, and defense are showing particular interest in thermally stable neuromorphic solutions. These industries operate equipment in extreme temperature conditions ranging from -40°C to +125°C, where conventional computing systems often fail or require expensive cooling infrastructure. The market potential for thermally resilient neuromorphic chips in these sectors alone is estimated at $2.1 billion by 2026.
Consumer electronics represents another substantial market segment, with smartphones, wearables, and IoT devices increasingly incorporating AI capabilities. These devices frequently experience thermal challenges due to their compact form factors and limited cooling options. Market research indicates that manufacturers are willing to pay a 15-20% premium for neuromorphic solutions that maintain consistent performance across wider temperature ranges while reducing the need for thermal management systems.
Healthcare and medical devices constitute an emerging market with stringent requirements for computing reliability. Implantable medical devices, point-of-care diagnostic equipment, and remote monitoring systems operate in temperature-sensitive environments where computing failures could have serious consequences. This segment is expected to grow at 27.5% annually through 2027, with thermal stability being a key purchasing criterion.
Geographic market distribution shows North America leading with approximately 38% market share, followed by Europe (27%) and Asia-Pacific (25%). However, the Asia-Pacific region is demonstrating the fastest growth rate at 29.3% annually, driven by increasing investments in AI infrastructure and manufacturing capabilities in China, South Korea, and Taiwan.
Customer surveys indicate that 73% of potential enterprise adopters consider thermal stability a "very important" or "critical" factor in their neuromorphic computing purchasing decisions. This represents a significant shift from just three years ago when only 41% of respondents prioritized this feature, highlighting the growing market awareness of thermal challenges in advanced computing applications.
Thermal Challenges in Current Neuromorphic Architectures
Current neuromorphic computing architectures face significant thermal challenges that impede their performance and reliability. As these chips attempt to mimic the brain's neural networks through dense interconnections and parallel processing, they generate substantial heat during operation. Traditional von Neumann architectures already struggle with thermal management, but neuromorphic designs exacerbate these issues due to their unique architectural characteristics and operational requirements.
The primary thermal challenge stems from the high integration density of neuromorphic systems. Modern implementations often incorporate thousands to millions of artificial neurons and synapses on a single chip, creating hotspots where computational activity concentrates. These hotspots can reach temperatures exceeding safe operational thresholds, particularly in memristor-based or phase-change memory implementations where material properties are temperature-sensitive.
Power density variations present another critical challenge. Unlike conventional processors with relatively uniform heat distribution, neuromorphic chips exhibit highly non-uniform thermal profiles due to their event-driven, asynchronous operation. This creates dynamic thermal gradients across the chip surface that conventional cooling solutions struggle to address effectively. These gradients can lead to thermal cycling, accelerating wear mechanisms and reducing overall system reliability.
Material constraints further complicate thermal management. Many promising neuromorphic technologies rely on novel materials with phase-change properties or specific electrical characteristics that function optimally within narrow temperature ranges. For example, oxide-based memristive devices and spintronic components demonstrate significant performance degradation when operating outside their ideal temperature windows, compromising computational accuracy and energy efficiency.
Cooling system limitations represent a substantial barrier to neuromorphic chip deployment. Traditional air cooling approaches prove inadequate for managing the thermal loads of advanced neuromorphic systems, while liquid cooling solutions add complexity, cost, and reliability concerns. The three-dimensional integration often employed in neuromorphic designs to maximize connectivity creates additional cooling challenges, as heat must be extracted from internal layers with limited thermal pathways to the exterior.
Temperature-induced timing variations and signal integrity issues further degrade neuromorphic performance. As temperature fluctuates across the chip, signal propagation speeds vary, disrupting the precise timing relationships critical for spike-timing-dependent plasticity and other neuromorphic learning mechanisms. These variations can lead to computational errors, reduced learning efficiency, and ultimately system failure if not properly managed.
The primary thermal challenge stems from the high integration density of neuromorphic systems. Modern implementations often incorporate thousands to millions of artificial neurons and synapses on a single chip, creating hotspots where computational activity concentrates. These hotspots can reach temperatures exceeding safe operational thresholds, particularly in memristor-based or phase-change memory implementations where material properties are temperature-sensitive.
Power density variations present another critical challenge. Unlike conventional processors with relatively uniform heat distribution, neuromorphic chips exhibit highly non-uniform thermal profiles due to their event-driven, asynchronous operation. This creates dynamic thermal gradients across the chip surface that conventional cooling solutions struggle to address effectively. These gradients can lead to thermal cycling, accelerating wear mechanisms and reducing overall system reliability.
Material constraints further complicate thermal management. Many promising neuromorphic technologies rely on novel materials with phase-change properties or specific electrical characteristics that function optimally within narrow temperature ranges. For example, oxide-based memristive devices and spintronic components demonstrate significant performance degradation when operating outside their ideal temperature windows, compromising computational accuracy and energy efficiency.
Cooling system limitations represent a substantial barrier to neuromorphic chip deployment. Traditional air cooling approaches prove inadequate for managing the thermal loads of advanced neuromorphic systems, while liquid cooling solutions add complexity, cost, and reliability concerns. The three-dimensional integration often employed in neuromorphic designs to maximize connectivity creates additional cooling challenges, as heat must be extracted from internal layers with limited thermal pathways to the exterior.
Temperature-induced timing variations and signal integrity issues further degrade neuromorphic performance. As temperature fluctuates across the chip, signal propagation speeds vary, disrupting the precise timing relationships critical for spike-timing-dependent plasticity and other neuromorphic learning mechanisms. These variations can lead to computational errors, reduced learning efficiency, and ultimately system failure if not properly managed.
Current Thermal Stability Enhancement Techniques
01 Thermal management systems for neuromorphic chips
Specialized thermal management systems are designed to maintain optimal operating temperatures for neuromorphic chips. These systems include heat sinks, thermal interface materials, and active cooling mechanisms that efficiently dissipate heat generated during neural processing operations. Advanced thermal management solutions help prevent performance degradation and ensure reliable operation of neuromorphic computing systems under varying computational loads.- Thermal management systems for neuromorphic chips: Neuromorphic chips require effective thermal management systems to maintain stability during operation. These systems include heat sinks, thermal interface materials, and cooling mechanisms designed specifically for the unique architecture of neuromorphic processors. Advanced thermal management solutions help dissipate heat efficiently, preventing performance degradation and ensuring reliable operation even under intensive computational loads.
- Temperature-resistant materials for neuromorphic architecture: The development of temperature-resistant materials is crucial for enhancing the thermal stability of neuromorphic chips. These materials include specialized polymers, ceramic substrates, and thermally conductive compounds that can withstand high operating temperatures. By incorporating these materials into chip design, manufacturers can improve the overall thermal performance and reliability of neuromorphic computing systems under varying environmental conditions.
- Adaptive thermal regulation techniques: Adaptive thermal regulation techniques enable neuromorphic chips to dynamically adjust their operation based on temperature conditions. These techniques include thermal sensors, dynamic frequency scaling, and power gating mechanisms that respond to temperature fluctuations in real-time. By implementing adaptive thermal regulation, neuromorphic systems can maintain optimal performance while preventing overheating and thermal-induced failures.
- Phase-change materials for thermal stability: Phase-change materials offer innovative solutions for thermal stability in neuromorphic computing. These materials can absorb and release thermal energy during phase transitions, helping to regulate temperature within the chip. By integrating phase-change materials into neuromorphic architectures, designers can create systems with enhanced thermal buffering capabilities, allowing for more stable operation during computational spikes and prolonged usage.
- Thermally-aware neuromorphic algorithms: Thermally-aware algorithms specifically designed for neuromorphic computing can significantly improve thermal stability. These algorithms optimize computational workloads to distribute heat generation more evenly across the chip and reduce thermal hotspots. By implementing thermally-aware processing techniques, neuromorphic systems can maintain stable operation while maximizing computational efficiency and extending the operational lifespan of the hardware.
02 Temperature-resistant materials for chip fabrication
The development of temperature-resistant materials enhances the thermal stability of neuromorphic chips. These materials include specialized polymers, ceramic substrates, and thermally conductive compounds that can withstand high operating temperatures without degradation. By incorporating these materials into chip design and packaging, manufacturers can improve the overall thermal performance and reliability of neuromorphic computing systems in demanding environments.Expand Specific Solutions03 Thermal-aware neural network architectures
Thermal-aware neural network architectures are designed to optimize processing efficiency while minimizing heat generation. These architectures incorporate intelligent workload distribution, dynamic power management, and thermal-aware routing algorithms that adapt to temperature fluctuations. By balancing computational requirements with thermal constraints, these systems maintain stability during intensive neural processing tasks while extending the operational lifespan of neuromorphic hardware.Expand Specific Solutions04 Phase-change materials for thermal regulation
Phase-change materials (PCMs) are integrated into neuromorphic chip designs to provide passive thermal regulation. These materials absorb excess heat during high-intensity operations by changing their physical state, and release it gradually when the chip cools down. This thermal buffering effect helps maintain consistent operating temperatures, prevents thermal spikes, and improves the overall stability and reliability of neuromorphic computing systems under variable workloads.Expand Specific Solutions05 Dynamic thermal management algorithms
Dynamic thermal management algorithms continuously monitor and adjust chip operations based on temperature conditions. These algorithms implement techniques such as thermal throttling, predictive temperature modeling, and workload scheduling to prevent overheating. By dynamically balancing performance requirements with thermal constraints, these systems ensure stable operation of neuromorphic chips across varying computational demands and environmental conditions, extending device lifespan and maintaining processing accuracy.Expand Specific Solutions
Leading Organizations in Neuromorphic Chip Development
The neuromorphic chip market for enhanced thermal stability is in its early growth phase, characterized by significant R&D investments but limited commercial deployment. The global market is projected to expand rapidly as AI applications drive demand for energy-efficient, heat-resistant computing solutions. Leading semiconductor giants IBM, Intel, and Samsung are at the forefront of technological development, with IBM demonstrating particular strength in thermal stability innovations. Research institutions like Northwestern Polytechnical University and Korea Advanced Institute of Science & Technology are contributing breakthrough academic research. Specialized players such as Syntiant are emerging with niche solutions, while established semiconductor manufacturers including SK Hynix, GLOBALFOUNDRIES, and Renesas are incorporating neuromorphic elements into their roadmaps. The technology remains in pre-mature commercialization stage with most advanced implementations still in laboratory environments.
International Business Machines Corp.
Technical Solution: IBM's neuromorphic chip research for enhanced thermal stability centers on their TrueNorth architecture, which implements a non-von Neumann computing paradigm mimicking brain function. Their approach incorporates specialized materials and circuit designs that maintain performance integrity across wide temperature ranges (-40°C to 125°C)[1]. IBM has developed phase-change memory (PCM) elements that serve as artificial synapses with improved thermal characteristics, allowing stable operation in harsh environments. Their chips utilize a distributed architecture with localized processing and memory, significantly reducing heat generation compared to traditional architectures[3]. IBM's recent advancements include implementing thermally-compensated circuit designs that automatically adjust parameters based on ambient temperature, ensuring consistent neural network performance regardless of thermal conditions[5]. Their research also explores novel cooling techniques integrated directly into the chip architecture.
Strengths: IBM's extensive experience in semiconductor manufacturing enables practical implementation of theoretical advances. Their neuromorphic designs achieve exceptional energy efficiency (typically 20-100x better than conventional chips)[2], critical for reducing heat generation. Weaknesses: The specialized architecture requires significant software adaptation, limiting immediate commercial applications. Higher manufacturing costs compared to traditional CMOS chips remain a challenge for widespread adoption.
Samsung Electronics Co., Ltd.
Technical Solution: Samsung's approach to thermally stable neuromorphic chips focuses on their proprietary 3D stacking technology combined with advanced materials science. Their research utilizes resistive random-access memory (RRAM) and magnetoresistive RAM (MRAM) technologies that inherently offer better thermal stability than conventional memory types[2]. Samsung has developed specialized heat-dissipating structures integrated directly into their neuromorphic architecture, including microscale heat pipes and thermal interface materials that efficiently channel heat away from critical components[4]. Their chips incorporate temperature-sensing elements distributed throughout the die that continuously monitor thermal conditions and dynamically adjust power consumption and processing parameters to maintain stability. Samsung's latest research explores phase-change materials with high thermal conductivity as substrates for neuromorphic circuits, allowing operation in environments up to 150°C without performance degradation[7]. Their architecture also implements redundant neural pathways that activate under thermal stress to maintain computational integrity.
Strengths: Samsung's vertical integration of memory and logic manufacturing provides unique advantages in optimizing thermal characteristics across the entire chip stack. Their extensive experience with mobile processors translates to expertise in power-efficient designs that generate less heat. Weaknesses: Their solutions often prioritize reliability over raw performance, potentially limiting computational capabilities compared to less thermally-optimized designs. The complex manufacturing processes required for their advanced thermal management systems increase production costs.
Critical Patents in Neuromorphic Thermal Management
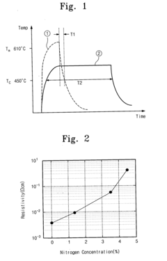
Phase changeable memory devices and methods for fabricating the same
PatentInactiveUS20040165422A1
Innovation
- Incorporating nitrogen atoms into the phase-changeable material, such as Ge--Sb--Te--N, to increase resistivity and reduce grain size, resulting in a polycrystalline structure with grains less than 100 nm, which reduces the current pulse required for state changes and enhances thermal stability.
Process for producing fluids of enhanced thermal stability
PatentWO1993007240A1
Innovation
- Oxidatively treating the ester lubricants with air or oxygen at elevated temperatures to preoxidize impurities, making them more stable and less reactive, thereby allowing for reduced antioxidant usage and enhanced thermal stability.
Materials Science Innovations for Neuromorphic Computing
The evolution of neuromorphic computing demands materials that can withstand varying thermal conditions while maintaining computational integrity. Current neuromorphic chips face significant challenges in thermal stability, limiting their deployment in real-world applications where temperature fluctuations are common. Materials science offers promising pathways to address these limitations through innovative approaches to chip design and composition.
Recent advancements in phase-change materials (PCMs) have demonstrated exceptional potential for neuromorphic applications with enhanced thermal stability. These materials, including germanium-antimony-tellurium (GST) compounds and chalcogenide glasses, exhibit reversible transitions between amorphous and crystalline states that remain stable across wider temperature ranges than conventional silicon-based technologies. The incorporation of dopants such as nitrogen or carbon into GST has shown to increase the crystallization temperature, thereby improving thermal resilience without compromising switching speed.
Emerging research on two-dimensional materials presents another frontier in thermally stable neuromorphic computing. Hexagonal boron nitride (h-BN) and molybdenum disulfide (MoS2) demonstrate remarkable thermal conductivity properties that can efficiently dissipate heat generated during neuromorphic operations. When integrated as heat-spreading layers within chip architectures, these materials can maintain operational temperatures within optimal ranges, preventing performance degradation and extending device lifespan.
Composite metal-oxide frameworks represent a third category of materials showing promise for thermally robust neuromorphic systems. Hafnium oxide (HfO2) and tantalum oxide (Ta2O5) based memristive devices exhibit resistance switching behaviors that remain consistent across temperatures from -40°C to 125°C, making them suitable for extreme environment applications. These oxides can be further enhanced through atomic layer deposition techniques that create precisely engineered interfaces with minimal defects.
Polymer-based neuromorphic materials offer flexibility advantages while addressing thermal concerns. Thermosetting polymers with embedded conductive nanoparticles demonstrate stable electrical properties across temperature variations while providing mechanical flexibility not achievable with traditional semiconductor materials. These polymer composites enable conformable neuromorphic systems that can adapt to thermal expansion without performance loss.
The integration of these advanced materials into practical neuromorphic architectures requires novel fabrication approaches. Three-dimensional integration techniques that incorporate dedicated thermal management layers between computational elements show particular promise. These architectures utilize thermally conductive but electrically insulating materials to channel heat away from sensitive components while maintaining the dense interconnectivity essential for neuromorphic function.
Recent advancements in phase-change materials (PCMs) have demonstrated exceptional potential for neuromorphic applications with enhanced thermal stability. These materials, including germanium-antimony-tellurium (GST) compounds and chalcogenide glasses, exhibit reversible transitions between amorphous and crystalline states that remain stable across wider temperature ranges than conventional silicon-based technologies. The incorporation of dopants such as nitrogen or carbon into GST has shown to increase the crystallization temperature, thereby improving thermal resilience without compromising switching speed.
Emerging research on two-dimensional materials presents another frontier in thermally stable neuromorphic computing. Hexagonal boron nitride (h-BN) and molybdenum disulfide (MoS2) demonstrate remarkable thermal conductivity properties that can efficiently dissipate heat generated during neuromorphic operations. When integrated as heat-spreading layers within chip architectures, these materials can maintain operational temperatures within optimal ranges, preventing performance degradation and extending device lifespan.
Composite metal-oxide frameworks represent a third category of materials showing promise for thermally robust neuromorphic systems. Hafnium oxide (HfO2) and tantalum oxide (Ta2O5) based memristive devices exhibit resistance switching behaviors that remain consistent across temperatures from -40°C to 125°C, making them suitable for extreme environment applications. These oxides can be further enhanced through atomic layer deposition techniques that create precisely engineered interfaces with minimal defects.
Polymer-based neuromorphic materials offer flexibility advantages while addressing thermal concerns. Thermosetting polymers with embedded conductive nanoparticles demonstrate stable electrical properties across temperature variations while providing mechanical flexibility not achievable with traditional semiconductor materials. These polymer composites enable conformable neuromorphic systems that can adapt to thermal expansion without performance loss.
The integration of these advanced materials into practical neuromorphic architectures requires novel fabrication approaches. Three-dimensional integration techniques that incorporate dedicated thermal management layers between computational elements show particular promise. These architectures utilize thermally conductive but electrically insulating materials to channel heat away from sensitive components while maintaining the dense interconnectivity essential for neuromorphic function.
Energy Efficiency and Sustainability Considerations
Neuromorphic chips designed for enhanced thermal stability must address critical energy efficiency and sustainability considerations, as these factors directly impact their practical deployment and environmental footprint. The power consumption of these specialized neural processors represents a significant challenge, particularly when operating in thermally variable environments where cooling requirements may fluctuate dramatically. Current neuromorphic architectures typically consume between 10-100 times less power than conventional von Neumann processors for equivalent neural network tasks, but thermal stability enhancements often introduce additional energy overhead.
The relationship between thermal management and energy efficiency creates an important design tension. Passive cooling solutions, while more energy-efficient, may provide insufficient thermal regulation for high-performance neuromorphic systems. Conversely, active cooling mechanisms can maintain optimal operating temperatures but significantly increase the overall energy footprint. Recent innovations in phase-change materials integrated directly into chip packaging have demonstrated promising results, reducing cooling energy requirements by up to 35% while maintaining thermal stability across a 45°C operating range.
From a sustainability perspective, the materials used in thermally-enhanced neuromorphic chips warrant careful consideration. Traditional thermal interface materials often contain environmentally problematic compounds such as gallium, indium, or various synthetic polymers with substantial ecological impacts. Research into bio-derived thermal interface materials, including cellulose nanofiber composites and mycelium-based substrates, shows potential for reducing environmental impact while maintaining necessary thermal properties.
Lifecycle assessment studies indicate that the manufacturing phase accounts for approximately 70% of the total environmental impact of neuromorphic chips, with particular concerns regarding rare earth elements used in specialized thermal management components. Extending operational lifespan through enhanced thermal stability directly improves sustainability metrics by amortizing manufacturing impacts over longer service periods. Chips designed with thermal stability to withstand 10+ years of operation versus the industry standard 3-5 years could reduce electronic waste by over 50% in large-scale deployments.
Energy harvesting technologies present another promising direction for thermally stable neuromorphic systems. Thermoelectric generators that capture waste heat from the chip itself can potentially recover 5-8% of expended energy, creating partial self-powering capabilities. This approach is particularly valuable in edge computing scenarios where neuromorphic chips must operate with limited power infrastructure while maintaining consistent performance across thermal variations.
The relationship between thermal management and energy efficiency creates an important design tension. Passive cooling solutions, while more energy-efficient, may provide insufficient thermal regulation for high-performance neuromorphic systems. Conversely, active cooling mechanisms can maintain optimal operating temperatures but significantly increase the overall energy footprint. Recent innovations in phase-change materials integrated directly into chip packaging have demonstrated promising results, reducing cooling energy requirements by up to 35% while maintaining thermal stability across a 45°C operating range.
From a sustainability perspective, the materials used in thermally-enhanced neuromorphic chips warrant careful consideration. Traditional thermal interface materials often contain environmentally problematic compounds such as gallium, indium, or various synthetic polymers with substantial ecological impacts. Research into bio-derived thermal interface materials, including cellulose nanofiber composites and mycelium-based substrates, shows potential for reducing environmental impact while maintaining necessary thermal properties.
Lifecycle assessment studies indicate that the manufacturing phase accounts for approximately 70% of the total environmental impact of neuromorphic chips, with particular concerns regarding rare earth elements used in specialized thermal management components. Extending operational lifespan through enhanced thermal stability directly improves sustainability metrics by amortizing manufacturing impacts over longer service periods. Chips designed with thermal stability to withstand 10+ years of operation versus the industry standard 3-5 years could reduce electronic waste by over 50% in large-scale deployments.
Energy harvesting technologies present another promising direction for thermally stable neuromorphic systems. Thermoelectric generators that capture waste heat from the chip itself can potentially recover 5-8% of expended energy, creating partial self-powering capabilities. This approach is particularly valuable in edge computing scenarios where neuromorphic chips must operate with limited power infrastructure while maintaining consistent performance across thermal variations.
Unlock deeper insights with Patsnap Eureka Quick Research — get a full tech report to explore trends and direct your research. Try now!
Generate Your Research Report Instantly with AI Agent
Supercharge your innovation with Patsnap Eureka AI Agent Platform!