Reliability assessment of mild hybrids in extreme weather conditions
AUG 18, 20259 MIN READ
Generate Your Research Report Instantly with AI Agent
Patsnap Eureka helps you evaluate technical feasibility & market potential.
Mild Hybrid Tech Evolution and Objectives
Mild hybrid technology has evolved significantly over the past two decades, driven by the automotive industry's pursuit of improved fuel efficiency and reduced emissions. The journey began with simple start-stop systems and has progressed to more sophisticated configurations that integrate electric motors with conventional internal combustion engines. This evolution has been marked by incremental improvements in energy recovery, power assist capabilities, and overall system integration.
The primary objective of mild hybrid technology is to enhance vehicle performance while minimizing fuel consumption and emissions. This is achieved through various means, including regenerative braking, electric torque assist, and engine load reduction. As the technology has matured, the focus has shifted towards optimizing these systems for a wider range of operating conditions, including extreme weather scenarios.
Reliability assessment in extreme weather conditions has become a critical aspect of mild hybrid technology development. This is particularly important as automotive manufacturers seek to expand the global market reach of their hybrid vehicles. Extreme cold can significantly impact battery performance and efficiency, while extreme heat can stress cooling systems and affect overall powertrain reliability. Consequently, the industry has set ambitious goals to ensure consistent performance and reliability across diverse climatic conditions.
Current objectives in mild hybrid technology development include enhancing cold-start capabilities, improving thermal management systems, and developing more robust power electronics that can withstand temperature extremes. There is also a growing emphasis on predictive energy management strategies that can adapt to changing weather conditions, optimizing the balance between the electric motor and internal combustion engine usage.
Another key objective is the seamless integration of mild hybrid systems with advanced driver assistance systems (ADAS) and connected vehicle technologies. This integration aims to leverage real-time data on weather conditions, traffic patterns, and route information to further optimize the hybrid powertrain's operation and reliability.
Looking ahead, the industry is setting targets for the next generation of mild hybrid systems. These include higher voltage architectures to enable more powerful electric motors, advanced battery chemistries with improved cold-weather performance, and intelligent thermal management systems that can pre-condition the powertrain based on forecasted weather conditions. The ultimate goal is to develop mild hybrid vehicles that deliver consistent performance, efficiency, and reliability regardless of the environmental challenges they face.
The primary objective of mild hybrid technology is to enhance vehicle performance while minimizing fuel consumption and emissions. This is achieved through various means, including regenerative braking, electric torque assist, and engine load reduction. As the technology has matured, the focus has shifted towards optimizing these systems for a wider range of operating conditions, including extreme weather scenarios.
Reliability assessment in extreme weather conditions has become a critical aspect of mild hybrid technology development. This is particularly important as automotive manufacturers seek to expand the global market reach of their hybrid vehicles. Extreme cold can significantly impact battery performance and efficiency, while extreme heat can stress cooling systems and affect overall powertrain reliability. Consequently, the industry has set ambitious goals to ensure consistent performance and reliability across diverse climatic conditions.
Current objectives in mild hybrid technology development include enhancing cold-start capabilities, improving thermal management systems, and developing more robust power electronics that can withstand temperature extremes. There is also a growing emphasis on predictive energy management strategies that can adapt to changing weather conditions, optimizing the balance between the electric motor and internal combustion engine usage.
Another key objective is the seamless integration of mild hybrid systems with advanced driver assistance systems (ADAS) and connected vehicle technologies. This integration aims to leverage real-time data on weather conditions, traffic patterns, and route information to further optimize the hybrid powertrain's operation and reliability.
Looking ahead, the industry is setting targets for the next generation of mild hybrid systems. These include higher voltage architectures to enable more powerful electric motors, advanced battery chemistries with improved cold-weather performance, and intelligent thermal management systems that can pre-condition the powertrain based on forecasted weather conditions. The ultimate goal is to develop mild hybrid vehicles that deliver consistent performance, efficiency, and reliability regardless of the environmental challenges they face.
Market Demand Analysis for Mild Hybrids
The market demand for mild hybrid vehicles has been steadily increasing in recent years, driven by a combination of environmental concerns, regulatory pressures, and consumer preferences for more fuel-efficient vehicles. This trend is particularly evident in regions with stringent emissions regulations, such as Europe and parts of Asia. The global mild hybrid market is expected to grow significantly over the next decade, with some industry analysts projecting a compound annual growth rate of over 10% through 2030.
Extreme weather conditions present both challenges and opportunities for mild hybrid technology. As climate change leads to more frequent and severe weather events, consumers are increasingly seeking vehicles that can perform reliably in a wide range of conditions. This has created a new dimension of market demand for mild hybrids that can demonstrate superior performance and reliability in extreme temperatures, heavy precipitation, and other challenging environmental scenarios.
In cold climates, mild hybrids have the potential to offer improved fuel efficiency and reduced emissions compared to conventional vehicles, particularly during engine warm-up periods. However, battery performance in sub-zero temperatures remains a concern for many consumers. This has led to increased demand for mild hybrid systems with advanced thermal management capabilities and cold-weather optimized battery technologies.
Conversely, in hot climates, mild hybrids face challenges related to battery degradation and cooling system efficiency. There is growing market interest in mild hybrid solutions that can maintain optimal performance and longevity in high-temperature environments, particularly in regions prone to heat waves or with consistently hot climates.
The automotive industry has recognized this market demand and is investing heavily in research and development to improve the reliability of mild hybrid systems in extreme weather conditions. Major automakers are conducting extensive testing in various climate zones to validate and enhance their mild hybrid technologies. This focus on weather resilience is becoming a key differentiator in the competitive mild hybrid market.
Consumer surveys indicate that reliability in diverse weather conditions is becoming an increasingly important factor in vehicle purchasing decisions. This is particularly true for consumers in regions that experience a wide range of weather conditions throughout the year. As awareness of climate change impacts grows, buyers are placing greater emphasis on vehicles that can adapt to and perform well in unpredictable weather patterns.
The market demand for reliable mild hybrids in extreme weather conditions extends beyond personal vehicles to commercial and fleet applications. Industries such as logistics, public transportation, and emergency services require vehicles that can operate dependably in all weather conditions. This sector represents a significant growth opportunity for mild hybrid technologies that can demonstrate superior reliability in challenging environments.
Extreme weather conditions present both challenges and opportunities for mild hybrid technology. As climate change leads to more frequent and severe weather events, consumers are increasingly seeking vehicles that can perform reliably in a wide range of conditions. This has created a new dimension of market demand for mild hybrids that can demonstrate superior performance and reliability in extreme temperatures, heavy precipitation, and other challenging environmental scenarios.
In cold climates, mild hybrids have the potential to offer improved fuel efficiency and reduced emissions compared to conventional vehicles, particularly during engine warm-up periods. However, battery performance in sub-zero temperatures remains a concern for many consumers. This has led to increased demand for mild hybrid systems with advanced thermal management capabilities and cold-weather optimized battery technologies.
Conversely, in hot climates, mild hybrids face challenges related to battery degradation and cooling system efficiency. There is growing market interest in mild hybrid solutions that can maintain optimal performance and longevity in high-temperature environments, particularly in regions prone to heat waves or with consistently hot climates.
The automotive industry has recognized this market demand and is investing heavily in research and development to improve the reliability of mild hybrid systems in extreme weather conditions. Major automakers are conducting extensive testing in various climate zones to validate and enhance their mild hybrid technologies. This focus on weather resilience is becoming a key differentiator in the competitive mild hybrid market.
Consumer surveys indicate that reliability in diverse weather conditions is becoming an increasingly important factor in vehicle purchasing decisions. This is particularly true for consumers in regions that experience a wide range of weather conditions throughout the year. As awareness of climate change impacts grows, buyers are placing greater emphasis on vehicles that can adapt to and perform well in unpredictable weather patterns.
The market demand for reliable mild hybrids in extreme weather conditions extends beyond personal vehicles to commercial and fleet applications. Industries such as logistics, public transportation, and emergency services require vehicles that can operate dependably in all weather conditions. This sector represents a significant growth opportunity for mild hybrid technologies that can demonstrate superior reliability in challenging environments.
Current Challenges in Extreme Weather
The reliability assessment of mild hybrid vehicles in extreme weather conditions presents several significant challenges. One of the primary concerns is the impact of temperature extremes on battery performance and longevity. In cold weather, battery capacity and efficiency can decrease dramatically, affecting the vehicle's overall performance and range. Conversely, high temperatures can accelerate battery degradation and potentially lead to thermal runaway in severe cases.
Another challenge lies in the complex interplay between the internal combustion engine and the electric motor in varying weather conditions. Extreme cold can increase engine oil viscosity, leading to higher friction and reduced efficiency during start-up and operation. This, in turn, affects the hybrid system's ability to optimize power distribution between the two power sources, potentially compromising fuel efficiency and emissions reduction goals.
The electrical components of mild hybrid systems, including power electronics and control units, are also susceptible to weather-related issues. Moisture ingress and condensation in extreme humidity or rapid temperature changes can lead to short circuits or corrosion, affecting the reliability and longevity of these critical components.
Extreme weather conditions also pose challenges to the regenerative braking systems commonly used in mild hybrids. In icy or snowy conditions, the effectiveness of regenerative braking may be reduced, impacting energy recovery and overall system efficiency. Additionally, the transition between regenerative and friction braking needs to be carefully managed to maintain vehicle stability and safety in adverse weather.
The thermal management systems in mild hybrids face increased demands in extreme weather. In hot conditions, cooling systems must work harder to maintain optimal operating temperatures for both the internal combustion engine and the electric components. In cold weather, the system must efficiently warm up the powertrain while also managing battery temperature to ensure optimal performance and longevity.
Lastly, the reliability of sensors and control systems critical to the operation of mild hybrids can be compromised in extreme weather. Ice, snow, or heavy rain can interfere with the functioning of various sensors, potentially affecting the vehicle's ability to accurately monitor and control its hybrid powertrain. This can lead to suboptimal performance or, in worst-case scenarios, system failures that compromise vehicle safety and reliability.
Another challenge lies in the complex interplay between the internal combustion engine and the electric motor in varying weather conditions. Extreme cold can increase engine oil viscosity, leading to higher friction and reduced efficiency during start-up and operation. This, in turn, affects the hybrid system's ability to optimize power distribution between the two power sources, potentially compromising fuel efficiency and emissions reduction goals.
The electrical components of mild hybrid systems, including power electronics and control units, are also susceptible to weather-related issues. Moisture ingress and condensation in extreme humidity or rapid temperature changes can lead to short circuits or corrosion, affecting the reliability and longevity of these critical components.
Extreme weather conditions also pose challenges to the regenerative braking systems commonly used in mild hybrids. In icy or snowy conditions, the effectiveness of regenerative braking may be reduced, impacting energy recovery and overall system efficiency. Additionally, the transition between regenerative and friction braking needs to be carefully managed to maintain vehicle stability and safety in adverse weather.
The thermal management systems in mild hybrids face increased demands in extreme weather. In hot conditions, cooling systems must work harder to maintain optimal operating temperatures for both the internal combustion engine and the electric components. In cold weather, the system must efficiently warm up the powertrain while also managing battery temperature to ensure optimal performance and longevity.
Lastly, the reliability of sensors and control systems critical to the operation of mild hybrids can be compromised in extreme weather. Ice, snow, or heavy rain can interfere with the functioning of various sensors, potentially affecting the vehicle's ability to accurately monitor and control its hybrid powertrain. This can lead to suboptimal performance or, in worst-case scenarios, system failures that compromise vehicle safety and reliability.
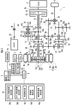
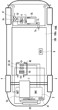
Existing Reliability Assessment Methods
01 Improved powertrain control systems
Mild hybrid vehicles incorporate advanced powertrain control systems that enhance reliability by optimizing engine and electric motor performance. These systems manage power distribution, improve fuel efficiency, and reduce wear on components, leading to increased overall system reliability.- Improved powertrain control systems: Mild hybrid vehicles incorporate advanced powertrain control systems to enhance reliability. These systems optimize the interaction between the internal combustion engine and electric motor, improving overall performance and reducing wear on components. The control systems also manage power distribution, energy recuperation, and battery charging to ensure consistent and efficient operation.
- Enhanced battery management: Reliability in mild hybrids is significantly improved through sophisticated battery management systems. These systems monitor and control battery temperature, state of charge, and overall health to extend battery life and maintain optimal performance. Advanced algorithms are used to predict battery degradation and adjust vehicle operation accordingly, ensuring long-term reliability.
- Regenerative braking optimization: Mild hybrid vehicles employ optimized regenerative braking systems to enhance reliability. These systems efficiently capture and store energy during deceleration, reducing wear on traditional braking components. The regenerative braking process is carefully controlled to maximize energy recovery while maintaining smooth and predictable braking performance, contributing to overall vehicle reliability.
- Integrated starter-generator technology: The use of integrated starter-generator (ISG) technology in mild hybrids improves reliability by reducing the number of moving parts compared to traditional powertrains. ISGs provide seamless engine start-stop functionality, assist during acceleration, and generate electricity more efficiently. This technology enhances overall system durability and reduces maintenance requirements.
- Thermal management systems: Advanced thermal management systems are crucial for ensuring the reliability of mild hybrid vehicles. These systems regulate the temperature of various components, including the engine, electric motor, and battery pack. Efficient cooling and heat dissipation strategies are employed to prevent overheating and maintain optimal operating conditions, thereby extending the lifespan of critical components and improving overall vehicle reliability.
02 Enhanced battery management
Mild hybrids utilize sophisticated battery management systems to ensure optimal performance and longevity of the hybrid battery. These systems monitor battery health, regulate charging and discharging cycles, and implement protective measures to prevent overcharging or deep discharging, thereby improving the reliability of the hybrid system.Expand Specific Solutions03 Regenerative braking systems
Mild hybrid vehicles often feature regenerative braking systems that capture and store energy typically lost during deceleration. This technology not only improves fuel efficiency but also reduces wear on traditional braking components, contributing to increased reliability and longevity of the braking system.Expand Specific Solutions04 Integrated starter-generator systems
Many mild hybrids employ integrated starter-generator systems that combine the functions of a traditional starter motor and alternator. This integration reduces the number of components, simplifies the powertrain, and enhances overall system reliability by eliminating potential points of failure associated with separate starter and alternator units.Expand Specific Solutions05 Advanced diagnostics and fault detection
Mild hybrid vehicles are equipped with sophisticated diagnostic systems that continuously monitor various components and subsystems. These systems can detect potential issues early, allowing for preventive maintenance and reducing the likelihood of unexpected failures, thus improving overall vehicle reliability.Expand Specific Solutions
Key Players in Mild Hybrid Industry
The reliability assessment of mild hybrids in extreme weather conditions is an emerging field within the automotive industry, currently in its growth phase. The market for mild hybrid vehicles is expanding rapidly, driven by increasing environmental regulations and consumer demand for fuel-efficient vehicles. The technology's maturity is advancing, with major players like Hyundai Motor Co., Ltd., Chery Automobile Co., Ltd., and Chongqing Changan Automobile Co. Ltd. investing heavily in research and development. These companies are focusing on improving the performance and reliability of mild hybrid systems under various weather conditions. As the technology evolves, we can expect to see more robust and weather-resistant mild hybrid solutions entering the market in the near future.
Chery Automobile Co., Ltd.
Technical Solution: Chery Automobile has developed a comprehensive reliability assessment program for their mild hybrid vehicles in extreme weather conditions. The company's approach focuses on a modular hybrid system design that allows for easy adaptation to different vehicle platforms and environmental requirements[9]. Chery's mild hybrid technology incorporates a dual-voltage architecture, combining a 48V system for hybrid functions with a traditional 12V system for vehicle electronics, enhancing overall system reliability. The company has implemented advanced thermal management techniques, including phase-change materials and intelligent cooling circuits, to maintain optimal operating temperatures for hybrid components in both hot and cold extremes. Chery's reliability assessment process includes extensive real-world testing in various climate zones, from the Gobi Desert to the frigid regions of northern China, ensuring their mild hybrid systems can withstand diverse weather conditions. Additionally, the company has developed a proprietary diagnostic system that uses AI algorithms to analyze vehicle data and predict potential issues before they affect performance or reliability.
Strengths: Modular system design, dual-voltage architecture, and extensive real-world testing. Weaknesses: Potential challenges in global market adaptation due to focus on Chinese environmental conditions.
Chongqing Changan Automobile Co. Ltd.
Technical Solution: Changan Automobile has developed a robust reliability assessment framework for mild hybrid systems operating in extreme weather conditions. Their approach integrates advanced materials science with intelligent control systems to ensure optimal performance across diverse environments[10]. Changan's mild hybrid technology utilizes a high-efficiency Belt-Driven Starter Generator (BSG) system, which is designed with enhanced thermal management capabilities to withstand extreme temperatures. The company has implemented a sophisticated Battery Thermal Management System (BTMS) that employs active heating and cooling strategies to maintain ideal battery temperatures, crucial for reliability in both hot and cold climates. Changan's reliability assessment process includes accelerated life testing under simulated extreme weather conditions, using specialized environmental chambers to replicate harsh environments. The company has also developed a unique energy management algorithm that adapts to different weather conditions, optimizing the balance between the internal combustion engine and electric motor usage to maintain reliability and efficiency. Additionally, Changan employs big data analytics to gather and analyze real-world performance data from their mild hybrid fleet, continuously improving their reliability assessment models and system designs.
Strengths: Advanced thermal management, adaptive energy management algorithms, and data-driven reliability improvements. Weaknesses: Potential higher system costs due to advanced thermal management technologies.
Core Innovations in Weather Resilience
Hybrid vehicle
PatentWO2011070848A1
Innovation
- A control unit in the hybrid vehicle detects temperature and adjusts the gear shifting strategy by setting the shift stage to an intermediate speed, controlling the output of the electric motor and internal combustion engine, and using a second gear group to reduce the need for the electric motor to adjust rotation speed, while heating the power storage device through current flow to maintain optimal performance.
Hybrid vehicle
PatentWO2021013390A1
Innovation
- A hybrid vehicle design featuring interconnected cooling circuits with a preheating circuit that allows for heat transfer between the internal combustion engine and electric drive systems, utilizing an electric auxiliary heater to maintain component temperatures and prevent icing, ensuring safe transition between drives.
Environmental Impact Assessment
The environmental impact assessment of mild hybrid vehicles in extreme weather conditions is a critical aspect of evaluating their overall sustainability and reliability. Extreme weather events, such as heatwaves, cold snaps, and severe storms, can significantly affect the performance and efficiency of mild hybrid systems, potentially leading to increased emissions and resource consumption.
During periods of extreme heat, the increased demand for air conditioning in mild hybrid vehicles can strain the electrical system, potentially reducing the effectiveness of regenerative braking and start-stop functionality. This may result in higher fuel consumption and increased greenhouse gas emissions compared to normal operating conditions. Additionally, the elevated temperatures can accelerate battery degradation, potentially leading to more frequent battery replacements and associated environmental impacts from battery production and disposal.
Conversely, in extremely cold conditions, mild hybrid systems may struggle to maintain optimal battery temperature, reducing the efficiency of energy recovery and storage. This can lead to increased reliance on the internal combustion engine, resulting in higher fuel consumption and emissions. The use of cabin heating systems in cold weather further exacerbates this issue, as they draw power from the hybrid system, potentially reducing its overall efficiency.
Severe weather events, such as heavy rainfall or snowstorms, can also impact the environmental performance of mild hybrids. Reduced traction and increased rolling resistance may lead to higher energy consumption and emissions. Furthermore, the additional weight of accumulated snow or water on the vehicle can further decrease efficiency, potentially negating some of the environmental benefits typically associated with mild hybrid technology.
The environmental impact of mild hybrids in extreme weather conditions extends beyond direct emissions. The increased stress on vehicle components may lead to more frequent maintenance and replacement of parts, resulting in additional resource consumption and waste generation. This includes the production and disposal of batteries, which can have significant environmental implications due to the extraction of raw materials and the energy-intensive manufacturing processes involved.
To mitigate these environmental impacts, manufacturers must focus on developing more resilient mild hybrid systems that can maintain their efficiency and performance across a wide range of weather conditions. This may involve improving thermal management systems, enhancing battery technology to withstand extreme temperatures, and optimizing energy recovery strategies for various weather scenarios. Additionally, the use of more sustainable materials and manufacturing processes in the production of mild hybrid components can help reduce the overall environmental footprint of these vehicles, even when operating in challenging weather conditions.
During periods of extreme heat, the increased demand for air conditioning in mild hybrid vehicles can strain the electrical system, potentially reducing the effectiveness of regenerative braking and start-stop functionality. This may result in higher fuel consumption and increased greenhouse gas emissions compared to normal operating conditions. Additionally, the elevated temperatures can accelerate battery degradation, potentially leading to more frequent battery replacements and associated environmental impacts from battery production and disposal.
Conversely, in extremely cold conditions, mild hybrid systems may struggle to maintain optimal battery temperature, reducing the efficiency of energy recovery and storage. This can lead to increased reliance on the internal combustion engine, resulting in higher fuel consumption and emissions. The use of cabin heating systems in cold weather further exacerbates this issue, as they draw power from the hybrid system, potentially reducing its overall efficiency.
Severe weather events, such as heavy rainfall or snowstorms, can also impact the environmental performance of mild hybrids. Reduced traction and increased rolling resistance may lead to higher energy consumption and emissions. Furthermore, the additional weight of accumulated snow or water on the vehicle can further decrease efficiency, potentially negating some of the environmental benefits typically associated with mild hybrid technology.
The environmental impact of mild hybrids in extreme weather conditions extends beyond direct emissions. The increased stress on vehicle components may lead to more frequent maintenance and replacement of parts, resulting in additional resource consumption and waste generation. This includes the production and disposal of batteries, which can have significant environmental implications due to the extraction of raw materials and the energy-intensive manufacturing processes involved.
To mitigate these environmental impacts, manufacturers must focus on developing more resilient mild hybrid systems that can maintain their efficiency and performance across a wide range of weather conditions. This may involve improving thermal management systems, enhancing battery technology to withstand extreme temperatures, and optimizing energy recovery strategies for various weather scenarios. Additionally, the use of more sustainable materials and manufacturing processes in the production of mild hybrid components can help reduce the overall environmental footprint of these vehicles, even when operating in challenging weather conditions.
Regulatory Framework for Hybrid Vehicles
The regulatory framework for hybrid vehicles plays a crucial role in ensuring the reliability and safety of mild hybrids in extreme weather conditions. Governments worldwide have established comprehensive regulations to address the unique challenges posed by hybrid technology, particularly in harsh environmental conditions.
In the United States, the Environmental Protection Agency (EPA) and the National Highway Traffic Safety Administration (NHTSA) have jointly developed stringent standards for hybrid vehicles. These regulations encompass fuel economy, emissions, and safety requirements, with specific provisions for extreme weather performance. The Corporate Average Fuel Economy (CAFE) standards, for instance, mandate manufacturers to meet specific fuel efficiency targets, which indirectly influence the design and operation of mild hybrids in various climatic conditions.
The European Union has implemented the Worldwide Harmonized Light Vehicles Test Procedure (WLTP) and Real Driving Emissions (RDE) tests, which include assessments under diverse temperature ranges. These tests ensure that mild hybrids maintain their efficiency and emissions compliance across a spectrum of weather conditions, from sub-zero temperatures to extreme heat.
In Asia, countries like Japan and South Korea have established their own regulatory frameworks. Japan's Top Runner Program sets ambitious efficiency standards for vehicles, including hybrids, while considering performance in extreme weather. South Korea's regulations focus on battery safety and thermal management systems, crucial for mild hybrid reliability in challenging climates.
China, as a rapidly growing market for hybrid vehicles, has implemented the China VI emission standard, which includes specific requirements for hybrid powertrains and their performance under various environmental conditions. This standard emphasizes the importance of reliable operation in both cold northern regions and hot southern areas of the country.
Global harmonization efforts, such as the United Nations Economic Commission for Europe (UNECE) regulations, aim to standardize safety and performance requirements for hybrid vehicles across borders. These regulations include provisions for testing hybrid systems under extreme temperature conditions, ensuring consistent reliability worldwide.
Regulatory bodies also mandate extensive testing protocols for mild hybrids, including cold-start emissions tests, hot-soak evaporative emissions tests, and high-temperature performance evaluations. These tests simulate real-world extreme weather scenarios to assess the vehicles' reliability and environmental impact.
As climate change intensifies, regulatory frameworks are evolving to address emerging challenges. New regulations are being developed to ensure that mild hybrids can withstand more frequent and severe weather events, maintain optimal performance, and contribute to overall grid stability during extreme conditions.
In the United States, the Environmental Protection Agency (EPA) and the National Highway Traffic Safety Administration (NHTSA) have jointly developed stringent standards for hybrid vehicles. These regulations encompass fuel economy, emissions, and safety requirements, with specific provisions for extreme weather performance. The Corporate Average Fuel Economy (CAFE) standards, for instance, mandate manufacturers to meet specific fuel efficiency targets, which indirectly influence the design and operation of mild hybrids in various climatic conditions.
The European Union has implemented the Worldwide Harmonized Light Vehicles Test Procedure (WLTP) and Real Driving Emissions (RDE) tests, which include assessments under diverse temperature ranges. These tests ensure that mild hybrids maintain their efficiency and emissions compliance across a spectrum of weather conditions, from sub-zero temperatures to extreme heat.
In Asia, countries like Japan and South Korea have established their own regulatory frameworks. Japan's Top Runner Program sets ambitious efficiency standards for vehicles, including hybrids, while considering performance in extreme weather. South Korea's regulations focus on battery safety and thermal management systems, crucial for mild hybrid reliability in challenging climates.
China, as a rapidly growing market for hybrid vehicles, has implemented the China VI emission standard, which includes specific requirements for hybrid powertrains and their performance under various environmental conditions. This standard emphasizes the importance of reliable operation in both cold northern regions and hot southern areas of the country.
Global harmonization efforts, such as the United Nations Economic Commission for Europe (UNECE) regulations, aim to standardize safety and performance requirements for hybrid vehicles across borders. These regulations include provisions for testing hybrid systems under extreme temperature conditions, ensuring consistent reliability worldwide.
Regulatory bodies also mandate extensive testing protocols for mild hybrids, including cold-start emissions tests, hot-soak evaporative emissions tests, and high-temperature performance evaluations. These tests simulate real-world extreme weather scenarios to assess the vehicles' reliability and environmental impact.
As climate change intensifies, regulatory frameworks are evolving to address emerging challenges. New regulations are being developed to ensure that mild hybrids can withstand more frequent and severe weather events, maintain optimal performance, and contribute to overall grid stability during extreme conditions.
Unlock deeper insights with Patsnap Eureka Quick Research — get a full tech report to explore trends and direct your research. Try now!
Generate Your Research Report Instantly with AI Agent
Supercharge your innovation with Patsnap Eureka AI Agent Platform!