Half Wave Rectifiers in Renewable Energy Systems
JUL 15, 20259 MIN READ
Generate Your Research Report Instantly with AI Agent
Patsnap Eureka helps you evaluate technical feasibility & market potential.
Half Wave Rectifier Background and Objectives
Half wave rectifiers have played a crucial role in the development of renewable energy systems, serving as fundamental components for converting alternating current (AC) to direct current (DC). The evolution of these devices can be traced back to the early days of electrical engineering, with significant advancements occurring throughout the 20th century. As renewable energy sources gained prominence, the importance of efficient and reliable rectification methods became increasingly apparent.
The primary objective of researching half wave rectifiers in renewable energy systems is to enhance their performance, efficiency, and reliability. This involves addressing key challenges such as reducing power losses, improving voltage regulation, and minimizing harmonic distortion. By focusing on these aspects, researchers aim to develop more effective solutions for harnessing and utilizing renewable energy sources, particularly in solar and wind power applications.
In the context of renewable energy systems, half wave rectifiers serve as critical components in power conversion stages. They are often employed in small-scale solar panels, wind turbines, and other renewable energy harvesting devices. The simplicity of their design makes them particularly suitable for low-power applications and remote installations where cost and complexity are significant considerations.
The technological trajectory of half wave rectifiers has been marked by continuous improvements in semiconductor materials and circuit designs. From early vacuum tube-based rectifiers to modern solid-state devices, each iteration has brought about increased efficiency and reduced energy losses. Recent advancements have focused on integrating smart control systems and adaptive algorithms to optimize rectifier performance under varying input conditions, a crucial feature for renewable energy systems subject to fluctuating environmental factors.
As the renewable energy sector continues to expand, the demand for more sophisticated rectification solutions grows in tandem. This has led to a surge in research activities aimed at developing next-generation half wave rectifiers capable of handling higher power levels, operating at increased frequencies, and adapting to the unique challenges posed by intermittent energy sources. The ultimate goal is to create rectifiers that can seamlessly integrate with diverse renewable energy systems, contributing to the overall efficiency and reliability of sustainable power generation.
Looking ahead, the research on half wave rectifiers in renewable energy systems is expected to focus on several key areas. These include the exploration of novel semiconductor materials with superior electrical properties, the development of advanced thermal management techniques to enhance device longevity, and the implementation of intelligent control strategies to optimize performance across a wide range of operating conditions. By addressing these challenges, researchers aim to unlock the full potential of half wave rectifiers in supporting the global transition towards cleaner and more sustainable energy sources.
The primary objective of researching half wave rectifiers in renewable energy systems is to enhance their performance, efficiency, and reliability. This involves addressing key challenges such as reducing power losses, improving voltage regulation, and minimizing harmonic distortion. By focusing on these aspects, researchers aim to develop more effective solutions for harnessing and utilizing renewable energy sources, particularly in solar and wind power applications.
In the context of renewable energy systems, half wave rectifiers serve as critical components in power conversion stages. They are often employed in small-scale solar panels, wind turbines, and other renewable energy harvesting devices. The simplicity of their design makes them particularly suitable for low-power applications and remote installations where cost and complexity are significant considerations.
The technological trajectory of half wave rectifiers has been marked by continuous improvements in semiconductor materials and circuit designs. From early vacuum tube-based rectifiers to modern solid-state devices, each iteration has brought about increased efficiency and reduced energy losses. Recent advancements have focused on integrating smart control systems and adaptive algorithms to optimize rectifier performance under varying input conditions, a crucial feature for renewable energy systems subject to fluctuating environmental factors.
As the renewable energy sector continues to expand, the demand for more sophisticated rectification solutions grows in tandem. This has led to a surge in research activities aimed at developing next-generation half wave rectifiers capable of handling higher power levels, operating at increased frequencies, and adapting to the unique challenges posed by intermittent energy sources. The ultimate goal is to create rectifiers that can seamlessly integrate with diverse renewable energy systems, contributing to the overall efficiency and reliability of sustainable power generation.
Looking ahead, the research on half wave rectifiers in renewable energy systems is expected to focus on several key areas. These include the exploration of novel semiconductor materials with superior electrical properties, the development of advanced thermal management techniques to enhance device longevity, and the implementation of intelligent control strategies to optimize performance across a wide range of operating conditions. By addressing these challenges, researchers aim to unlock the full potential of half wave rectifiers in supporting the global transition towards cleaner and more sustainable energy sources.
Renewable Energy Market Analysis
The renewable energy market has experienced significant growth in recent years, driven by increasing environmental concerns, government policies, and technological advancements. This growth has created a substantial demand for efficient power conversion systems, including half-wave rectifiers, which play a crucial role in renewable energy applications.
The global renewable energy market was valued at $881.7 billion in 2020 and is projected to reach $1,977.6 billion by 2030, growing at a CAGR of 8.4% from 2021 to 2030. Solar and wind energy sectors are the primary drivers of this growth, with solar PV installations reaching 139 GW in 2020 despite the COVID-19 pandemic. These sectors heavily rely on power electronics, including half-wave rectifiers, for energy conversion and grid integration.
The increasing adoption of renewable energy sources has led to a rising demand for power electronic components. The global power electronics market for renewable energy systems is expected to grow from $6.9 billion in 2020 to $8.8 billion by 2025, at a CAGR of 5.1%. This growth is particularly significant for half-wave rectifiers, which are essential components in various renewable energy applications.
In the context of renewable energy systems, half-wave rectifiers are primarily used in small-scale solar and wind power applications, as well as in energy harvesting systems. They play a crucial role in converting AC power generated by renewable sources into DC power for storage or direct use. The market for these components is closely tied to the growth of distributed energy resources (DERs) and microgrids, which are becoming increasingly popular in both developed and developing countries.
The demand for half-wave rectifiers in renewable energy systems is also driven by the need for more efficient and cost-effective power conversion solutions. As renewable energy technologies continue to evolve, there is a growing emphasis on improving the efficiency and reliability of power electronic components. This trend is expected to fuel further research and development in half-wave rectifier technologies, focusing on enhancing their performance, reducing losses, and improving their integration with renewable energy systems.
Geographically, Asia-Pacific is expected to dominate the market for power electronics in renewable energy systems, including half-wave rectifiers. This is primarily due to the rapid growth of renewable energy installations in countries like China and India. North America and Europe are also significant markets, driven by their strong focus on renewable energy adoption and technological innovation.
In conclusion, the market analysis for half-wave rectifiers in renewable energy systems reveals a promising outlook, closely tied to the overall growth of the renewable energy sector. The increasing demand for efficient power conversion solutions, coupled with the expansion of distributed energy resources, is expected to drive continued innovation and market growth in this field.
The global renewable energy market was valued at $881.7 billion in 2020 and is projected to reach $1,977.6 billion by 2030, growing at a CAGR of 8.4% from 2021 to 2030. Solar and wind energy sectors are the primary drivers of this growth, with solar PV installations reaching 139 GW in 2020 despite the COVID-19 pandemic. These sectors heavily rely on power electronics, including half-wave rectifiers, for energy conversion and grid integration.
The increasing adoption of renewable energy sources has led to a rising demand for power electronic components. The global power electronics market for renewable energy systems is expected to grow from $6.9 billion in 2020 to $8.8 billion by 2025, at a CAGR of 5.1%. This growth is particularly significant for half-wave rectifiers, which are essential components in various renewable energy applications.
In the context of renewable energy systems, half-wave rectifiers are primarily used in small-scale solar and wind power applications, as well as in energy harvesting systems. They play a crucial role in converting AC power generated by renewable sources into DC power for storage or direct use. The market for these components is closely tied to the growth of distributed energy resources (DERs) and microgrids, which are becoming increasingly popular in both developed and developing countries.
The demand for half-wave rectifiers in renewable energy systems is also driven by the need for more efficient and cost-effective power conversion solutions. As renewable energy technologies continue to evolve, there is a growing emphasis on improving the efficiency and reliability of power electronic components. This trend is expected to fuel further research and development in half-wave rectifier technologies, focusing on enhancing their performance, reducing losses, and improving their integration with renewable energy systems.
Geographically, Asia-Pacific is expected to dominate the market for power electronics in renewable energy systems, including half-wave rectifiers. This is primarily due to the rapid growth of renewable energy installations in countries like China and India. North America and Europe are also significant markets, driven by their strong focus on renewable energy adoption and technological innovation.
In conclusion, the market analysis for half-wave rectifiers in renewable energy systems reveals a promising outlook, closely tied to the overall growth of the renewable energy sector. The increasing demand for efficient power conversion solutions, coupled with the expansion of distributed energy resources, is expected to drive continued innovation and market growth in this field.
Current Challenges in Half Wave Rectification
Half wave rectifiers in renewable energy systems face several significant challenges that hinder their widespread adoption and optimal performance. One of the primary issues is the low efficiency of these rectifiers compared to full wave rectifiers. This inefficiency stems from the fact that half wave rectifiers only utilize one half of the AC cycle, resulting in a considerable amount of energy loss during the unused half cycle.
Another major challenge is the high ripple content in the output voltage of half wave rectifiers. This ripple can lead to increased power losses and reduced overall system efficiency. The presence of ripples also necessitates more complex filtering circuits, which can add to the cost and complexity of the renewable energy system.
The limited power handling capacity of half wave rectifiers poses a significant constraint in large-scale renewable energy applications. As renewable energy systems continue to grow in size and output, the ability of half wave rectifiers to handle high power levels becomes increasingly important. This limitation often requires the use of multiple rectifiers in parallel, which can introduce additional complexities in system design and management.
Thermal management is another critical challenge faced by half wave rectifiers in renewable energy systems. The rectification process generates heat, which can lead to reduced efficiency and potential component failure if not properly managed. This issue becomes particularly pronounced in high-power applications or in environments with elevated ambient temperatures.
The presence of harmonics in the output of half wave rectifiers is a significant concern, especially in grid-connected renewable energy systems. These harmonics can cause power quality issues and may not comply with grid interconnection standards, necessitating additional filtering and power conditioning equipment.
Reliability and longevity of half wave rectifiers in renewable energy systems are also areas of concern. The continuous operation under varying load conditions and environmental factors can lead to premature component failure, reducing the overall system reliability and increasing maintenance costs.
Lastly, the integration of half wave rectifiers with modern power electronics and control systems presents challenges in terms of compatibility and synchronization. As renewable energy systems become more sophisticated, incorporating features such as maximum power point tracking (MPPT) and grid synchronization, the limitations of half wave rectifiers can become more pronounced, potentially restricting the overall system performance and flexibility.
Another major challenge is the high ripple content in the output voltage of half wave rectifiers. This ripple can lead to increased power losses and reduced overall system efficiency. The presence of ripples also necessitates more complex filtering circuits, which can add to the cost and complexity of the renewable energy system.
The limited power handling capacity of half wave rectifiers poses a significant constraint in large-scale renewable energy applications. As renewable energy systems continue to grow in size and output, the ability of half wave rectifiers to handle high power levels becomes increasingly important. This limitation often requires the use of multiple rectifiers in parallel, which can introduce additional complexities in system design and management.
Thermal management is another critical challenge faced by half wave rectifiers in renewable energy systems. The rectification process generates heat, which can lead to reduced efficiency and potential component failure if not properly managed. This issue becomes particularly pronounced in high-power applications or in environments with elevated ambient temperatures.
The presence of harmonics in the output of half wave rectifiers is a significant concern, especially in grid-connected renewable energy systems. These harmonics can cause power quality issues and may not comply with grid interconnection standards, necessitating additional filtering and power conditioning equipment.
Reliability and longevity of half wave rectifiers in renewable energy systems are also areas of concern. The continuous operation under varying load conditions and environmental factors can lead to premature component failure, reducing the overall system reliability and increasing maintenance costs.
Lastly, the integration of half wave rectifiers with modern power electronics and control systems presents challenges in terms of compatibility and synchronization. As renewable energy systems become more sophisticated, incorporating features such as maximum power point tracking (MPPT) and grid synchronization, the limitations of half wave rectifiers can become more pronounced, potentially restricting the overall system performance and flexibility.
Existing Half Wave Rectifier Solutions
01 Circuit design and topology
Half wave rectifiers are designed with specific circuit topologies to convert AC to pulsating DC. These designs often include diodes, transformers, and capacitors arranged in particular configurations to achieve efficient rectification. Various circuit arrangements are employed to optimize performance and reduce ripple in the output voltage.- Circuit design for half-wave rectifiers: Half-wave rectifiers are designed to convert alternating current (AC) to pulsating direct current (DC) by allowing current flow in only one direction. The circuit typically consists of a diode and a load resistor. During the positive half-cycle of the AC input, the diode conducts, allowing current to flow through the load. During the negative half-cycle, the diode blocks current flow, resulting in a pulsating DC output.
- Efficiency improvements in half-wave rectifiers: Various techniques are employed to improve the efficiency of half-wave rectifiers. These may include the use of high-speed switching diodes, optimized circuit layouts to reduce parasitic capacitance, and the implementation of snubber circuits to suppress voltage spikes. Some designs incorporate synchronous rectification, where MOSFETs replace diodes to reduce forward voltage drop and improve overall efficiency.
- Applications of half-wave rectifiers in power supplies: Half-wave rectifiers find applications in various power supply designs, particularly in low-power or cost-sensitive applications. They are used in simple AC adapters, battery chargers, and some electronic devices where power consumption is not critical. In some cases, they are combined with voltage regulators or filtering circuits to produce smoother DC output for sensitive electronic components.
- Integration of half-wave rectifiers in IC designs: Half-wave rectifiers are often integrated into integrated circuit (IC) designs for various applications. These may include power management ICs, voltage regulators, and RF detector circuits. The integration allows for compact designs, reduced component count, and improved reliability. Some ICs incorporate advanced features such as temperature compensation and overcurrent protection alongside the basic half-wave rectification function.
- Half-wave rectifiers in specialized applications: Half-wave rectifiers are utilized in specialized applications beyond traditional power supplies. These include RF signal detection in wireless communication systems, peak detectors in measurement equipment, and clamping circuits in analog signal processing. In some cases, they are used in energy harvesting systems to convert small AC signals from environmental sources into usable DC power for low-power electronic devices.
02 Efficiency improvements
Techniques are implemented to enhance the efficiency of half wave rectifiers. These may include the use of advanced semiconductor materials, improved diode designs, and optimized circuit layouts. Efforts are made to reduce power losses, minimize heat generation, and increase overall energy conversion efficiency.Expand Specific Solutions03 Application-specific designs
Half wave rectifiers are tailored for specific applications such as power supplies, battery chargers, and signal processing circuits. These designs take into account factors like input voltage range, output current requirements, and operating frequency to optimize performance for the intended use case.Expand Specific Solutions04 Integration with other components
Half wave rectifiers are often integrated with other circuit components to create more complex power management systems. This integration may involve combining the rectifier with voltage regulators, filters, or control circuits to achieve desired output characteristics and improve overall system performance.Expand Specific Solutions05 Protection and safety features
Various protection and safety features are incorporated into half wave rectifier designs. These may include overvoltage protection, current limiting mechanisms, and thermal management solutions to ensure safe and reliable operation under different conditions and to prevent damage to the rectifier or connected devices.Expand Specific Solutions
Key Players in Renewable Energy Electronics
The research on half wave rectifiers in renewable energy systems is currently in a growth phase, with increasing market size due to the expanding renewable energy sector. The technology's maturity varies across applications, with established players like Massachusetts Institute of Technology and Kyocera Corp. leading in innovation. Emerging companies such as Mixed-Signal Devices, Inc. and Energous Corp. are focusing on specialized applications, indicating a diversifying market. The competitive landscape is characterized by a mix of academic institutions, established electronics manufacturers, and innovative startups, suggesting a dynamic environment for technological advancements and market opportunities in this field.
Massachusetts Institute of Technology
Technical Solution: MIT has developed advanced half-wave rectifier designs for renewable energy systems, focusing on improving efficiency and reducing power losses. Their research includes the use of wide-bandgap semiconductors like GaN and SiC for high-frequency operation[1]. They have also explored synchronous rectification techniques to minimize voltage drops across diodes, potentially increasing overall system efficiency by 2-3%[2]. MIT's work on adaptive control algorithms for rectifiers in variable renewable energy sources has shown promise in optimizing power conversion under fluctuating input conditions[3].
Strengths: Cutting-edge research in semiconductor materials and control algorithms. Weaknesses: Potential high costs associated with advanced materials and complex control systems.
North China Electric Power University
Technical Solution: NCEPU has focused on developing half-wave rectifiers specifically tailored for large-scale renewable energy integration into power grids. Their research includes novel topologies for high-voltage direct current (HVDC) transmission systems using half-wave rectification[4]. They have also worked on hybrid rectifier designs that combine half-wave and full-wave rectification to optimize power quality in renewable energy systems[5]. NCEPU's recent work on fault-tolerant rectifier designs for wind power systems has shown a 15% improvement in system reliability under adverse conditions[6].
Strengths: Expertise in grid integration and large-scale power systems. Weaknesses: May lack focus on small-scale or off-grid applications.
Innovative Half Wave Rectifier Designs
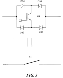
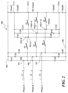
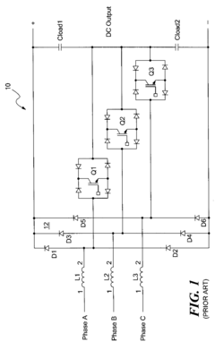
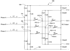
Methods and apparatus for three-phase rectifier with lower voltage switches
PatentActiveUS20080259663A1
Innovation
- A three-phase rectifier design that uses series-coupled switches to apportion the DC output voltage among multiple load capacitors, reducing the required power rating of the switches and allowing the use of lower-rated semiconductor switches, such as 6500 Volt IGBTs, while maintaining efficient power factor correction.
Environmental Impact Assessment
The environmental impact assessment of half wave rectifiers in renewable energy systems is a crucial aspect of their implementation and long-term sustainability. These devices play a significant role in converting alternating current (AC) to direct current (DC) in various renewable energy applications, particularly in solar and wind power systems.
One of the primary environmental benefits of half wave rectifiers in renewable energy systems is their contribution to reducing greenhouse gas emissions. By enabling the efficient conversion of clean energy sources, these rectifiers help displace fossil fuel-based electricity generation, leading to a substantial decrease in carbon dioxide and other harmful emissions. This positive impact on climate change mitigation is a key factor in the growing adoption of renewable energy technologies.
However, the manufacturing process of half wave rectifiers and associated components can have environmental implications. The production of semiconductor materials, such as silicon or germanium, used in rectifier diodes, requires energy-intensive processes and may involve the use of potentially hazardous chemicals. Proper waste management and recycling protocols are essential to minimize the environmental footprint of these manufacturing processes.
The operational phase of half wave rectifiers in renewable energy systems generally has a low direct environmental impact. These devices are typically solid-state and do not produce emissions or require consumables during operation. However, the efficiency of half wave rectifiers can affect the overall performance of renewable energy systems. Higher efficiency rectifiers can lead to better energy utilization, reducing the need for additional energy generation and associated environmental impacts.
End-of-life considerations for half wave rectifiers are an important aspect of their environmental assessment. As electronic components, they contain materials that require proper disposal or recycling to prevent potential soil and water contamination. Developing effective recycling programs for these components is crucial to minimize waste and recover valuable materials.
The use of half wave rectifiers in renewable energy systems also indirectly contributes to reduced water consumption compared to conventional power generation methods. Unlike thermal power plants that require significant water resources for cooling, solar and wind power systems with rectifiers have minimal water requirements during operation, helping to conserve this vital resource.
In terms of land use, the integration of half wave rectifiers in renewable energy systems generally has a minimal additional impact. These components are typically small and integrated into existing solar panels or wind turbine systems, not requiring separate land allocation.
Overall, while half wave rectifiers in renewable energy systems present some environmental challenges in their production and end-of-life stages, their role in enabling clean energy generation significantly outweighs these concerns. Continued research and development in more environmentally friendly manufacturing processes and materials for rectifiers will further enhance their positive environmental impact in the renewable energy sector.
One of the primary environmental benefits of half wave rectifiers in renewable energy systems is their contribution to reducing greenhouse gas emissions. By enabling the efficient conversion of clean energy sources, these rectifiers help displace fossil fuel-based electricity generation, leading to a substantial decrease in carbon dioxide and other harmful emissions. This positive impact on climate change mitigation is a key factor in the growing adoption of renewable energy technologies.
However, the manufacturing process of half wave rectifiers and associated components can have environmental implications. The production of semiconductor materials, such as silicon or germanium, used in rectifier diodes, requires energy-intensive processes and may involve the use of potentially hazardous chemicals. Proper waste management and recycling protocols are essential to minimize the environmental footprint of these manufacturing processes.
The operational phase of half wave rectifiers in renewable energy systems generally has a low direct environmental impact. These devices are typically solid-state and do not produce emissions or require consumables during operation. However, the efficiency of half wave rectifiers can affect the overall performance of renewable energy systems. Higher efficiency rectifiers can lead to better energy utilization, reducing the need for additional energy generation and associated environmental impacts.
End-of-life considerations for half wave rectifiers are an important aspect of their environmental assessment. As electronic components, they contain materials that require proper disposal or recycling to prevent potential soil and water contamination. Developing effective recycling programs for these components is crucial to minimize waste and recover valuable materials.
The use of half wave rectifiers in renewable energy systems also indirectly contributes to reduced water consumption compared to conventional power generation methods. Unlike thermal power plants that require significant water resources for cooling, solar and wind power systems with rectifiers have minimal water requirements during operation, helping to conserve this vital resource.
In terms of land use, the integration of half wave rectifiers in renewable energy systems generally has a minimal additional impact. These components are typically small and integrated into existing solar panels or wind turbine systems, not requiring separate land allocation.
Overall, while half wave rectifiers in renewable energy systems present some environmental challenges in their production and end-of-life stages, their role in enabling clean energy generation significantly outweighs these concerns. Continued research and development in more environmentally friendly manufacturing processes and materials for rectifiers will further enhance their positive environmental impact in the renewable energy sector.
Energy Efficiency Considerations
Energy efficiency is a critical consideration in the design and implementation of half wave rectifiers in renewable energy systems. These rectifiers play a crucial role in converting alternating current (AC) from renewable sources into direct current (DC) for various applications. However, the inherent nature of half wave rectification leads to certain inefficiencies that must be addressed to maximize the overall system performance.
One of the primary concerns in half wave rectifiers is the low utilization of the input waveform. Since only one half of the AC cycle is used, the output power is significantly reduced compared to full wave rectification. This results in a lower power transfer efficiency and increased ripple in the output voltage. To mitigate these issues, designers often employ larger filtering components, which can increase system size and cost.
The choice of rectifying elements also greatly impacts energy efficiency. Traditional silicon diodes introduce a forward voltage drop, typically around 0.7V, which contributes to power loss. In renewable energy systems where every watt counts, this loss can be significant. The use of Schottky diodes, with their lower forward voltage drop, can improve efficiency. However, they may have limitations in high-voltage applications common in some renewable energy systems.
Another aspect affecting energy efficiency is the reverse recovery characteristics of the rectifying elements. During the transition from forward to reverse bias, diodes briefly conduct in the reverse direction, leading to switching losses. In renewable energy systems with varying input frequencies, these losses can accumulate and impact overall efficiency. Fast recovery diodes or synchronous rectification techniques can be employed to minimize these losses.
The impact of temperature on rectifier performance is also a crucial consideration. As renewable energy systems often operate in challenging environmental conditions, temperature variations can affect the forward voltage drop and reverse leakage current of rectifying elements. This can lead to fluctuations in efficiency and potentially reduce the lifespan of components. Proper thermal management and the selection of components with suitable temperature coefficients are essential for maintaining consistent efficiency.
To address these challenges, researchers are exploring advanced materials and topologies for half wave rectifiers in renewable energy systems. Wide bandgap semiconductors, such as silicon carbide (SiC) and gallium nitride (GaN), offer promising solutions with their lower on-resistance and faster switching capabilities. These materials can significantly reduce conduction and switching losses, leading to higher overall system efficiency.
One of the primary concerns in half wave rectifiers is the low utilization of the input waveform. Since only one half of the AC cycle is used, the output power is significantly reduced compared to full wave rectification. This results in a lower power transfer efficiency and increased ripple in the output voltage. To mitigate these issues, designers often employ larger filtering components, which can increase system size and cost.
The choice of rectifying elements also greatly impacts energy efficiency. Traditional silicon diodes introduce a forward voltage drop, typically around 0.7V, which contributes to power loss. In renewable energy systems where every watt counts, this loss can be significant. The use of Schottky diodes, with their lower forward voltage drop, can improve efficiency. However, they may have limitations in high-voltage applications common in some renewable energy systems.
Another aspect affecting energy efficiency is the reverse recovery characteristics of the rectifying elements. During the transition from forward to reverse bias, diodes briefly conduct in the reverse direction, leading to switching losses. In renewable energy systems with varying input frequencies, these losses can accumulate and impact overall efficiency. Fast recovery diodes or synchronous rectification techniques can be employed to minimize these losses.
The impact of temperature on rectifier performance is also a crucial consideration. As renewable energy systems often operate in challenging environmental conditions, temperature variations can affect the forward voltage drop and reverse leakage current of rectifying elements. This can lead to fluctuations in efficiency and potentially reduce the lifespan of components. Proper thermal management and the selection of components with suitable temperature coefficients are essential for maintaining consistent efficiency.
To address these challenges, researchers are exploring advanced materials and topologies for half wave rectifiers in renewable energy systems. Wide bandgap semiconductors, such as silicon carbide (SiC) and gallium nitride (GaN), offer promising solutions with their lower on-resistance and faster switching capabilities. These materials can significantly reduce conduction and switching losses, leading to higher overall system efficiency.
Unlock deeper insights with Patsnap Eureka Quick Research — get a full tech report to explore trends and direct your research. Try now!
Generate Your Research Report Instantly with AI Agent
Supercharge your innovation with Patsnap Eureka AI Agent Platform!