Phased Array vs Capacitive Sensors: Sensitivity Thresholds
SEP 22, 20259 MIN READ
Generate Your Research Report Instantly with AI Agent
Patsnap Eureka helps you evaluate technical feasibility & market potential.
Sensor Technology Background and Objectives
Sensor technology has evolved significantly over the past decades, with phased array and capacitive sensing representing two distinct approaches to detection and measurement. Phased array technology, originally developed for radar applications in the 1950s, utilizes multiple transmitting and receiving elements to form steerable beams through constructive and destructive interference patterns. This technology has since expanded beyond military applications into medical imaging, non-destructive testing, and more recently, consumer electronics and automotive systems.
Capacitive sensing, conversely, emerged in the 1970s as a method for detecting proximity and touch based on changes in electrical capacitance. The technology gained widespread adoption with the proliferation of touchscreens in the early 2000s, revolutionizing human-machine interfaces across multiple industries.
The comparative analysis of sensitivity thresholds between these technologies represents a critical area of investigation as applications demand increasingly precise detection capabilities. Sensitivity in phased array systems is primarily determined by signal-to-noise ratio, beam forming accuracy, and the number and arrangement of array elements. For capacitive sensors, sensitivity depends on electrode design, dielectric properties, and signal processing algorithms.
Current technological objectives focus on enhancing detection limits while maintaining reliability across varying environmental conditions. For phased array systems, this includes improving minimum detectable signal levels below -100 dBm while maintaining angular resolution under 1 degree. Capacitive sensing research aims to achieve reliable detection of sub-millimeter displacements and pressure variations below 0.1 N/cm² while reducing susceptibility to environmental interference.
The evolution trajectory suggests convergence in certain application domains, with hybrid sensing systems emerging to leverage complementary strengths. Phased arrays offer superior performance in long-range detection and through-material sensing, while capacitive systems excel in close-proximity detection with lower power requirements.
Future technological goals include miniaturization of phased array systems to enable integration into portable consumer devices, reduction of power consumption by at least 60% compared to current implementations, and development of advanced signal processing algorithms capable of distinguishing between multiple simultaneous targets with overlapping signatures.
For capacitive sensing, objectives include extending reliable detection range beyond current limitations of approximately 10cm, improving immunity to electromagnetic interference, and developing self-calibrating systems that maintain sensitivity thresholds despite aging and environmental variations.
Understanding the fundamental differences in sensitivity thresholds between these technologies is essential for determining appropriate applications and guiding future development efforts toward systems that can meet increasingly demanding performance requirements across diverse operating environments.
Capacitive sensing, conversely, emerged in the 1970s as a method for detecting proximity and touch based on changes in electrical capacitance. The technology gained widespread adoption with the proliferation of touchscreens in the early 2000s, revolutionizing human-machine interfaces across multiple industries.
The comparative analysis of sensitivity thresholds between these technologies represents a critical area of investigation as applications demand increasingly precise detection capabilities. Sensitivity in phased array systems is primarily determined by signal-to-noise ratio, beam forming accuracy, and the number and arrangement of array elements. For capacitive sensors, sensitivity depends on electrode design, dielectric properties, and signal processing algorithms.
Current technological objectives focus on enhancing detection limits while maintaining reliability across varying environmental conditions. For phased array systems, this includes improving minimum detectable signal levels below -100 dBm while maintaining angular resolution under 1 degree. Capacitive sensing research aims to achieve reliable detection of sub-millimeter displacements and pressure variations below 0.1 N/cm² while reducing susceptibility to environmental interference.
The evolution trajectory suggests convergence in certain application domains, with hybrid sensing systems emerging to leverage complementary strengths. Phased arrays offer superior performance in long-range detection and through-material sensing, while capacitive systems excel in close-proximity detection with lower power requirements.
Future technological goals include miniaturization of phased array systems to enable integration into portable consumer devices, reduction of power consumption by at least 60% compared to current implementations, and development of advanced signal processing algorithms capable of distinguishing between multiple simultaneous targets with overlapping signatures.
For capacitive sensing, objectives include extending reliable detection range beyond current limitations of approximately 10cm, improving immunity to electromagnetic interference, and developing self-calibrating systems that maintain sensitivity thresholds despite aging and environmental variations.
Understanding the fundamental differences in sensitivity thresholds between these technologies is essential for determining appropriate applications and guiding future development efforts toward systems that can meet increasingly demanding performance requirements across diverse operating environments.
Market Applications and Demand Analysis
The market for sensing technologies has witnessed significant growth in recent years, with phased array and capacitive sensors emerging as critical components across multiple industries. The global sensor market is projected to reach $287 billion by 2025, with touch and proximity sensing solutions accounting for approximately 18% of this value.
Phased array sensors have established a strong foothold in medical imaging, where their superior sensitivity thresholds enable detailed ultrasound imaging for diagnostic purposes. The healthcare sector continues to drive demand for these sensors, particularly in applications requiring high-resolution imaging at varying depths. The medical ultrasound market alone is growing at 5.7% annually, with phased array technology representing a key growth segment.
Capacitive sensing technology dominates the consumer electronics sector, where its cost-effectiveness and adequate sensitivity for human touch detection have made it the standard for smartphones, tablets, and touchscreen interfaces. This market segment values the balance between sensitivity and power consumption that capacitive sensors provide, with over 1.5 billion devices shipped annually incorporating this technology.
Industrial automation represents a rapidly expanding application area where both sensing technologies compete directly. Here, the decision between phased array and capacitive sensors often hinges on specific sensitivity requirements. Manufacturing environments with high electromagnetic interference favor phased array solutions, while applications requiring simple presence detection often opt for capacitive alternatives due to cost considerations.
Automotive applications present another significant market opportunity, with advanced driver assistance systems (ADAS) increasingly incorporating sensor arrays for object detection and proximity sensing. The automotive sensor market is growing at 8.3% annually, with sensitivity thresholds becoming a critical differentiator as safety standards become more stringent.
Emerging applications in robotics and human-machine interfaces are creating new demand patterns where the sensitivity threshold becomes the primary selection criterion. Collaborative robots require precise sensing capabilities to ensure safe human interaction, driving interest in high-sensitivity phased array solutions despite their higher implementation costs.
Market research indicates a growing preference for hybrid sensing solutions that combine the strengths of both technologies, particularly in applications where variable sensitivity thresholds are required. This trend suggests that manufacturers who can offer integrated solutions addressing multiple sensitivity requirements will capture increasing market share in the coming years.
Phased array sensors have established a strong foothold in medical imaging, where their superior sensitivity thresholds enable detailed ultrasound imaging for diagnostic purposes. The healthcare sector continues to drive demand for these sensors, particularly in applications requiring high-resolution imaging at varying depths. The medical ultrasound market alone is growing at 5.7% annually, with phased array technology representing a key growth segment.
Capacitive sensing technology dominates the consumer electronics sector, where its cost-effectiveness and adequate sensitivity for human touch detection have made it the standard for smartphones, tablets, and touchscreen interfaces. This market segment values the balance between sensitivity and power consumption that capacitive sensors provide, with over 1.5 billion devices shipped annually incorporating this technology.
Industrial automation represents a rapidly expanding application area where both sensing technologies compete directly. Here, the decision between phased array and capacitive sensors often hinges on specific sensitivity requirements. Manufacturing environments with high electromagnetic interference favor phased array solutions, while applications requiring simple presence detection often opt for capacitive alternatives due to cost considerations.
Automotive applications present another significant market opportunity, with advanced driver assistance systems (ADAS) increasingly incorporating sensor arrays for object detection and proximity sensing. The automotive sensor market is growing at 8.3% annually, with sensitivity thresholds becoming a critical differentiator as safety standards become more stringent.
Emerging applications in robotics and human-machine interfaces are creating new demand patterns where the sensitivity threshold becomes the primary selection criterion. Collaborative robots require precise sensing capabilities to ensure safe human interaction, driving interest in high-sensitivity phased array solutions despite their higher implementation costs.
Market research indicates a growing preference for hybrid sensing solutions that combine the strengths of both technologies, particularly in applications where variable sensitivity thresholds are required. This trend suggests that manufacturers who can offer integrated solutions addressing multiple sensitivity requirements will capture increasing market share in the coming years.
Current Limitations and Technical Challenges
Both phased array and capacitive sensing technologies face significant limitations that impact their sensitivity thresholds and practical applications. Phased array sensors, while offering excellent directional capabilities, struggle with miniaturization challenges due to their complex antenna arrays and supporting electronics. The physical size requirements for maintaining proper wavelength spacing between array elements impose fundamental constraints on how small these systems can be manufactured while maintaining performance integrity.
Signal processing complexity represents another major hurdle for phased array systems. The computational demands for real-time beamforming and signal analysis require substantial processing power, leading to increased energy consumption and heat generation. This becomes particularly problematic in portable or battery-operated applications where power efficiency is critical.
Environmental factors significantly impact phased array performance, with signal degradation occurring in high-interference environments or when operating through certain materials. The technology's sensitivity threshold can vary dramatically based on surrounding electromagnetic conditions, limiting reliability in unpredictable settings.
For capacitive sensors, proximity range limitations constitute a primary challenge. These sensors typically operate effectively only within very close ranges—often just millimeters to a few centimeters—severely restricting their application in scenarios requiring longer-distance detection capabilities.
Material sensitivity presents another significant limitation for capacitive technology. These sensors perform inconsistently across different material types, with particular difficulties in detecting non-conductive or highly resistive materials. This material-dependent performance creates application constraints in heterogeneous environments.
Environmental interference poses substantial challenges for capacitive sensing systems. Humidity, temperature fluctuations, and electromagnetic interference can all dramatically alter sensor readings, requiring complex calibration systems that must continuously adjust to changing conditions to maintain accuracy.
Cost-performance optimization remains an ongoing challenge for both technologies. While capacitive sensors are generally less expensive to produce than phased arrays, achieving higher sensitivity thresholds in either technology typically requires more sophisticated components and manufacturing processes, driving up costs exponentially as performance requirements increase.
Cross-technology integration issues emerge when attempting to combine these sensing modalities with other systems. Interface compatibility, data synchronization, and power management complications often arise, requiring specialized engineering solutions that add complexity and potential points of failure to the overall system architecture.
Signal processing complexity represents another major hurdle for phased array systems. The computational demands for real-time beamforming and signal analysis require substantial processing power, leading to increased energy consumption and heat generation. This becomes particularly problematic in portable or battery-operated applications where power efficiency is critical.
Environmental factors significantly impact phased array performance, with signal degradation occurring in high-interference environments or when operating through certain materials. The technology's sensitivity threshold can vary dramatically based on surrounding electromagnetic conditions, limiting reliability in unpredictable settings.
For capacitive sensors, proximity range limitations constitute a primary challenge. These sensors typically operate effectively only within very close ranges—often just millimeters to a few centimeters—severely restricting their application in scenarios requiring longer-distance detection capabilities.
Material sensitivity presents another significant limitation for capacitive technology. These sensors perform inconsistently across different material types, with particular difficulties in detecting non-conductive or highly resistive materials. This material-dependent performance creates application constraints in heterogeneous environments.
Environmental interference poses substantial challenges for capacitive sensing systems. Humidity, temperature fluctuations, and electromagnetic interference can all dramatically alter sensor readings, requiring complex calibration systems that must continuously adjust to changing conditions to maintain accuracy.
Cost-performance optimization remains an ongoing challenge for both technologies. While capacitive sensors are generally less expensive to produce than phased arrays, achieving higher sensitivity thresholds in either technology typically requires more sophisticated components and manufacturing processes, driving up costs exponentially as performance requirements increase.
Cross-technology integration issues emerge when attempting to combine these sensing modalities with other systems. Interface compatibility, data synchronization, and power management complications often arise, requiring specialized engineering solutions that add complexity and potential points of failure to the overall system architecture.
Comparative Analysis of Sensing Solutions
01 Phased array antenna sensitivity optimization techniques
Various techniques are employed to optimize the sensitivity thresholds of phased array antennas. These include advanced beamforming algorithms, adaptive gain control mechanisms, and signal processing methods that enhance detection capabilities. By optimizing element spacing and phase relationships, these systems can achieve higher sensitivity while maintaining directional precision. These improvements enable better detection of weak signals in challenging environments and reduce susceptibility to interference.- Phased array antenna sensitivity optimization: Phased array antennas can be optimized for sensitivity by adjusting element spacing, phase shifting techniques, and signal processing algorithms. These optimizations help to improve signal reception and transmission capabilities while minimizing noise interference. The sensitivity threshold can be enhanced through adaptive beamforming techniques that dynamically adjust the array pattern according to environmental conditions and signal characteristics.
- Capacitive sensor threshold calibration methods: Various methods for calibrating sensitivity thresholds in capacitive sensors involve adaptive algorithms that account for environmental variations and user interaction patterns. These calibration techniques include baseline adjustment, dynamic threshold setting, and noise filtering to improve detection accuracy. Advanced systems incorporate machine learning approaches to continuously optimize sensitivity thresholds based on historical sensor data and usage patterns.
- Integration of phased arrays with capacitive sensing: Hybrid systems that combine phased array technology with capacitive sensing capabilities offer enhanced detection and tracking performance. These integrated systems leverage the strengths of both technologies: the directional sensitivity of phased arrays and the proximity detection capabilities of capacitive sensors. The combined approach allows for more accurate object detection, improved spatial resolution, and better discrimination between targets in complex environments.
- Environmental factors affecting sensitivity thresholds: Environmental conditions such as temperature, humidity, electromagnetic interference, and physical obstructions significantly impact the sensitivity thresholds of both phased arrays and capacitive sensors. Compensation techniques include adaptive filtering, environmental monitoring, and automatic recalibration mechanisms that adjust sensitivity parameters in response to changing conditions. These approaches help maintain consistent performance across varying operational environments.
- Advanced signal processing for threshold optimization: Sophisticated signal processing algorithms enhance the sensitivity thresholds of both phased arrays and capacitive sensors. These include digital filtering techniques, statistical analysis methods, and frequency domain transformations that improve signal-to-noise ratios. Machine learning and artificial intelligence approaches further optimize threshold detection by identifying patterns in sensor data and adaptively adjusting sensitivity parameters based on operational context and historical performance.
02 Capacitive sensor threshold calibration methods
Methods for calibrating sensitivity thresholds in capacitive sensing systems involve dynamic adjustment techniques that account for environmental variations. These calibration approaches include baseline drift compensation, noise filtering algorithms, and adaptive threshold setting based on usage patterns. Self-calibration routines can automatically adjust sensitivity parameters to maintain optimal performance across different operating conditions, improving detection reliability while minimizing false positives.Expand Specific Solutions03 Integration of phased arrays with capacitive sensing technologies
Hybrid systems that combine phased array technology with capacitive sensing offer enhanced detection capabilities. These integrated solutions leverage the directional precision of phased arrays with the proximity detection strengths of capacitive sensors. The combined approach allows for multi-modal sensing that can overcome limitations of individual technologies, providing more robust detection across varying environmental conditions and use cases. This integration enables new applications in fields requiring both spatial awareness and touch/proximity detection.Expand Specific Solutions04 Environmental factors affecting sensitivity thresholds
Environmental conditions significantly impact the sensitivity thresholds of both phased arrays and capacitive sensors. Factors such as temperature fluctuations, humidity levels, electromagnetic interference, and physical obstructions can degrade performance. Advanced systems incorporate compensation mechanisms that dynamically adjust sensitivity parameters based on environmental monitoring. These adaptive approaches maintain detection reliability across varying conditions by implementing real-time calibration and filtering techniques.Expand Specific Solutions05 Miniaturization and power efficiency in sensor arrays
Advancements in miniaturization techniques for phased arrays and capacitive sensor networks focus on maintaining sensitivity thresholds while reducing size and power consumption. These developments include specialized integrated circuit designs, novel materials for sensing elements, and efficient power management architectures. Miniaturized systems achieve comparable sensitivity to larger counterparts through optimized signal processing algorithms and innovative component arrangements, enabling deployment in space-constrained applications while preserving detection capabilities.Expand Specific Solutions
Leading Manufacturers and Research Institutions
The capacitive and phased array sensor technology market is in a growth phase, with increasing applications across automotive, consumer electronics, and industrial sectors. The market is projected to expand significantly due to rising demand for touchless interfaces and advanced sensing solutions. In terms of technological maturity, industry leaders like Apple, Texas Instruments, and Infineon Technologies have established strong positions in capacitive sensing, while companies such as NXP, Synaptics, and Cypress Semiconductor are advancing phased array technologies. Apple leads in consumer applications with their advanced haptic interfaces, while automotive players like Continental and Huf Hülsbeck & Fürst are integrating these technologies into vehicle systems. Academic institutions including California Institute of Technology and New York University are contributing fundamental research to improve sensitivity thresholds, which remains a key competitive differentiator in this evolving market.
Apple, Inc.
Technical Solution: Apple has developed advanced capacitive sensing technology with dynamic threshold adjustment capabilities for their devices. Their approach utilizes a multi-layer capacitive sensor array with self-calibrating algorithms that continuously adjust sensitivity thresholds based on environmental conditions. Apple's capacitive sensors achieve detection sensitivity down to 0.1pF with signal-to-noise ratio optimization through proprietary filtering algorithms. For challenging environments, they implement adaptive baseline tracking that compensates for temperature and humidity variations, maintaining consistent sensitivity across diverse operating conditions. Their latest innovations include fusion of capacitive data with other sensor inputs (accelerometer, gyroscope) to improve detection reliability and reduce false triggers in mobile applications.
Strengths: Exceptional noise rejection in consumer electronics environments; highly optimized for power efficiency in mobile devices; sophisticated multi-touch discrimination algorithms. Weaknesses: Higher implementation cost compared to simpler solutions; requires significant processing overhead for advanced features; performance can degrade in extremely humid conditions.
Cypress Semiconductor Corp.
Technical Solution: Cypress Semiconductor (now part of Infineon) has developed the CapSense® technology platform specifically addressing sensitivity threshold challenges in capacitive sensing. Their fifth-generation CapSense technology implements a unique Sigma-Delta modulation approach that achieves sensitivity thresholds below 0.1pF while maintaining robust noise immunity. The platform features SmartSense™ Auto-Tuning, which dynamically adjusts sensitivity thresholds based on environmental conditions and touch characteristics, eliminating the need for manual calibration. Cypress's solutions incorporate advanced filtering algorithms including multi-frequency scanning that automatically selects optimal operating frequencies to avoid environmental interference. Their liquid-tolerant sensing technology maintains reliable operation even with water or other conductive liquids present on the sensor surface by implementing sophisticated baseline tracking algorithms that can distinguish between actual touch events and liquid presence. For industrial applications, their solutions maintain consistent sensitivity across temperature ranges from -40°C to 85°C through proprietary temperature compensation techniques.
Strengths: Exceptional noise immunity in challenging environments; highly optimized for low power consumption; extensive design tools and reference designs accelerate development. Weaknesses: Limited to capacitive sensing modality; some advanced features require significant processing resources; performance can be affected by extreme environmental conditions.
Key Patents and Technical Innovations
Capacitive sensors
PatentActiveUS20120025851A1
Innovation
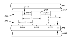
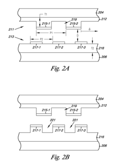
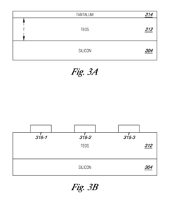
- The capacitive sensor design includes a recess between adjacent electrodes, using a dielectric material with a lower dielectric constant than the substrate, and forming gaps between electrodes to reduce parasitic capacitance, thereby increasing the ratio of detection capacitance to parasitic capacitance and enhancing the SNR.
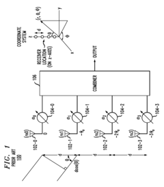
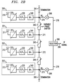
Phase shifting and combining architecture for phased arrays
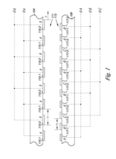
PatentActiveUS7683833B2
Innovation
- The implementation of N discrete phase shifters and N-1 variable phase shifters, where the discrete phase shifters reduce the continuous phase shift range and eliminate the need for variable termination impedance, allowing for low insertion and return losses, and enabling single-chip integration with a widely adjustable phase shifter.
Performance Metrics and Testing Methodologies
Evaluating the performance of phased array and capacitive sensing technologies requires standardized metrics and rigorous testing methodologies to ensure accurate comparison. Sensitivity threshold measurement represents a critical performance indicator that determines the minimum detectable signal or change in the target environment.
For phased array sensors, sensitivity thresholds are typically measured in terms of minimum detectable signal-to-noise ratio (SNR), expressed in decibels (dB). Standard testing involves controlled laboratory environments where signal strength is gradually reduced until detection becomes unreliable. The IEEE Standard 1597 provides guidelines for phased array testing, recommending calibration against reference targets with known radar cross-sections.
Capacitive sensors, conversely, measure sensitivity in terms of minimum detectable capacitance change (ΔC), typically expressed in femtofarads (fF) or attofarads (aF) for high-precision applications. Testing methodologies involve introducing calibrated dielectric materials at varying distances to determine the minimum detectable change in capacitance.
Environmental factors significantly impact performance metrics for both technologies. Temperature variations can cause thermal drift in capacitive sensors, while humidity affects dielectric constants. For phased arrays, atmospheric conditions influence signal propagation. Comprehensive testing must therefore include environmental chambers simulating various conditions to establish performance boundaries.
Temporal stability represents another crucial metric, particularly for industrial applications requiring continuous operation. Long-duration testing protocols measuring drift over time (typically 24-72 hours) under constant conditions help quantify this parameter. Capacitive sensors generally exhibit better long-term stability in static environments, while phased arrays maintain superior performance in dynamic scenarios.
Spatial resolution testing employs standardized target arrays with precisely spaced elements to determine the minimum distinguishable separation between objects. For phased arrays, this typically ranges from millimeters to centimeters depending on operating frequency, while advanced capacitive sensors can achieve sub-millimeter resolution in proximity applications.
Cross-validation methodologies comparing sensor outputs against reference measurement systems provide objective performance verification. The National Institute of Standards and Technology (NIST) offers calibration services and reference materials for both technologies, enabling traceability to international standards.
Response time measurement completes the performance evaluation framework, with standardized protocols involving step-change inputs and measuring time-to-detection. High-speed imaging systems can validate response characteristics for dynamic applications where temporal resolution is critical.
For phased array sensors, sensitivity thresholds are typically measured in terms of minimum detectable signal-to-noise ratio (SNR), expressed in decibels (dB). Standard testing involves controlled laboratory environments where signal strength is gradually reduced until detection becomes unreliable. The IEEE Standard 1597 provides guidelines for phased array testing, recommending calibration against reference targets with known radar cross-sections.
Capacitive sensors, conversely, measure sensitivity in terms of minimum detectable capacitance change (ΔC), typically expressed in femtofarads (fF) or attofarads (aF) for high-precision applications. Testing methodologies involve introducing calibrated dielectric materials at varying distances to determine the minimum detectable change in capacitance.
Environmental factors significantly impact performance metrics for both technologies. Temperature variations can cause thermal drift in capacitive sensors, while humidity affects dielectric constants. For phased arrays, atmospheric conditions influence signal propagation. Comprehensive testing must therefore include environmental chambers simulating various conditions to establish performance boundaries.
Temporal stability represents another crucial metric, particularly for industrial applications requiring continuous operation. Long-duration testing protocols measuring drift over time (typically 24-72 hours) under constant conditions help quantify this parameter. Capacitive sensors generally exhibit better long-term stability in static environments, while phased arrays maintain superior performance in dynamic scenarios.
Spatial resolution testing employs standardized target arrays with precisely spaced elements to determine the minimum distinguishable separation between objects. For phased arrays, this typically ranges from millimeters to centimeters depending on operating frequency, while advanced capacitive sensors can achieve sub-millimeter resolution in proximity applications.
Cross-validation methodologies comparing sensor outputs against reference measurement systems provide objective performance verification. The National Institute of Standards and Technology (NIST) offers calibration services and reference materials for both technologies, enabling traceability to international standards.
Response time measurement completes the performance evaluation framework, with standardized protocols involving step-change inputs and measuring time-to-detection. High-speed imaging systems can validate response characteristics for dynamic applications where temporal resolution is critical.
Environmental Factors Affecting Sensor Reliability
Environmental conditions significantly impact the reliability and performance of both phased array and capacitive sensing technologies. Temperature variations represent one of the most critical factors affecting sensor operation. Phased array sensors typically maintain stable performance within a temperature range of -40°C to +85°C, but extreme temperatures can alter the propagation velocity of ultrasonic waves, requiring sophisticated compensation algorithms. Capacitive sensors demonstrate greater sensitivity to temperature fluctuations, with performance degradation occurring beyond the -20°C to +70°C range due to dielectric property changes in sensing materials.
Humidity and moisture exposure present distinct challenges for both sensor types. Phased array systems generally offer superior resistance to moisture, maintaining functionality in humidity levels up to 95% non-condensing. However, direct water contact can cause signal attenuation and refraction issues. Capacitive sensors exhibit pronounced vulnerability to moisture, as water's high dielectric constant can dramatically alter capacitance readings, potentially triggering false detections or complete system failure in condensing environments.
Electromagnetic interference (EMI) affects these technologies differently based on their operational principles. Phased array systems demonstrate moderate EMI susceptibility, particularly from high-power radio frequency sources operating in similar frequency bands. Capacitive sensors show heightened vulnerability to electromagnetic noise, especially in industrial environments with motors, power lines, or wireless communication equipment, often requiring additional shielding and filtering circuitry to maintain detection accuracy.
Mechanical vibration and shock represent significant reliability concerns, particularly in automotive and industrial applications. Phased array sensors typically withstand vibrations up to 10g RMS (20-2000 Hz) before experiencing degraded performance, while capacitive sensors generally tolerate lower vibration levels (approximately 5g RMS) before exhibiting signal instability. Both technologies require specialized mounting considerations and vibration isolation in high-vibration environments.
Particulate contamination affects sensor reliability through different mechanisms. Phased array systems can operate effectively despite moderate dust or particulate presence, though heavy contamination may attenuate signals. Capacitive sensors demonstrate higher sensitivity to surface contamination, as particles can alter the effective dielectric properties between sensing electrodes, potentially causing drift in baseline measurements and reduced detection accuracy over time without proper maintenance protocols.
Humidity and moisture exposure present distinct challenges for both sensor types. Phased array systems generally offer superior resistance to moisture, maintaining functionality in humidity levels up to 95% non-condensing. However, direct water contact can cause signal attenuation and refraction issues. Capacitive sensors exhibit pronounced vulnerability to moisture, as water's high dielectric constant can dramatically alter capacitance readings, potentially triggering false detections or complete system failure in condensing environments.
Electromagnetic interference (EMI) affects these technologies differently based on their operational principles. Phased array systems demonstrate moderate EMI susceptibility, particularly from high-power radio frequency sources operating in similar frequency bands. Capacitive sensors show heightened vulnerability to electromagnetic noise, especially in industrial environments with motors, power lines, or wireless communication equipment, often requiring additional shielding and filtering circuitry to maintain detection accuracy.
Mechanical vibration and shock represent significant reliability concerns, particularly in automotive and industrial applications. Phased array sensors typically withstand vibrations up to 10g RMS (20-2000 Hz) before experiencing degraded performance, while capacitive sensors generally tolerate lower vibration levels (approximately 5g RMS) before exhibiting signal instability. Both technologies require specialized mounting considerations and vibration isolation in high-vibration environments.
Particulate contamination affects sensor reliability through different mechanisms. Phased array systems can operate effectively despite moderate dust or particulate presence, though heavy contamination may attenuate signals. Capacitive sensors demonstrate higher sensitivity to surface contamination, as particles can alter the effective dielectric properties between sensing electrodes, potentially causing drift in baseline measurements and reduced detection accuracy over time without proper maintenance protocols.
Unlock deeper insights with Patsnap Eureka Quick Research — get a full tech report to explore trends and direct your research. Try now!
Generate Your Research Report Instantly with AI Agent
Supercharge your innovation with Patsnap Eureka AI Agent Platform!







