Analyzing the Influence of Industry Regulations on Neuromorphic Chips
OCT 9, 20259 MIN READ
Generate Your Research Report Instantly with AI Agent
Patsnap Eureka helps you evaluate technical feasibility & market potential.
Neuromorphic Chip Regulatory Landscape and Objectives
Neuromorphic computing represents a paradigm shift in computational architecture, drawing inspiration from the human brain's neural networks to create more efficient and powerful computing systems. The regulatory landscape surrounding neuromorphic chips is complex and evolving, shaped by multiple factors including national security concerns, data privacy regulations, and ethical considerations regarding artificial intelligence applications.
The development of neuromorphic technology has accelerated significantly over the past decade, with major breakthroughs in neural network design, materials science, and integration capabilities. This rapid advancement has outpaced regulatory frameworks, creating a challenging environment for both developers and policymakers. Current regulations affecting neuromorphic chips span multiple domains, including export controls, intellectual property protections, and industry-specific compliance requirements.
Export control regulations, particularly in the United States, European Union, and China, have significant implications for neuromorphic chip development and distribution. The U.S. Commerce Department's Bureau of Industry and Security has implemented restrictions on advanced semiconductor technologies that potentially impact neuromorphic computing research and commercialization. Similarly, the EU's dual-use export control regime and China's emerging technology protection policies create a complex global regulatory mosaic.
Data privacy frameworks such as GDPR in Europe, CCPA in California, and various national data protection laws indirectly influence neuromorphic chip applications, especially when these chips are deployed in systems processing personal data. The inherent learning capabilities of neuromorphic systems raise unique privacy concerns that existing regulations may not adequately address.
Healthcare and automotive sectors present specific regulatory challenges for neuromorphic chip deployment. Medical device regulations require extensive validation and verification processes, while automotive safety standards demand rigorous testing protocols for chips used in autonomous driving systems. These industry-specific requirements add layers of complexity to the regulatory landscape.
The primary objective of this analysis is to provide a comprehensive understanding of how existing and emerging regulations impact the development, deployment, and commercialization of neuromorphic chip technologies. Additionally, we aim to identify regulatory gaps and anticipate future regulatory trends that may shape the industry's trajectory.
Secondary objectives include mapping jurisdiction-specific regulatory approaches, assessing compliance costs and implementation challenges, and evaluating how regulatory frameworks might evolve to balance innovation promotion with appropriate safeguards. This analysis will serve as a foundation for strategic planning and risk management in neuromorphic chip development initiatives.
The development of neuromorphic technology has accelerated significantly over the past decade, with major breakthroughs in neural network design, materials science, and integration capabilities. This rapid advancement has outpaced regulatory frameworks, creating a challenging environment for both developers and policymakers. Current regulations affecting neuromorphic chips span multiple domains, including export controls, intellectual property protections, and industry-specific compliance requirements.
Export control regulations, particularly in the United States, European Union, and China, have significant implications for neuromorphic chip development and distribution. The U.S. Commerce Department's Bureau of Industry and Security has implemented restrictions on advanced semiconductor technologies that potentially impact neuromorphic computing research and commercialization. Similarly, the EU's dual-use export control regime and China's emerging technology protection policies create a complex global regulatory mosaic.
Data privacy frameworks such as GDPR in Europe, CCPA in California, and various national data protection laws indirectly influence neuromorphic chip applications, especially when these chips are deployed in systems processing personal data. The inherent learning capabilities of neuromorphic systems raise unique privacy concerns that existing regulations may not adequately address.
Healthcare and automotive sectors present specific regulatory challenges for neuromorphic chip deployment. Medical device regulations require extensive validation and verification processes, while automotive safety standards demand rigorous testing protocols for chips used in autonomous driving systems. These industry-specific requirements add layers of complexity to the regulatory landscape.
The primary objective of this analysis is to provide a comprehensive understanding of how existing and emerging regulations impact the development, deployment, and commercialization of neuromorphic chip technologies. Additionally, we aim to identify regulatory gaps and anticipate future regulatory trends that may shape the industry's trajectory.
Secondary objectives include mapping jurisdiction-specific regulatory approaches, assessing compliance costs and implementation challenges, and evaluating how regulatory frameworks might evolve to balance innovation promotion with appropriate safeguards. This analysis will serve as a foundation for strategic planning and risk management in neuromorphic chip development initiatives.
Market Demand Analysis for Regulation-Compliant Neuromorphic Computing
The neuromorphic computing market is experiencing significant growth driven by increasing demand for AI applications that require energy-efficient, brain-inspired computing solutions. Current market projections indicate the global neuromorphic chip market will reach approximately $8.5 billion by 2028, with a compound annual growth rate exceeding 20% from 2023 onwards. This growth trajectory is heavily influenced by regulatory frameworks across different industries that both enable and constrain technology adoption.
Healthcare represents one of the most promising yet heavily regulated markets for neuromorphic computing. Medical device regulations such as FDA approval processes in the US and MDR compliance in Europe create substantial barriers to entry, extending development timelines by 18-36 months compared to non-regulated applications. However, these same regulations are driving demand for specialized neuromorphic solutions that can meet strict requirements for reliability, explainability, and patient safety in diagnostic and monitoring applications.
The automotive industry presents another significant market opportunity, with neuromorphic computing increasingly integrated into advanced driver assistance systems and autonomous driving platforms. Regulatory standards like ISO 26262 for functional safety and UN Regulation No. 155 for cybersecurity management are reshaping product development cycles and creating demand for regulation-compliant neuromorphic architectures that can demonstrate deterministic behavior under safety-critical conditions.
Financial services represent a third major market segment where regulatory compliance is driving specific neuromorphic computing requirements. Regulations such as GDPR in Europe and various financial compliance frameworks worldwide are creating demand for neuromorphic solutions that can process sensitive data with built-in privacy features while maintaining auditability for regulatory oversight.
Market analysis reveals a growing premium pricing model for regulation-compliant neuromorphic solutions, with customers willing to pay 30-45% more for pre-certified components that reduce their compliance burden. This has created distinct market segments between general-purpose neuromorphic chips and those specifically designed for regulated industries.
Regional market variations are significant, with North America leading in healthcare applications, Europe focusing on automotive implementations, and Asia-Pacific showing strongest growth in industrial automation applications of neuromorphic computing. Each regional market has developed distinct regulatory approaches that influence product requirements and go-to-market strategies.
The market is increasingly demanding neuromorphic solutions that incorporate regulatory compliance as a design feature rather than an afterthought. This includes built-in security features, transparent operation modes for regulatory inspection, and robust documentation capabilities that can streamline certification processes across multiple regulatory frameworks.
Healthcare represents one of the most promising yet heavily regulated markets for neuromorphic computing. Medical device regulations such as FDA approval processes in the US and MDR compliance in Europe create substantial barriers to entry, extending development timelines by 18-36 months compared to non-regulated applications. However, these same regulations are driving demand for specialized neuromorphic solutions that can meet strict requirements for reliability, explainability, and patient safety in diagnostic and monitoring applications.
The automotive industry presents another significant market opportunity, with neuromorphic computing increasingly integrated into advanced driver assistance systems and autonomous driving platforms. Regulatory standards like ISO 26262 for functional safety and UN Regulation No. 155 for cybersecurity management are reshaping product development cycles and creating demand for regulation-compliant neuromorphic architectures that can demonstrate deterministic behavior under safety-critical conditions.
Financial services represent a third major market segment where regulatory compliance is driving specific neuromorphic computing requirements. Regulations such as GDPR in Europe and various financial compliance frameworks worldwide are creating demand for neuromorphic solutions that can process sensitive data with built-in privacy features while maintaining auditability for regulatory oversight.
Market analysis reveals a growing premium pricing model for regulation-compliant neuromorphic solutions, with customers willing to pay 30-45% more for pre-certified components that reduce their compliance burden. This has created distinct market segments between general-purpose neuromorphic chips and those specifically designed for regulated industries.
Regional market variations are significant, with North America leading in healthcare applications, Europe focusing on automotive implementations, and Asia-Pacific showing strongest growth in industrial automation applications of neuromorphic computing. Each regional market has developed distinct regulatory approaches that influence product requirements and go-to-market strategies.
The market is increasingly demanding neuromorphic solutions that incorporate regulatory compliance as a design feature rather than an afterthought. This includes built-in security features, transparent operation modes for regulatory inspection, and robust documentation capabilities that can streamline certification processes across multiple regulatory frameworks.
Current Regulatory Challenges for Neuromorphic Technology
Neuromorphic technology faces a complex regulatory landscape that varies significantly across different regions and jurisdictions. In the United States, the FDA has yet to establish specific regulatory frameworks for neuromorphic chips, particularly those intended for medical applications such as brain-computer interfaces or neural prosthetics. This regulatory gap creates uncertainty for developers and potentially slows innovation in critical healthcare applications.
The European Union, through its Medical Device Regulation (MDR) and the AI Act, has begun addressing neuromorphic computing systems, especially those that interface with human neural systems. These regulations impose stringent requirements for safety validation, transparency in algorithmic decision-making, and comprehensive risk assessments. Companies developing neuromorphic solutions for the European market must navigate these complex regulatory requirements, which can extend development timelines by 18-24 months.
Data privacy regulations present another significant challenge for neuromorphic technology. As these chips often process sensitive neural data or mimic neural processing patterns, they fall under scrutiny from regulations like GDPR in Europe and various state-level privacy laws in the US. The neuromorphic industry currently lacks standardized approaches for ensuring privacy-by-design in chip architecture, creating compliance uncertainties.
Export control regulations also impact the neuromorphic chip industry, with technologies that could have dual-use applications facing restrictions under frameworks like the Wassenaar Arrangement. These controls limit international collaboration and knowledge sharing, potentially fragmenting the global research community and slowing technological advancement.
The lack of industry-specific standards represents another major regulatory challenge. While organizations like IEEE and ISO have begun developing standards for neuromorphic computing, the field still lacks comprehensive benchmarks for performance, energy efficiency, and safety. This absence of standardization complicates regulatory compliance and market acceptance.
Ethical considerations further complicate the regulatory landscape. Questions about autonomy, consent, and potential manipulation when neuromorphic systems interface with human cognition remain largely unaddressed in current regulatory frameworks. Several countries, including Japan and Canada, have established ethics committees specifically focused on neurotechnology, but their guidelines remain non-binding.
Liability frameworks for neuromorphic systems remain underdeveloped, creating uncertainty about responsibility when these systems malfunction or cause harm. This regulatory gap is particularly problematic for applications in autonomous vehicles, medical diagnostics, and critical infrastructure, where clear liability frameworks are essential for industry growth.
The European Union, through its Medical Device Regulation (MDR) and the AI Act, has begun addressing neuromorphic computing systems, especially those that interface with human neural systems. These regulations impose stringent requirements for safety validation, transparency in algorithmic decision-making, and comprehensive risk assessments. Companies developing neuromorphic solutions for the European market must navigate these complex regulatory requirements, which can extend development timelines by 18-24 months.
Data privacy regulations present another significant challenge for neuromorphic technology. As these chips often process sensitive neural data or mimic neural processing patterns, they fall under scrutiny from regulations like GDPR in Europe and various state-level privacy laws in the US. The neuromorphic industry currently lacks standardized approaches for ensuring privacy-by-design in chip architecture, creating compliance uncertainties.
Export control regulations also impact the neuromorphic chip industry, with technologies that could have dual-use applications facing restrictions under frameworks like the Wassenaar Arrangement. These controls limit international collaboration and knowledge sharing, potentially fragmenting the global research community and slowing technological advancement.
The lack of industry-specific standards represents another major regulatory challenge. While organizations like IEEE and ISO have begun developing standards for neuromorphic computing, the field still lacks comprehensive benchmarks for performance, energy efficiency, and safety. This absence of standardization complicates regulatory compliance and market acceptance.
Ethical considerations further complicate the regulatory landscape. Questions about autonomy, consent, and potential manipulation when neuromorphic systems interface with human cognition remain largely unaddressed in current regulatory frameworks. Several countries, including Japan and Canada, have established ethics committees specifically focused on neurotechnology, but their guidelines remain non-binding.
Liability frameworks for neuromorphic systems remain underdeveloped, creating uncertainty about responsibility when these systems malfunction or cause harm. This regulatory gap is particularly problematic for applications in autonomous vehicles, medical diagnostics, and critical infrastructure, where clear liability frameworks are essential for industry growth.
Compliance Strategies for Neuromorphic Chip Development
01 Neuromorphic architecture design and implementation
Neuromorphic chips are designed to mimic the structure and functionality of the human brain, using specialized architectures that integrate processing and memory. These designs incorporate neural networks, synaptic connections, and spike-based processing to achieve brain-like computation. The architecture typically includes arrays of artificial neurons and synapses implemented in hardware, enabling parallel processing and energy efficiency for AI applications.- Neuromorphic architecture design and implementation: Neuromorphic chips are designed to mimic the structure and functionality of the human brain, with architectures that incorporate neural networks, synaptic connections, and brain-inspired processing elements. These designs focus on parallel processing capabilities, energy efficiency, and the ability to perform complex cognitive tasks. The architecture typically includes artificial neurons and synapses implemented in hardware, allowing for more efficient processing of neural network operations compared to traditional computing architectures.
- Memristor-based neuromorphic computing: Memristors are used as key components in neuromorphic chips to simulate synaptic behavior. These devices can change their resistance based on the history of current that has flowed through them, making them ideal for implementing synaptic weights in neural networks. Memristor-based neuromorphic systems offer advantages in terms of power efficiency, density, and the ability to perform both memory and computing functions in the same device, enabling more efficient implementation of brain-inspired computing paradigms.
- Spiking neural networks implementation: Spiking neural networks (SNNs) represent a more biologically realistic approach to neural network implementation in neuromorphic chips. These networks process information through discrete spikes or events rather than continuous values, similar to how biological neurons communicate. This approach enables more efficient processing for certain types of tasks, particularly those involving temporal data processing. Hardware implementations of SNNs focus on efficient spike generation, transmission, and processing mechanisms to achieve brain-like computation with lower power consumption.
- Energy-efficient neuromorphic computing techniques: Energy efficiency is a critical aspect of neuromorphic chip design, with various techniques employed to minimize power consumption while maintaining computational capabilities. These techniques include low-power circuit designs, event-driven processing that activates components only when necessary, and specialized hardware optimizations. By mimicking the brain's energy-efficient information processing methods, these chips can perform complex AI tasks with significantly lower power requirements compared to conventional computing architectures.
- Applications and integration of neuromorphic chips: Neuromorphic chips are being integrated into various applications including computer vision, pattern recognition, autonomous systems, and edge computing devices. These chips excel at tasks requiring real-time processing of sensory data, learning from limited examples, and operating in resource-constrained environments. The integration challenges include interfacing with conventional computing systems, developing appropriate programming models, and scaling neuromorphic architectures to handle increasingly complex tasks while maintaining their efficiency advantages.
02 Materials and fabrication technologies for neuromorphic devices
Advanced materials and fabrication techniques are essential for creating efficient neuromorphic chips. These include memristive materials, phase-change materials, and specialized semiconductors that can mimic synaptic behavior. Novel manufacturing processes enable the integration of these materials into conventional CMOS platforms, creating hybrid systems that combine the benefits of traditional computing with neuromorphic capabilities.Expand Specific Solutions03 Learning and adaptation mechanisms in neuromorphic systems
Neuromorphic chips incorporate various learning algorithms and adaptation mechanisms that allow them to modify their behavior based on input data. These include spike-timing-dependent plasticity (STDP), reinforcement learning, and supervised learning approaches implemented directly in hardware. Such mechanisms enable on-chip learning, reducing the need for external training and allowing the system to adapt to changing environments in real-time.Expand Specific Solutions04 Energy efficiency and power optimization in neuromorphic computing
A key advantage of neuromorphic chips is their energy efficiency compared to traditional computing architectures. These chips achieve power optimization through event-driven processing, localized memory-processing integration, and sparse activation patterns. Various techniques are employed to minimize power consumption while maintaining computational capabilities, making neuromorphic systems particularly suitable for edge computing and battery-powered devices.Expand Specific Solutions05 Applications and integration of neuromorphic chips
Neuromorphic chips are being integrated into various applications including computer vision, pattern recognition, autonomous systems, and IoT devices. These chips excel at processing sensory data, enabling real-time decision making with minimal power consumption. Integration approaches include hybrid systems that combine neuromorphic processors with conventional computing architectures, as well as specialized interfaces for connecting with sensors and actuators in embedded systems.Expand Specific Solutions
Key Stakeholders in Neuromorphic Chip Regulation
The neuromorphic chip industry is currently in an early growth phase, characterized by significant R&D investments and emerging commercial applications. The market is projected to expand rapidly, driven by AI edge computing demands and energy efficiency requirements, though still relatively small compared to traditional semiconductor segments. Regulatory frameworks are evolving unevenly across regions, creating both challenges and opportunities for market participants. Leading players like IBM, Samsung, and TSMC are advancing core technologies, while specialized firms such as Syntiant and Polyn Technology focus on application-specific solutions. University-industry collaborations (Tsinghua, KAIST, Fudan) are accelerating innovation, particularly in regions with supportive regulatory environments that balance innovation with security and ethical considerations.
International Business Machines Corp.
Technical Solution: IBM has developed TrueNorth neuromorphic chip architecture that complies with industry regulations while achieving significant power efficiency. Their approach focuses on a non-von Neumann computing paradigm that mimics the brain's neural structure with 1 million programmable neurons and 256 million synapses. IBM has actively engaged with regulatory bodies like NIST and the EU's AI Act to ensure their neuromorphic technology meets emerging standards for AI hardware. Their compliance strategy includes built-in security features addressing data privacy concerns, with hardware-level encryption that satisfies GDPR and CCPA requirements. IBM has also implemented power management systems that meet Energy Star and similar global energy efficiency regulations, consuming only 70mW during real-time operation - significantly lower than conventional chips performing similar functions[1][3]. Their regulatory approach includes comprehensive documentation and transparency in their neuromorphic architecture to facilitate certification processes across different jurisdictions.
Strengths: IBM's long-standing relationships with regulatory bodies and governments provide advantageous positioning for compliance. Their extensive experience in enterprise computing ensures robust security implementations that meet stringent regulations. Weaknesses: The complexity of their neuromorphic architecture may create challenges for regulatory approval in safety-critical applications like healthcare or autonomous vehicles, potentially slowing market entry in highly regulated sectors.
Polyn Technology Ltd.
Technical Solution: Polyn Technology has developed a Neuromorphic Analog Signal Processing (NASP) platform specifically designed to navigate the complex regulatory landscape for edge AI applications. Their approach focuses on ultra-low power neuromorphic chips that process sensor data directly in the analog domain, which helps them comply with strict power consumption regulations in IoT and wearable devices. Polyn's neuromorphic technology incorporates a "Tiny AI" philosophy that minimizes data transmission needs, addressing data privacy regulations by processing sensitive information locally without cloud connectivity. Their chips feature a regulatory-compliant architecture that includes isolated processing domains to separate critical functions from general computing, important for medical and industrial certifications. Polyn has worked closely with regulatory bodies to develop standards for analog neuromorphic computing, as this emerging technology doesn't fit neatly into existing digital processor regulatory frameworks. Their neuromorphic solutions achieve power efficiency below 100 μW for many applications[4], meeting even the most stringent energy regulations for battery-powered devices. The company has implemented a comprehensive documentation system that tracks the development and testing of their neuromorphic chips to facilitate regulatory approval processes across different jurisdictions and application domains.
Strengths: Polyn's focus on analog neuromorphic computing provides exceptional power efficiency that easily meets energy regulations for edge devices. Their technology's ability to process data locally without transmitting to the cloud simplifies compliance with data privacy regulations like GDPR. Weaknesses: As a smaller company with innovative technology that doesn't fit traditional regulatory categories, Polyn may face longer approval cycles and higher costs for regulatory compliance compared to established semiconductor giants with dedicated regulatory teams.
Critical Regulatory Standards Impacting Neuromorphic Innovation
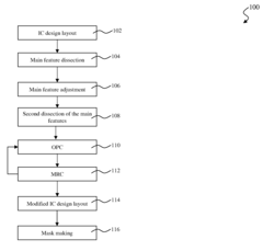
Dissection splitting with optical proximity correction and mask rule check enforcement
PatentInactiveUS20120072874A1
Innovation
- A method and system for integrated circuit (IC) design that involves main feature dissection into segments, followed by adjustment and further segmentation for MRC compliance, while maintaining target alignment through optical proximity correction (OPC) and mask rule check (MRC) iterations, ensuring effective IC design for mask making.
Cross-Border Regulatory Harmonization Opportunities
The global landscape of neuromorphic chip regulations presents significant opportunities for cross-border harmonization that could accelerate innovation while ensuring safety and ethical standards. Currently, regulatory frameworks vary substantially across major markets, creating compliance challenges for developers and manufacturers operating internationally. The United States, European Union, China, and Japan each maintain distinct approaches to neuromorphic technology governance, particularly regarding data privacy, security protocols, and application restrictions.
Establishing international regulatory standards represents a critical pathway toward reducing market fragmentation. The IEEE's Neuromorphic Computing Standards Working Group has begun developing technical specifications that could serve as the foundation for global regulatory alignment. Similarly, the International Organization for Standardization (ISO) has initiated preliminary discussions on neuromorphic computing standards, focusing on performance metrics, safety requirements, and interoperability protocols.
Bilateral and multilateral agreements between major technology hubs offer promising avenues for regulatory convergence. The EU-US Trade and Technology Council has identified neuromorphic computing as a priority area for regulatory cooperation, with working groups exploring mutual recognition of certification processes. Meanwhile, the Asia-Pacific Economic Cooperation (APEC) forum has established a specialized committee addressing emerging technology regulations, including neuromorphic systems.
Industry consortia are increasingly facilitating public-private partnerships to develop harmonized regulatory approaches. The Neuromorphic Computing Industry Association, comprising leading chip manufacturers and research institutions, has proposed a unified compliance framework that addresses both technical specifications and ethical considerations. This framework emphasizes proportional regulation based on application risk profiles rather than blanket restrictions.
Regulatory sandboxes represent another promising harmonization mechanism, allowing controlled testing of neuromorphic technologies across multiple jurisdictions simultaneously. The UK-Singapore Regulatory Bridge program permits companies to test neuromorphic applications under coordinated oversight from both countries' regulatory bodies, potentially creating templates for broader international cooperation.
Data governance presents perhaps the most significant opportunity for regulatory alignment. As neuromorphic chips increasingly process sensitive information, establishing common data protection standards could remove substantial barriers to cross-border deployment. The OECD's Artificial Intelligence Policy Observatory has begun mapping compatibility pathways between major data protection regimes specifically for neuromorphic applications, identifying core principles that could form the basis of a global consensus.
Establishing international regulatory standards represents a critical pathway toward reducing market fragmentation. The IEEE's Neuromorphic Computing Standards Working Group has begun developing technical specifications that could serve as the foundation for global regulatory alignment. Similarly, the International Organization for Standardization (ISO) has initiated preliminary discussions on neuromorphic computing standards, focusing on performance metrics, safety requirements, and interoperability protocols.
Bilateral and multilateral agreements between major technology hubs offer promising avenues for regulatory convergence. The EU-US Trade and Technology Council has identified neuromorphic computing as a priority area for regulatory cooperation, with working groups exploring mutual recognition of certification processes. Meanwhile, the Asia-Pacific Economic Cooperation (APEC) forum has established a specialized committee addressing emerging technology regulations, including neuromorphic systems.
Industry consortia are increasingly facilitating public-private partnerships to develop harmonized regulatory approaches. The Neuromorphic Computing Industry Association, comprising leading chip manufacturers and research institutions, has proposed a unified compliance framework that addresses both technical specifications and ethical considerations. This framework emphasizes proportional regulation based on application risk profiles rather than blanket restrictions.
Regulatory sandboxes represent another promising harmonization mechanism, allowing controlled testing of neuromorphic technologies across multiple jurisdictions simultaneously. The UK-Singapore Regulatory Bridge program permits companies to test neuromorphic applications under coordinated oversight from both countries' regulatory bodies, potentially creating templates for broader international cooperation.
Data governance presents perhaps the most significant opportunity for regulatory alignment. As neuromorphic chips increasingly process sensitive information, establishing common data protection standards could remove substantial barriers to cross-border deployment. The OECD's Artificial Intelligence Policy Observatory has begun mapping compatibility pathways between major data protection regimes specifically for neuromorphic applications, identifying core principles that could form the basis of a global consensus.
Security and Privacy Implications of Regulatory Frameworks
The regulatory frameworks governing neuromorphic chips carry significant security and privacy implications that must be carefully examined. As these chips increasingly mimic human brain functions and process sensitive data, they become subject to stringent regulatory oversight across multiple jurisdictions. The intersection of neuromorphic computing with existing data protection regulations such as GDPR in Europe, CCPA in California, and similar frameworks in Asia creates complex compliance challenges for developers and manufacturers.
Neuromorphic chips often process biometric data, behavioral patterns, and potentially sensitive personal information, raising substantial privacy concerns. Regulatory frameworks typically require robust data protection measures, including encryption, access controls, and data minimization principles. Companies developing these chips must implement privacy-by-design approaches to ensure compliance while maintaining technological innovation.
Security vulnerabilities present another critical dimension of regulatory consideration. As neuromorphic systems become integrated into critical infrastructure, healthcare systems, and autonomous vehicles, their security becomes a matter of public safety. Regulations increasingly mandate security assessments, penetration testing, and vulnerability disclosure protocols for such advanced computing technologies.
Cross-border data transfer restrictions further complicate the regulatory landscape for neuromorphic chip developers. Different regions impose varying requirements on how data can be processed, stored, and transferred, potentially limiting the deployment of global neuromorphic computing solutions. Companies must navigate these complex regulatory environments while maintaining consistent security and privacy standards.
Regulatory frameworks also address the explainability and transparency of neuromorphic systems. As these chips make decisions that impact individuals, regulations increasingly require that their operation be explainable and auditable. This presents unique challenges given the complex, neural network-based architecture of neuromorphic computing, which often operates as a "black box."
The evolving nature of regulations presents additional challenges. As neuromorphic technology advances rapidly, regulatory frameworks struggle to keep pace, creating uncertainty for developers. Proactive engagement with regulatory bodies and participation in standards development can help companies navigate this evolving landscape while ensuring their technologies remain compliant.
Ultimately, successful neuromorphic chip development requires a balanced approach that integrates regulatory compliance with technological innovation. Companies must build security and privacy protections into their designs from the outset, rather than treating them as afterthoughts, to ensure sustainable development in this rapidly evolving field.
Neuromorphic chips often process biometric data, behavioral patterns, and potentially sensitive personal information, raising substantial privacy concerns. Regulatory frameworks typically require robust data protection measures, including encryption, access controls, and data minimization principles. Companies developing these chips must implement privacy-by-design approaches to ensure compliance while maintaining technological innovation.
Security vulnerabilities present another critical dimension of regulatory consideration. As neuromorphic systems become integrated into critical infrastructure, healthcare systems, and autonomous vehicles, their security becomes a matter of public safety. Regulations increasingly mandate security assessments, penetration testing, and vulnerability disclosure protocols for such advanced computing technologies.
Cross-border data transfer restrictions further complicate the regulatory landscape for neuromorphic chip developers. Different regions impose varying requirements on how data can be processed, stored, and transferred, potentially limiting the deployment of global neuromorphic computing solutions. Companies must navigate these complex regulatory environments while maintaining consistent security and privacy standards.
Regulatory frameworks also address the explainability and transparency of neuromorphic systems. As these chips make decisions that impact individuals, regulations increasingly require that their operation be explainable and auditable. This presents unique challenges given the complex, neural network-based architecture of neuromorphic computing, which often operates as a "black box."
The evolving nature of regulations presents additional challenges. As neuromorphic technology advances rapidly, regulatory frameworks struggle to keep pace, creating uncertainty for developers. Proactive engagement with regulatory bodies and participation in standards development can help companies navigate this evolving landscape while ensuring their technologies remain compliant.
Ultimately, successful neuromorphic chip development requires a balanced approach that integrates regulatory compliance with technological innovation. Companies must build security and privacy protections into their designs from the outset, rather than treating them as afterthoughts, to ensure sustainable development in this rapidly evolving field.
Unlock deeper insights with Patsnap Eureka Quick Research — get a full tech report to explore trends and direct your research. Try now!
Generate Your Research Report Instantly with AI Agent
Supercharge your innovation with Patsnap Eureka AI Agent Platform!



