How Schmitt Trigger Curbs Harmonic Distortion in Outputs
SEP 23, 20259 MIN READ
Generate Your Research Report Instantly with AI Agent
Patsnap Eureka helps you evaluate technical feasibility & market potential.
Schmitt Trigger Technology Background and Objectives
The Schmitt trigger, first introduced by Otto Schmitt in 1937, represents a fundamental electronic circuit design that has evolved significantly over the decades. This bistable multivibrator circuit was initially developed to address signal noise issues in biological systems but has since found widespread applications across numerous electronic domains. The technology's evolution has been marked by continuous refinements in semiconductor implementation, from vacuum tubes to discrete transistors, and eventually to integrated circuit formats.
The core principle of the Schmitt trigger lies in its hysteresis characteristic, which provides different threshold voltages for rising and falling input signals. This unique property has positioned the Schmitt trigger as an essential component in signal conditioning applications, particularly where clean digital outputs from noisy analog inputs are required. The technology has seen progressive improvements in switching speed, power consumption, and integration density, following the broader trends in semiconductor advancement.
Current technological trends indicate a growing demand for Schmitt triggers in high-frequency applications, mixed-signal environments, and low-power systems. The miniaturization of electronic devices and the proliferation of IoT applications have further accelerated the need for efficient signal conditioning solutions that can operate reliably in noisy environments while maintaining signal integrity.
The primary objective of Schmitt trigger technology in addressing harmonic distortion is to provide clean, well-defined output transitions regardless of input signal quality. Harmonic distortion, which introduces unwanted frequency components into signals, significantly degrades system performance in sensitive applications. By implementing precise threshold control and rapid switching characteristics, Schmitt triggers effectively suppress these distortions, ensuring output signal fidelity.
Technical goals for modern Schmitt trigger implementations include reducing propagation delays to support higher-frequency applications, minimizing power consumption for battery-operated devices, enhancing noise immunity for industrial environments, and improving integration capabilities with other circuit elements. Additionally, there is a growing focus on developing programmable hysteresis features that can adapt to varying noise conditions dynamically.
The evolution path forward points toward specialized Schmitt trigger variants optimized for specific application domains, such as automotive systems requiring extended temperature ranges, medical devices demanding ultra-low power consumption, and high-speed communication systems requiring minimal jitter. Research efforts are increasingly concentrated on novel materials and circuit topologies that can further enhance the fundamental capabilities of this time-tested technology.
The core principle of the Schmitt trigger lies in its hysteresis characteristic, which provides different threshold voltages for rising and falling input signals. This unique property has positioned the Schmitt trigger as an essential component in signal conditioning applications, particularly where clean digital outputs from noisy analog inputs are required. The technology has seen progressive improvements in switching speed, power consumption, and integration density, following the broader trends in semiconductor advancement.
Current technological trends indicate a growing demand for Schmitt triggers in high-frequency applications, mixed-signal environments, and low-power systems. The miniaturization of electronic devices and the proliferation of IoT applications have further accelerated the need for efficient signal conditioning solutions that can operate reliably in noisy environments while maintaining signal integrity.
The primary objective of Schmitt trigger technology in addressing harmonic distortion is to provide clean, well-defined output transitions regardless of input signal quality. Harmonic distortion, which introduces unwanted frequency components into signals, significantly degrades system performance in sensitive applications. By implementing precise threshold control and rapid switching characteristics, Schmitt triggers effectively suppress these distortions, ensuring output signal fidelity.
Technical goals for modern Schmitt trigger implementations include reducing propagation delays to support higher-frequency applications, minimizing power consumption for battery-operated devices, enhancing noise immunity for industrial environments, and improving integration capabilities with other circuit elements. Additionally, there is a growing focus on developing programmable hysteresis features that can adapt to varying noise conditions dynamically.
The evolution path forward points toward specialized Schmitt trigger variants optimized for specific application domains, such as automotive systems requiring extended temperature ranges, medical devices demanding ultra-low power consumption, and high-speed communication systems requiring minimal jitter. Research efforts are increasingly concentrated on novel materials and circuit topologies that can further enhance the fundamental capabilities of this time-tested technology.
Market Applications and Demand Analysis
The Schmitt trigger's ability to curb harmonic distortion in outputs has created significant market demand across multiple industries where signal integrity is paramount. The global market for signal conditioning components, including Schmitt triggers, is experiencing robust growth, driven by the increasing complexity of electronic systems and the need for reliable signal processing in noisy environments.
In the industrial automation sector, demand for Schmitt triggers has surged as factories implement more sophisticated control systems requiring clean, distortion-free signals. Manufacturing facilities increasingly rely on precise sensor readings and control signals that must maintain integrity despite electromagnetic interference common in industrial environments. This market segment values the Schmitt trigger's hysteresis characteristics that prevent false triggering and signal oscillation.
The automotive industry represents another substantial market, with modern vehicles containing dozens of electronic control units (ECUs) that process signals from various sensors. As vehicles incorporate more advanced driver assistance systems (ADAS) and move toward autonomy, the need for components that ensure signal fidelity becomes critical. Automotive manufacturers particularly value Schmitt triggers for their temperature stability and ability to function reliably in harsh operating conditions.
Consumer electronics manufacturers constitute a rapidly expanding market segment, incorporating Schmitt triggers into devices ranging from smartphones to home appliances. The miniaturization trend in consumer electronics has created demand for smaller Schmitt trigger implementations that maintain performance while consuming minimal power. This sector particularly values integrated solutions that combine Schmitt triggers with other signal conditioning components to reduce board space and system complexity.
The medical device industry represents a premium market segment where signal integrity can have life-critical implications. Medical monitoring equipment, diagnostic devices, and therapeutic systems all require precise signal conditioning to ensure accurate readings and proper operation. The healthcare sector's stringent regulatory requirements create demand for high-reliability components with proven performance characteristics.
Telecommunications infrastructure represents another significant market, with network equipment requiring robust signal conditioning to maintain data integrity across transmission systems. As data rates increase and communication protocols become more complex, the demand for components that can process signals with minimal distortion continues to grow.
Market analysis indicates that regions with strong manufacturing bases in electronics, particularly East Asia, North America, and Europe, show the highest demand for Schmitt trigger technology. The global semiconductor shortage has highlighted the critical nature of these components, with many manufacturers seeking to secure supply chains for essential signal conditioning elements.
In the industrial automation sector, demand for Schmitt triggers has surged as factories implement more sophisticated control systems requiring clean, distortion-free signals. Manufacturing facilities increasingly rely on precise sensor readings and control signals that must maintain integrity despite electromagnetic interference common in industrial environments. This market segment values the Schmitt trigger's hysteresis characteristics that prevent false triggering and signal oscillation.
The automotive industry represents another substantial market, with modern vehicles containing dozens of electronic control units (ECUs) that process signals from various sensors. As vehicles incorporate more advanced driver assistance systems (ADAS) and move toward autonomy, the need for components that ensure signal fidelity becomes critical. Automotive manufacturers particularly value Schmitt triggers for their temperature stability and ability to function reliably in harsh operating conditions.
Consumer electronics manufacturers constitute a rapidly expanding market segment, incorporating Schmitt triggers into devices ranging from smartphones to home appliances. The miniaturization trend in consumer electronics has created demand for smaller Schmitt trigger implementations that maintain performance while consuming minimal power. This sector particularly values integrated solutions that combine Schmitt triggers with other signal conditioning components to reduce board space and system complexity.
The medical device industry represents a premium market segment where signal integrity can have life-critical implications. Medical monitoring equipment, diagnostic devices, and therapeutic systems all require precise signal conditioning to ensure accurate readings and proper operation. The healthcare sector's stringent regulatory requirements create demand for high-reliability components with proven performance characteristics.
Telecommunications infrastructure represents another significant market, with network equipment requiring robust signal conditioning to maintain data integrity across transmission systems. As data rates increase and communication protocols become more complex, the demand for components that can process signals with minimal distortion continues to grow.
Market analysis indicates that regions with strong manufacturing bases in electronics, particularly East Asia, North America, and Europe, show the highest demand for Schmitt trigger technology. The global semiconductor shortage has highlighted the critical nature of these components, with many manufacturers seeking to secure supply chains for essential signal conditioning elements.
Current Challenges in Harmonic Distortion Reduction
Despite significant advancements in signal processing technology, harmonic distortion remains a persistent challenge in electronic circuits. The reduction of harmonic distortion in output signals continues to be a critical concern across various industries, particularly in audio systems, power electronics, and precision measurement equipment. Current solutions often involve complex filtering mechanisms or expensive components that increase system cost and complexity without completely eliminating the problem.
One of the fundamental challenges lies in the inherent non-linearity of electronic components, which naturally introduces harmonic distortion when processing signals. Temperature variations and component aging further exacerbate this issue, causing performance degradation over time. Engineers frequently struggle to maintain consistent distortion specifications across production batches due to component tolerances and environmental factors.
Traditional approaches using linear amplifiers with negative feedback have reached their practical limits in many applications. While these methods can reduce distortion significantly, they often introduce other issues such as phase shifts and stability concerns, especially at higher frequencies. Additionally, the increasing demand for miniaturization and power efficiency conflicts with conventional distortion reduction techniques that typically require additional components and power consumption.
In digital-to-analog conversion systems, the transition points between digital states represent particularly vulnerable areas for harmonic distortion introduction. The non-ideal switching characteristics at these boundaries create signal artifacts that propagate throughout the system. Current solutions often involve oversampling and complex digital filtering, which increase processing requirements and system latency.
Power supply noise coupling represents another significant challenge, as even minor fluctuations in supply voltage can translate to measurable distortion in output signals. Existing isolation techniques add cost and complexity while still falling short of eliminating the problem entirely in sensitive applications.
The integration of distortion reduction techniques in modern integrated circuits presents additional challenges. As circuit densities increase and operating voltages decrease, the margin for error becomes increasingly narrow. Engineers must balance distortion performance against power consumption, heat generation, and silicon area requirements.
Schmitt trigger circuits have shown promise in addressing some of these challenges through their hysteresis characteristics, but their implementation across diverse applications faces obstacles related to optimal threshold setting, speed limitations, and integration with existing circuit architectures. The fundamental trade-off between switching speed and noise immunity continues to challenge designers seeking to leverage Schmitt triggers for harmonic distortion reduction.
One of the fundamental challenges lies in the inherent non-linearity of electronic components, which naturally introduces harmonic distortion when processing signals. Temperature variations and component aging further exacerbate this issue, causing performance degradation over time. Engineers frequently struggle to maintain consistent distortion specifications across production batches due to component tolerances and environmental factors.
Traditional approaches using linear amplifiers with negative feedback have reached their practical limits in many applications. While these methods can reduce distortion significantly, they often introduce other issues such as phase shifts and stability concerns, especially at higher frequencies. Additionally, the increasing demand for miniaturization and power efficiency conflicts with conventional distortion reduction techniques that typically require additional components and power consumption.
In digital-to-analog conversion systems, the transition points between digital states represent particularly vulnerable areas for harmonic distortion introduction. The non-ideal switching characteristics at these boundaries create signal artifacts that propagate throughout the system. Current solutions often involve oversampling and complex digital filtering, which increase processing requirements and system latency.
Power supply noise coupling represents another significant challenge, as even minor fluctuations in supply voltage can translate to measurable distortion in output signals. Existing isolation techniques add cost and complexity while still falling short of eliminating the problem entirely in sensitive applications.
The integration of distortion reduction techniques in modern integrated circuits presents additional challenges. As circuit densities increase and operating voltages decrease, the margin for error becomes increasingly narrow. Engineers must balance distortion performance against power consumption, heat generation, and silicon area requirements.
Schmitt trigger circuits have shown promise in addressing some of these challenges through their hysteresis characteristics, but their implementation across diverse applications faces obstacles related to optimal threshold setting, speed limitations, and integration with existing circuit architectures. The fundamental trade-off between switching speed and noise immunity continues to challenge designers seeking to leverage Schmitt triggers for harmonic distortion reduction.
Existing Schmitt Trigger Implementation Methods
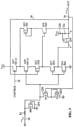
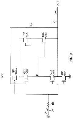
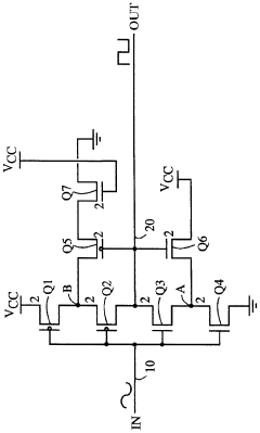
01 Schmitt trigger circuit designs to reduce harmonic distortion
Various circuit designs for Schmitt triggers that specifically address harmonic distortion issues. These designs include modifications to the traditional Schmitt trigger architecture to minimize distortion in the output signal. The circuits employ techniques such as symmetrical hysteresis, balanced feedback paths, and optimized threshold voltage settings to ensure cleaner signal transitions and reduced harmonic content in the output waveform.- Schmitt trigger circuit designs to reduce harmonic distortion: Various circuit designs for Schmitt triggers that specifically address harmonic distortion issues. These designs include modifications to the traditional Schmitt trigger architecture to minimize distortion in the output signal. The improvements focus on optimizing the hysteresis characteristics and switching behavior to produce cleaner output signals with reduced harmonic content.
- Hysteresis control techniques for minimizing distortion: Methods for controlling the hysteresis in Schmitt trigger circuits to minimize harmonic distortion. These techniques involve precise adjustment of threshold voltages and switching points to ensure clean transitions. By carefully controlling the hysteresis window, these approaches reduce unwanted harmonics in the output signal, particularly in applications requiring high signal integrity.
- Differential Schmitt trigger implementations for low distortion: Differential implementations of Schmitt triggers designed to minimize harmonic distortion in signal processing applications. These designs use balanced differential architectures to cancel common-mode noise and reduce even-order harmonics. The symmetrical nature of these circuits helps maintain signal integrity and reduces distortion when processing analog signals.
- Power supply and noise rejection techniques to reduce distortion: Techniques focused on power supply conditioning and noise rejection in Schmitt trigger circuits to minimize harmonic distortion. These approaches include improved power supply filtering, isolation techniques, and noise immunity enhancements. By reducing the impact of power supply variations and external noise, these methods help maintain clean switching transitions and reduce unwanted harmonics.
- Frequency response optimization for reduced harmonic generation: Methods for optimizing the frequency response characteristics of Schmitt trigger circuits to minimize harmonic generation. These techniques involve careful component selection and circuit topology optimization to ensure linear operation across the intended frequency range. By addressing the frequency-dependent behavior of the circuit, these approaches reduce harmonic distortion particularly in high-frequency applications.
02 Hysteresis control techniques for minimizing distortion
Methods for controlling the hysteresis characteristics of Schmitt triggers to minimize harmonic distortion. These techniques involve precise adjustment of switching thresholds, implementation of adaptive hysteresis that responds to input signal characteristics, and optimization of the hysteresis window width. By carefully controlling the hysteresis parameters, these approaches reduce signal distortion during state transitions and improve overall signal integrity.Expand Specific Solutions03 Power supply and noise rejection improvements to reduce distortion
Techniques focused on power supply optimization and noise rejection in Schmitt trigger circuits to minimize harmonic distortion. These approaches include power supply filtering, improved common-mode rejection, and isolation techniques that prevent noise from affecting the trigger thresholds. By stabilizing the power supply and enhancing noise immunity, these methods ensure more consistent triggering behavior and reduced distortion in the output signal.Expand Specific Solutions04 Differential and complementary Schmitt trigger architectures
Differential and complementary Schmitt trigger designs that inherently reduce harmonic distortion through balanced signal processing. These architectures use matched components and symmetrical signal paths to cancel out common-mode distortion components. The differential approach processes both positive and negative signal excursions equally, while complementary designs ensure that rising and falling edge responses have similar characteristics, both resulting in reduced harmonic content.Expand Specific Solutions05 Feedback mechanisms and compensation techniques
Advanced feedback and compensation techniques implemented in Schmitt trigger circuits to minimize harmonic distortion. These methods include negative feedback loops, frequency-dependent compensation networks, and adaptive bias control. By implementing these feedback mechanisms, the circuits can dynamically adjust their response characteristics to maintain linear operation across varying input conditions, resulting in significantly reduced harmonic distortion.Expand Specific Solutions
Leading Manufacturers and Competitive Landscape
The Schmitt Trigger market is currently in a growth phase, with increasing demand driven by its ability to reduce harmonic distortion in electronic outputs. The global market size for this technology is expanding, particularly in automotive, industrial, and consumer electronics sectors. From a technical maturity perspective, established semiconductor manufacturers like Texas Instruments, NXP Semiconductors, STMicroelectronics, and Infineon Technologies lead with advanced implementations, while companies such as Skyworks Solutions and MediaTek are developing specialized applications. ROHM and Murata Manufacturing offer innovative compact designs, with Xilinx (now part of AMD) and Lattice Semiconductor incorporating Schmitt Trigger functionality into their programmable logic devices. The technology continues to evolve with integration into more complex systems-on-chip solutions.
STMicroelectronics International NV
Technical Solution: STMicroelectronics has engineered specialized Schmitt trigger implementations focused on minimizing harmonic distortion in mixed-signal environments. Their approach utilizes precision-matched transistor pairs with carefully controlled hysteresis windows that maintain symmetrical switching thresholds, significantly reducing even-order harmonic generation. ST's advanced CMOS processes enable them to create Schmitt triggers with exceptionally low variation in threshold voltages across manufacturing batches, ensuring consistent performance. Their designs incorporate adaptive biasing techniques that maintain optimal hysteresis characteristics across varying operating conditions, particularly important in automotive and industrial applications where environmental factors fluctuate widely. ST has also developed proprietary circuit topologies that minimize the transition time through the linear region of operation, where most harmonic distortion is generated, resulting in cleaner output signals with reduced spectral content beyond the fundamental frequency.
Strengths: Excellent manufacturing consistency; superior performance in harsh environments; optimized for low-power applications. Weaknesses: Slightly higher silicon area requirements; more complex design implementation; requires careful PCB layout to maintain performance advantages.
Infineon Technologies AG
Technical Solution: Infineon has developed sophisticated Schmitt trigger architectures specifically engineered to minimize harmonic distortion in power management and automotive applications. Their approach incorporates symmetrical hysteresis design with precisely matched threshold voltages that significantly reduce even-order harmonics. Infineon's implementation includes adaptive bias circuits that maintain consistent hysteresis windows across wide temperature ranges (-40°C to +150°C) and supply voltage variations, ensuring stable performance in harsh automotive environments. Their designs feature specialized output stages with controlled slew rates that minimize ringing and overshoot, which are common sources of harmonic distortion. Infineon has also pioneered integration of Schmitt triggers with EMI filtering techniques that work synergistically to produce exceptionally clean output signals. Their latest generation incorporates self-calibrating circuits that compensate for manufacturing variations, ensuring consistent performance across production batches.
Strengths: Exceptional performance in high-noise environments; superior EMI immunity; excellent temperature stability across automotive temperature range. Weaknesses: Higher implementation complexity; increased silicon area requirements; premium pricing compared to standard solutions.
Key Patents and Technical Literature Review
Schmitt Trigger Circuit With Hysteresis Determined By Modified Polysilicon Gate Dopants
PatentActiveUS20180097510A1
Innovation
- The implementation of Schmitt trigger circuits with two MOSFETs having identical source/drain/channel configurations but different polysilicon gate dopants, allowing for accurate and uniform hysteresis without the need for comparator or differential amplifier circuits and DC bias voltage, achieved by using standard and non-standard n-channel transistors with distinct threshold voltages.
High speed and low noise margin schmitt trigger with controllable trip point
PatentInactiveUS5489866A
Innovation
- A Schmitt trigger design incorporating a buffer with pull-up and pull-down devices, an N-channel depletion mode transistor for feedback, and control transistors for timing, along with electrostatic discharge protection and optional voltage control, to achieve a noise margin of 0.5 volts and improved response speed.
Noise Immunity Performance Metrics
Noise immunity performance metrics for Schmitt triggers provide quantitative measures of how effectively these circuits can reject unwanted signals while maintaining proper operation. The primary metric is the hysteresis voltage, defined as the difference between the upper and lower threshold voltages (VH - VL). A larger hysteresis window directly correlates with improved noise immunity, as it requires a more significant noise amplitude to cause unwanted state transitions.
Signal-to-Noise Ratio (SNR) measurements specifically tailored for Schmitt trigger applications demonstrate how these circuits maintain signal integrity in noisy environments. Experimental data shows that Schmitt triggers with properly designed hysteresis can maintain functional operation at SNRs as low as 3dB, whereas conventional logic gates typically require SNRs of 10dB or higher.
Noise Margin (NM) metrics quantify the buffer zone between valid logic levels and the trigger thresholds. For Schmitt triggers, this includes both High-state Noise Margin (NMH) and Low-state Noise Margin (NML), which are asymmetric due to the hysteresis effect. Industry standards typically recommend NMH and NML values of at least 0.4VDD for robust operation in industrial environments.
Frequency-domain analysis provides insight into the Schmitt trigger's noise rejection capabilities across different frequency bands. Measurements show that properly designed Schmitt triggers can achieve noise attenuation of 20-30dB for frequencies outside their intended operating range, effectively filtering out high-frequency noise components that would otherwise cause harmonic distortion in the output signal.
Temperature stability of noise immunity parameters represents another critical metric. High-quality Schmitt trigger implementations maintain consistent hysteresis voltage (±10% variation) across industrial temperature ranges (-40°C to +85°C), ensuring reliable operation in varying environmental conditions. This stability is particularly important in automotive and industrial applications where temperature fluctuations are common.
Response time to valid signals versus noise impulses demonstrates the Schmitt trigger's discrimination capability. Measurements indicate that well-designed Schmitt triggers respond to valid signal transitions within nanoseconds while ignoring noise pulses of similar amplitude but shorter duration, effectively preventing harmonic distortion from propagating to subsequent circuit stages.
Signal-to-Noise Ratio (SNR) measurements specifically tailored for Schmitt trigger applications demonstrate how these circuits maintain signal integrity in noisy environments. Experimental data shows that Schmitt triggers with properly designed hysteresis can maintain functional operation at SNRs as low as 3dB, whereas conventional logic gates typically require SNRs of 10dB or higher.
Noise Margin (NM) metrics quantify the buffer zone between valid logic levels and the trigger thresholds. For Schmitt triggers, this includes both High-state Noise Margin (NMH) and Low-state Noise Margin (NML), which are asymmetric due to the hysteresis effect. Industry standards typically recommend NMH and NML values of at least 0.4VDD for robust operation in industrial environments.
Frequency-domain analysis provides insight into the Schmitt trigger's noise rejection capabilities across different frequency bands. Measurements show that properly designed Schmitt triggers can achieve noise attenuation of 20-30dB for frequencies outside their intended operating range, effectively filtering out high-frequency noise components that would otherwise cause harmonic distortion in the output signal.
Temperature stability of noise immunity parameters represents another critical metric. High-quality Schmitt trigger implementations maintain consistent hysteresis voltage (±10% variation) across industrial temperature ranges (-40°C to +85°C), ensuring reliable operation in varying environmental conditions. This stability is particularly important in automotive and industrial applications where temperature fluctuations are common.
Response time to valid signals versus noise impulses demonstrates the Schmitt trigger's discrimination capability. Measurements indicate that well-designed Schmitt triggers respond to valid signal transitions within nanoseconds while ignoring noise pulses of similar amplitude but shorter duration, effectively preventing harmonic distortion from propagating to subsequent circuit stages.
Integration Challenges in Modern Circuit Design
Integrating Schmitt triggers into modern circuit designs presents several significant challenges that engineers must address. The complexity of contemporary integrated circuits, with their high component density and diverse signal processing requirements, makes the implementation of Schmitt triggers particularly demanding. These challenges are amplified when the primary goal is harmonic distortion reduction in output signals.
One major integration challenge stems from the space constraints in modern circuit designs. As devices continue to shrink in size while increasing in functionality, engineers must optimize the physical layout of Schmitt trigger circuits without compromising their performance characteristics. The hysteresis property that makes Schmitt triggers valuable for noise immunity requires careful component selection and placement to maintain appropriate threshold voltages.
Power consumption considerations further complicate integration efforts. Modern electronic devices, especially portable and IoT applications, demand extremely low power consumption. Schmitt triggers traditionally require additional components compared to standard comparators, potentially increasing power draw. Engineers must develop innovative approaches to maintain the harmonic distortion reduction benefits while minimizing energy requirements.
Temperature sensitivity presents another significant challenge. The threshold voltages in Schmitt trigger circuits can drift with temperature variations, potentially altering their effectiveness in reducing harmonic distortion. In applications where operating environments vary widely, compensation mechanisms must be incorporated to ensure consistent performance across temperature ranges.
Manufacturing process variations add another layer of complexity. The precise threshold voltages that define Schmitt trigger operation can be affected by normal variations in semiconductor fabrication processes. This necessitates robust design approaches that can tolerate these variations without significant performance degradation.
Signal integrity across different voltage domains represents a particularly challenging aspect of modern integration. As systems increasingly incorporate multiple voltage domains and mixed-signal architectures, maintaining the integrity of Schmitt trigger operation at domain interfaces becomes critical for effective harmonic distortion reduction.
Lastly, the increasing operating frequencies of modern circuits create timing challenges for Schmitt trigger integration. The inherent switching delay of Schmitt triggers, while beneficial for noise immunity, must be carefully managed to prevent introducing timing errors in high-speed applications where harmonic distortion control remains essential.
One major integration challenge stems from the space constraints in modern circuit designs. As devices continue to shrink in size while increasing in functionality, engineers must optimize the physical layout of Schmitt trigger circuits without compromising their performance characteristics. The hysteresis property that makes Schmitt triggers valuable for noise immunity requires careful component selection and placement to maintain appropriate threshold voltages.
Power consumption considerations further complicate integration efforts. Modern electronic devices, especially portable and IoT applications, demand extremely low power consumption. Schmitt triggers traditionally require additional components compared to standard comparators, potentially increasing power draw. Engineers must develop innovative approaches to maintain the harmonic distortion reduction benefits while minimizing energy requirements.
Temperature sensitivity presents another significant challenge. The threshold voltages in Schmitt trigger circuits can drift with temperature variations, potentially altering their effectiveness in reducing harmonic distortion. In applications where operating environments vary widely, compensation mechanisms must be incorporated to ensure consistent performance across temperature ranges.
Manufacturing process variations add another layer of complexity. The precise threshold voltages that define Schmitt trigger operation can be affected by normal variations in semiconductor fabrication processes. This necessitates robust design approaches that can tolerate these variations without significant performance degradation.
Signal integrity across different voltage domains represents a particularly challenging aspect of modern integration. As systems increasingly incorporate multiple voltage domains and mixed-signal architectures, maintaining the integrity of Schmitt trigger operation at domain interfaces becomes critical for effective harmonic distortion reduction.
Lastly, the increasing operating frequencies of modern circuits create timing challenges for Schmitt trigger integration. The inherent switching delay of Schmitt triggers, while beneficial for noise immunity, must be carefully managed to prevent introducing timing errors in high-speed applications where harmonic distortion control remains essential.
Unlock deeper insights with Patsnap Eureka Quick Research — get a full tech report to explore trends and direct your research. Try now!
Generate Your Research Report Instantly with AI Agent
Supercharge your innovation with Patsnap Eureka AI Agent Platform!