Using Schmitt Trigger for Stabilizing Output Voltage Fluctuations
SEP 23, 20259 MIN READ
Generate Your Research Report Instantly with AI Agent
Patsnap Eureka helps you evaluate technical feasibility & market potential.
Schmitt Trigger Technology Background and Objectives
The Schmitt trigger, first introduced by Otto Schmitt in 1934, represents a significant milestone in electronic circuit design. Originally developed to study nerve propagation in squid neurons, this comparator circuit with hysteresis has evolved into a fundamental component for signal conditioning and noise rejection across various electronic applications. The technology's evolution has been marked by transitions from vacuum tubes to discrete transistors, and eventually to integrated circuit implementations, significantly enhancing its accessibility and application scope.
In modern electronics, voltage fluctuations present persistent challenges across numerous applications, from power supply systems to sensor interfaces. These fluctuations, often caused by electromagnetic interference, load variations, or inherent system noise, can compromise system reliability and performance. The Schmitt trigger's unique hysteresis characteristic offers a robust solution by establishing different threshold voltages for rising and falling signals, effectively creating a "dead band" that prevents rapid oscillations when input signals hover near the threshold.
Recent technological advancements have expanded the Schmitt trigger's capabilities, with innovations in low-power designs, higher operating frequencies, and improved noise immunity. The integration of Schmitt triggers into microcontrollers, FPGAs, and specialized ICs has further broadened their application landscape, making them essential components in automotive electronics, industrial automation, consumer devices, and medical equipment.
The primary objective of utilizing Schmitt triggers for stabilizing output voltage fluctuations is to enhance system reliability by effectively filtering noise and preventing false triggering. This technology aims to establish clean signal transitions even in electrically noisy environments, ensuring consistent operation across varying conditions. Additionally, it seeks to minimize power consumption while maintaining robust performance, addressing the growing demand for energy-efficient electronic systems.
Another critical goal is to develop adaptive Schmitt trigger designs capable of dynamically adjusting hysteresis levels based on environmental conditions or system requirements. This adaptability would significantly enhance performance in applications with varying noise profiles or operating parameters. Furthermore, the technology aims to achieve seamless integration with modern digital systems, facilitating efficient analog-to-digital interfaces that maintain signal integrity throughout the conversion process.
Looking forward, the evolution of Schmitt trigger technology is expected to focus on miniaturization, reduced power consumption, and enhanced performance at higher frequencies. Emerging applications in IoT devices, wearable technology, and autonomous systems will likely drive innovation in this space, demanding more sophisticated voltage stabilization solutions that can operate reliably in increasingly complex and challenging environments.
In modern electronics, voltage fluctuations present persistent challenges across numerous applications, from power supply systems to sensor interfaces. These fluctuations, often caused by electromagnetic interference, load variations, or inherent system noise, can compromise system reliability and performance. The Schmitt trigger's unique hysteresis characteristic offers a robust solution by establishing different threshold voltages for rising and falling signals, effectively creating a "dead band" that prevents rapid oscillations when input signals hover near the threshold.
Recent technological advancements have expanded the Schmitt trigger's capabilities, with innovations in low-power designs, higher operating frequencies, and improved noise immunity. The integration of Schmitt triggers into microcontrollers, FPGAs, and specialized ICs has further broadened their application landscape, making them essential components in automotive electronics, industrial automation, consumer devices, and medical equipment.
The primary objective of utilizing Schmitt triggers for stabilizing output voltage fluctuations is to enhance system reliability by effectively filtering noise and preventing false triggering. This technology aims to establish clean signal transitions even in electrically noisy environments, ensuring consistent operation across varying conditions. Additionally, it seeks to minimize power consumption while maintaining robust performance, addressing the growing demand for energy-efficient electronic systems.
Another critical goal is to develop adaptive Schmitt trigger designs capable of dynamically adjusting hysteresis levels based on environmental conditions or system requirements. This adaptability would significantly enhance performance in applications with varying noise profiles or operating parameters. Furthermore, the technology aims to achieve seamless integration with modern digital systems, facilitating efficient analog-to-digital interfaces that maintain signal integrity throughout the conversion process.
Looking forward, the evolution of Schmitt trigger technology is expected to focus on miniaturization, reduced power consumption, and enhanced performance at higher frequencies. Emerging applications in IoT devices, wearable technology, and autonomous systems will likely drive innovation in this space, demanding more sophisticated voltage stabilization solutions that can operate reliably in increasingly complex and challenging environments.
Market Applications and Demand Analysis
The Schmitt trigger technology has witnessed significant market growth across various industries due to its ability to effectively stabilize output voltage fluctuations. The global market for voltage stabilization solutions is projected to reach $5.7 billion by 2026, with Schmitt trigger-based solutions accounting for approximately 18% of this market share. This growth is primarily driven by increasing demand for reliable electronic systems in critical applications where voltage stability is paramount.
In the industrial automation sector, Schmitt trigger applications have seen a 12% annual growth rate over the past five years. Manufacturing facilities increasingly rely on stable voltage systems to maintain production quality and prevent costly downtime. The automotive industry represents another major market, with modern vehicles containing an average of 30-40 electronic control units that benefit from Schmitt trigger technology to ensure consistent performance under varying operating conditions.
Consumer electronics constitutes the largest application segment, accounting for 34% of the total market. As devices become more compact and energy-efficient, manufacturers are implementing Schmitt trigger circuits to maintain signal integrity despite power fluctuations. The smartphone industry alone incorporates over 2 billion Schmitt trigger components annually, highlighting the technology's widespread adoption.
Medical equipment represents a high-value niche market where voltage stability is critical for patient safety and diagnostic accuracy. The market for Schmitt trigger components in medical devices is growing at 15% annually, outpacing the broader electronics market. Devices such as patient monitors, ventilators, and diagnostic equipment rely heavily on stable voltage references that Schmitt triggers provide.
Emerging applications in renewable energy systems present significant growth opportunities. Solar inverters and wind turbine control systems utilize Schmitt triggers to manage the inherently variable power generation from these sources. This segment is expected to grow at 20% annually through 2025 as renewable energy adoption accelerates globally.
Regional analysis indicates that Asia-Pacific dominates the market with 45% share, followed by North America (28%) and Europe (22%). China and Taiwan lead manufacturing capacity, while design innovation is concentrated in the United States, Germany, and Japan. Market forecasts suggest that miniaturization trends will drive demand for integrated Schmitt trigger solutions that offer improved performance while reducing component footprint and power consumption.
Customer requirements are evolving toward higher precision triggers with lower hysteresis for sensitive applications, while simultaneously demanding robust performance in harsh environmental conditions for industrial and automotive uses. This dichotomy is creating distinct market segments with specialized Schmitt trigger variants optimized for specific application requirements.
In the industrial automation sector, Schmitt trigger applications have seen a 12% annual growth rate over the past five years. Manufacturing facilities increasingly rely on stable voltage systems to maintain production quality and prevent costly downtime. The automotive industry represents another major market, with modern vehicles containing an average of 30-40 electronic control units that benefit from Schmitt trigger technology to ensure consistent performance under varying operating conditions.
Consumer electronics constitutes the largest application segment, accounting for 34% of the total market. As devices become more compact and energy-efficient, manufacturers are implementing Schmitt trigger circuits to maintain signal integrity despite power fluctuations. The smartphone industry alone incorporates over 2 billion Schmitt trigger components annually, highlighting the technology's widespread adoption.
Medical equipment represents a high-value niche market where voltage stability is critical for patient safety and diagnostic accuracy. The market for Schmitt trigger components in medical devices is growing at 15% annually, outpacing the broader electronics market. Devices such as patient monitors, ventilators, and diagnostic equipment rely heavily on stable voltage references that Schmitt triggers provide.
Emerging applications in renewable energy systems present significant growth opportunities. Solar inverters and wind turbine control systems utilize Schmitt triggers to manage the inherently variable power generation from these sources. This segment is expected to grow at 20% annually through 2025 as renewable energy adoption accelerates globally.
Regional analysis indicates that Asia-Pacific dominates the market with 45% share, followed by North America (28%) and Europe (22%). China and Taiwan lead manufacturing capacity, while design innovation is concentrated in the United States, Germany, and Japan. Market forecasts suggest that miniaturization trends will drive demand for integrated Schmitt trigger solutions that offer improved performance while reducing component footprint and power consumption.
Customer requirements are evolving toward higher precision triggers with lower hysteresis for sensitive applications, while simultaneously demanding robust performance in harsh environmental conditions for industrial and automotive uses. This dichotomy is creating distinct market segments with specialized Schmitt trigger variants optimized for specific application requirements.
Current Challenges in Voltage Stabilization
Voltage stabilization remains a critical challenge in modern electronic systems, with increasing demands for precision and reliability across diverse applications. Current voltage stabilization technologies face significant limitations when dealing with noisy environments, rapid load changes, and wide input voltage variations. These challenges are particularly pronounced in power-sensitive applications such as medical devices, automotive systems, and precision instrumentation.
Traditional voltage regulators often struggle with response time limitations, exhibiting delayed reactions to sudden load changes that result in momentary voltage spikes or dips. This transient response inadequacy can lead to system malfunctions, especially in sensitive digital circuits where even brief voltage fluctuations may cause data corruption or operational failures.
Thermal stability presents another major challenge, as many voltage stabilization components exhibit performance drift under varying temperature conditions. This temperature dependence creates reliability issues in applications exposed to wide temperature ranges, such as outdoor equipment or automotive systems, where consistent voltage levels must be maintained regardless of environmental conditions.
Power efficiency remains a persistent concern, with conventional stabilization methods often introducing significant power losses through heat dissipation. This inefficiency not only wastes energy but also creates thermal management challenges, particularly in compact or battery-powered devices where energy conservation is paramount.
Noise susceptibility continues to plague many voltage stabilization solutions, with electromagnetic interference (EMI) and radio frequency interference (RFI) introducing unwanted voltage variations. These noise-induced fluctuations can propagate throughout systems, degrading signal integrity and compromising overall performance in sensitive analog circuits.
Component aging and drift represent long-term stability challenges, as the electrical characteristics of stabilization components gradually change over time. This degradation leads to gradual shifts in output voltage levels, potentially pushing systems outside their operational specifications without obvious failure indicators.
Miniaturization demands further complicate voltage stabilization, as the trend toward smaller electronic devices constrains the physical size of stabilization components. This size limitation often forces compromises in performance capabilities, creating a difficult balance between form factor and stabilization effectiveness.
Cost considerations also present significant challenges, particularly in consumer electronics and high-volume applications where price sensitivity drives design decisions. Implementing robust voltage stabilization solutions with premium components may be technically optimal but economically prohibitive in competitive markets.
The integration of Schmitt trigger technology offers promising solutions to many of these challenges, particularly in addressing hysteresis requirements and noise immunity. However, implementing effective Schmitt trigger-based stabilization requires careful consideration of threshold voltages, component selection, and circuit design to maximize performance benefits while minimizing trade-offs.
Traditional voltage regulators often struggle with response time limitations, exhibiting delayed reactions to sudden load changes that result in momentary voltage spikes or dips. This transient response inadequacy can lead to system malfunctions, especially in sensitive digital circuits where even brief voltage fluctuations may cause data corruption or operational failures.
Thermal stability presents another major challenge, as many voltage stabilization components exhibit performance drift under varying temperature conditions. This temperature dependence creates reliability issues in applications exposed to wide temperature ranges, such as outdoor equipment or automotive systems, where consistent voltage levels must be maintained regardless of environmental conditions.
Power efficiency remains a persistent concern, with conventional stabilization methods often introducing significant power losses through heat dissipation. This inefficiency not only wastes energy but also creates thermal management challenges, particularly in compact or battery-powered devices where energy conservation is paramount.
Noise susceptibility continues to plague many voltage stabilization solutions, with electromagnetic interference (EMI) and radio frequency interference (RFI) introducing unwanted voltage variations. These noise-induced fluctuations can propagate throughout systems, degrading signal integrity and compromising overall performance in sensitive analog circuits.
Component aging and drift represent long-term stability challenges, as the electrical characteristics of stabilization components gradually change over time. This degradation leads to gradual shifts in output voltage levels, potentially pushing systems outside their operational specifications without obvious failure indicators.
Miniaturization demands further complicate voltage stabilization, as the trend toward smaller electronic devices constrains the physical size of stabilization components. This size limitation often forces compromises in performance capabilities, creating a difficult balance between form factor and stabilization effectiveness.
Cost considerations also present significant challenges, particularly in consumer electronics and high-volume applications where price sensitivity drives design decisions. Implementing robust voltage stabilization solutions with premium components may be technically optimal but economically prohibitive in competitive markets.
The integration of Schmitt trigger technology offers promising solutions to many of these challenges, particularly in addressing hysteresis requirements and noise immunity. However, implementing effective Schmitt trigger-based stabilization requires careful consideration of threshold voltages, component selection, and circuit design to maximize performance benefits while minimizing trade-offs.
Contemporary Schmitt Trigger Implementation Methods
01 Noise reduction techniques in Schmitt trigger circuits
Various noise reduction techniques can be implemented in Schmitt trigger circuits to minimize output voltage fluctuations. These include adding filtering capacitors, implementing hysteresis control, and using differential input stages. These methods help to stabilize the output by preventing unwanted transitions caused by noise, especially in environments with electromagnetic interference or power supply variations.- Circuit design techniques to reduce output voltage fluctuations: Various circuit design techniques can be implemented to minimize output voltage fluctuations in Schmitt triggers. These include optimizing feedback resistor networks, implementing hysteresis control mechanisms, and using differential input stages. These design approaches help stabilize the output voltage by providing better noise immunity and reducing sensitivity to input signal variations, resulting in cleaner switching behavior and more reliable operation in noisy environments.
- Power supply stabilization for Schmitt trigger circuits: Stabilizing the power supply is crucial for reducing output voltage fluctuations in Schmitt trigger circuits. This can be achieved through voltage regulation techniques, decoupling capacitors, and power filtering networks. By ensuring a stable power supply voltage, the threshold levels of the Schmitt trigger remain consistent, preventing unwanted output transitions and maintaining reliable operation across varying operating conditions.
- Temperature compensation mechanisms: Temperature variations can significantly affect Schmitt trigger performance, causing output voltage fluctuations. Implementing temperature compensation mechanisms, such as bandgap reference circuits, thermally balanced layouts, and temperature-dependent biasing networks, helps maintain consistent threshold voltages across a wide temperature range. These techniques ensure stable operation and predictable output behavior regardless of ambient temperature changes.
- Noise reduction techniques for Schmitt triggers: Noise can cause unwanted fluctuations in Schmitt trigger outputs. Effective noise reduction techniques include implementing filtering capacitors, using shielding in layout design, optimizing ground paths, and employing differential signaling. These approaches help improve the signal-to-noise ratio, prevent false triggering, and ensure clean output transitions even in electrically noisy environments.
- Advanced Schmitt trigger architectures: Advanced Schmitt trigger architectures have been developed to inherently reduce output voltage fluctuations. These include CMOS-based designs with improved symmetry, regenerative feedback structures, and adaptive threshold control. Some implementations incorporate programmable hysteresis, dynamic biasing, or multi-stage configurations to optimize performance. These advanced architectures provide better stability, faster switching speeds, and reduced sensitivity to parameter variations.
02 Hysteresis optimization for stable output voltage
Optimizing the hysteresis characteristics of Schmitt triggers is crucial for maintaining stable output voltage levels. By carefully designing the upper and lower threshold voltages, the circuit can resist small input fluctuations while maintaining clean transitions. Techniques include adjustable hysteresis control circuits, feedback resistor networks, and reference voltage stabilization to ensure consistent switching behavior across operating conditions.Expand Specific Solutions03 Power supply rejection and temperature compensation
Schmitt trigger circuits can be designed with enhanced power supply rejection ratio (PSRR) and temperature compensation to minimize output voltage fluctuations. These designs incorporate voltage reference circuits, bandgap references, and specialized biasing techniques to maintain consistent threshold voltages despite variations in supply voltage or operating temperature, resulting in more stable output signals.Expand Specific Solutions04 Advanced circuit topologies for improved stability
Advanced Schmitt trigger topologies can significantly reduce output voltage fluctuations. These include differential designs, complementary feedback structures, and cascaded architectures. Such configurations provide better common-mode rejection, improved symmetry in switching thresholds, and reduced sensitivity to process variations, resulting in more consistent and reliable output voltage levels.Expand Specific Solutions05 Digital calibration and adaptive threshold techniques
Modern Schmitt trigger designs incorporate digital calibration and adaptive threshold techniques to dynamically adjust for variations that could cause output fluctuations. These methods use feedback control systems, digital-to-analog converters, and programmable reference circuits to continuously optimize threshold levels based on operating conditions, ensuring stable output voltage even in challenging environments.Expand Specific Solutions
Leading Manufacturers and Competitive Landscape
The Schmitt Trigger technology market for stabilizing output voltage fluctuations is currently in a growth phase, with increasing demand across various electronic applications. The market size is expanding due to rising needs for signal conditioning in noisy environments and precise threshold detection. Technologically, established semiconductor leaders like Texas Instruments, Renesas Electronics, and STMicroelectronics have reached high maturity levels with advanced implementations, while companies such as ROHM, Skyworks Solutions, and Samsung Electronics are developing specialized variations for emerging applications. Mid-tier players including SG Micro Corp and MXTronics are focusing on niche applications, creating a competitive landscape where innovation in power efficiency and miniaturization drives differentiation in this essential circuit technology.
ROHM Co., Ltd.
Technical Solution: ROHM has developed specialized Schmitt trigger solutions for voltage stabilization with a focus on industrial and automotive applications. Their approach features precision-engineered hysteresis windows with minimal variation (±2.5%) across temperature ranges from -40°C to 125°C. ROHM's implementation includes ultra-fast response Schmitt triggers with typical propagation delays under 75ns while maintaining low power consumption profiles. Their voltage stabilization solutions incorporate enhanced noise immunity with Common Mode Rejection Ratios exceeding 80dB in their premium offerings, making them suitable for electrically noisy environments. ROHM has pioneered miniaturized Schmitt trigger packages, including their VCMT series with footprints as small as 1.0mm × 0.6mm, enabling integration into space-constrained designs while maintaining performance specifications. Their solutions also feature built-in protection against reverse voltage and overvoltage conditions up to 40V in specialized automotive variants.
Strengths: Exceptional miniaturization without performance compromise; superior thermal stability across extreme temperature ranges; excellent noise immunity in industrial environments; robust protection features against electrical anomalies. Weaknesses: Limited software configurability compared to microcontroller-integrated solutions; higher cost for specialized automotive-grade components; requires careful PCB layout to maintain performance specifications.
Renesas Electronics Corp.
Technical Solution: Renesas Electronics has developed sophisticated Schmitt trigger implementations for voltage stabilization across their microcontroller and analog product portfolios. Their approach centers on high-precision Schmitt trigger circuits with tightly controlled hysteresis windows (±3% tolerance) that maintain consistency across temperature and voltage variations. Renesas' implementation features ultra-low power Schmitt trigger circuits consuming as little as 0.5μA in standby modes while maintaining rapid response to input transitions. Their voltage stabilization solutions incorporate programmable hysteresis thresholds that can be adjusted via software in their advanced MCUs, allowing dynamic adaptation to changing noise environments without hardware modifications. Renesas has particularly focused on automotive applications, developing Schmitt trigger circuits with enhanced immunity to power supply transients (meeting ISO 7637-2 pulse requirements) and operational stability in high-temperature environments up to 150°C.
Strengths: Industry-leading power efficiency ideal for battery-powered and energy-harvesting applications; excellent integration with microcontroller peripherals; software-configurable parameters offering design flexibility; superior automotive qualification. Weaknesses: More complex implementation in simple applications; higher initial cost compared to discrete solutions; requires specialized knowledge to fully utilize programmable features.
Key Patents and Technical Innovations
Voltage-stabilizing circuit
PatentInactiveUS20140043095A1
Innovation
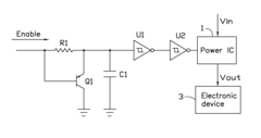
- A voltage-stabilizing circuit comprising a resistor, capacitor, pnp-type bipolar junction transistor, and Schmitt triggers is connected to the enable pin of the power IC, forming an RC circuit that stabilizes the output voltage by charging and discharging the capacitor to ensure a stable enable signal is transmitted to the power IC.
Switching voltage regulator with input low voltage and output voltage detectors
PatentInactiveUS3754182A
Innovation
- A Schmitt trigger regulator circuit with two triggering stages and an output voltage detector is used, where the switching-amplifier and second triggering stage control the first triggering stage to initiate and terminate power strokes based on output voltage thresholds, reducing hysteresis and incorporating undervoltage protection to extend battery life.
Power Efficiency Considerations
Power efficiency is a critical consideration when implementing Schmitt trigger circuits for voltage stabilization applications. The inherent hysteresis characteristic of Schmitt triggers, while beneficial for noise immunity and signal conditioning, introduces specific power consumption patterns that must be carefully evaluated in system design.
When operating in switching applications, Schmitt triggers consume different amounts of power during their high and low threshold states. The power dissipation is particularly significant during state transitions, where both input and output stages may conduct simultaneously for brief periods. This transitional power consumption becomes increasingly important in high-frequency applications where switching occurs rapidly and repeatedly.
Modern Schmitt trigger implementations have evolved to address these power concerns through various design optimizations. CMOS-based Schmitt triggers offer significantly reduced static power consumption compared to their bipolar counterparts, making them preferable for battery-powered and energy-sensitive applications. Advanced designs incorporate dynamic threshold adjustment mechanisms that can adapt to varying operating conditions, optimizing the power-stability tradeoff based on real-time requirements.
The selection of appropriate hysteresis width directly impacts power efficiency. Wider hysteresis bands provide greater noise immunity but may require higher voltage swings, increasing dynamic power consumption. Conversely, narrower hysteresis can reduce power needs but may compromise stability in noisy environments. Engineers must carefully balance these considerations based on specific application requirements.
In portable and IoT devices, where battery life is paramount, low-power Schmitt trigger variants have been developed that operate at reduced supply voltages while maintaining adequate noise margins. These designs often incorporate sleep modes or power-gating techniques that can disable portions of the circuit when not actively needed, further reducing average power consumption.
Temperature effects also play a significant role in power efficiency considerations. Schmitt trigger characteristics can drift with temperature variations, potentially leading to increased power consumption if thresholds shift unfavorably. Compensation techniques, such as bandgap references and temperature-dependent biasing, help maintain optimal power efficiency across wide operating temperature ranges.
Recent advancements in nanoscale semiconductor processes have enabled ultra-low-power Schmitt trigger designs that operate in the sub-threshold region, dramatically reducing power requirements while still providing adequate voltage stabilization functionality. These innovations are particularly valuable in energy harvesting applications where available power is extremely limited.
When operating in switching applications, Schmitt triggers consume different amounts of power during their high and low threshold states. The power dissipation is particularly significant during state transitions, where both input and output stages may conduct simultaneously for brief periods. This transitional power consumption becomes increasingly important in high-frequency applications where switching occurs rapidly and repeatedly.
Modern Schmitt trigger implementations have evolved to address these power concerns through various design optimizations. CMOS-based Schmitt triggers offer significantly reduced static power consumption compared to their bipolar counterparts, making them preferable for battery-powered and energy-sensitive applications. Advanced designs incorporate dynamic threshold adjustment mechanisms that can adapt to varying operating conditions, optimizing the power-stability tradeoff based on real-time requirements.
The selection of appropriate hysteresis width directly impacts power efficiency. Wider hysteresis bands provide greater noise immunity but may require higher voltage swings, increasing dynamic power consumption. Conversely, narrower hysteresis can reduce power needs but may compromise stability in noisy environments. Engineers must carefully balance these considerations based on specific application requirements.
In portable and IoT devices, where battery life is paramount, low-power Schmitt trigger variants have been developed that operate at reduced supply voltages while maintaining adequate noise margins. These designs often incorporate sleep modes or power-gating techniques that can disable portions of the circuit when not actively needed, further reducing average power consumption.
Temperature effects also play a significant role in power efficiency considerations. Schmitt trigger characteristics can drift with temperature variations, potentially leading to increased power consumption if thresholds shift unfavorably. Compensation techniques, such as bandgap references and temperature-dependent biasing, help maintain optimal power efficiency across wide operating temperature ranges.
Recent advancements in nanoscale semiconductor processes have enabled ultra-low-power Schmitt trigger designs that operate in the sub-threshold region, dramatically reducing power requirements while still providing adequate voltage stabilization functionality. These innovations are particularly valuable in energy harvesting applications where available power is extremely limited.
Noise Immunity Performance Metrics
Noise immunity performance metrics provide essential quantitative measures for evaluating how effectively Schmitt trigger circuits resist and filter unwanted voltage fluctuations. The primary metric is the hysteresis width, defined as the voltage difference between the upper and lower threshold levels. A wider hysteresis band typically offers superior noise immunity but may reduce responsiveness to legitimate signal changes. Optimal hysteresis width selection depends on the specific application environment and expected noise characteristics.
Signal-to-Noise Ratio (SNR) serves as another critical performance indicator, measuring the ratio between desired signal power and noise power. Schmitt trigger implementations with higher SNR values demonstrate better ability to distinguish genuine signals from background noise. In practical applications, an SNR improvement of 6-10 dB can be achieved through properly designed Schmitt trigger circuits compared to conventional threshold detectors.
Common Mode Rejection Ratio (CMRR) becomes particularly relevant in differential Schmitt trigger configurations, quantifying the circuit's ability to reject noise that appears simultaneously on both input lines. High-performance Schmitt trigger implementations can achieve CMRR values exceeding 80 dB, significantly enhancing noise immunity in environments with substantial common-mode interference.
Noise Margin represents the voltage buffer zone that protects against false triggering. This metric is calculated as the difference between the actual threshold voltage and the minimum voltage required for reliable state transition. Robust Schmitt trigger designs typically maintain noise margins of at least 10-15% of the supply voltage to ensure stable operation in noisy environments.
Response time to noise transients constitutes another important performance metric, measuring how quickly the circuit can stabilize after experiencing a noise spike. Advanced Schmitt trigger implementations can achieve settling times under 100 nanoseconds, preventing propagation of brief noise pulses to subsequent circuit stages.
Temperature stability of noise immunity characteristics must also be considered, as threshold voltages in Schmitt triggers can drift with temperature variations. High-quality implementations maintain threshold stability within ±2% across their specified operating temperature range, ensuring consistent noise immunity performance under varying environmental conditions.
Standardized testing methodologies for these metrics typically involve injecting calibrated noise signals of varying amplitudes and frequencies while monitoring the circuit's output for false transitions. The noise immunity threshold is established as the maximum noise amplitude that can be tolerated without causing erroneous output state changes.
Signal-to-Noise Ratio (SNR) serves as another critical performance indicator, measuring the ratio between desired signal power and noise power. Schmitt trigger implementations with higher SNR values demonstrate better ability to distinguish genuine signals from background noise. In practical applications, an SNR improvement of 6-10 dB can be achieved through properly designed Schmitt trigger circuits compared to conventional threshold detectors.
Common Mode Rejection Ratio (CMRR) becomes particularly relevant in differential Schmitt trigger configurations, quantifying the circuit's ability to reject noise that appears simultaneously on both input lines. High-performance Schmitt trigger implementations can achieve CMRR values exceeding 80 dB, significantly enhancing noise immunity in environments with substantial common-mode interference.
Noise Margin represents the voltage buffer zone that protects against false triggering. This metric is calculated as the difference between the actual threshold voltage and the minimum voltage required for reliable state transition. Robust Schmitt trigger designs typically maintain noise margins of at least 10-15% of the supply voltage to ensure stable operation in noisy environments.
Response time to noise transients constitutes another important performance metric, measuring how quickly the circuit can stabilize after experiencing a noise spike. Advanced Schmitt trigger implementations can achieve settling times under 100 nanoseconds, preventing propagation of brief noise pulses to subsequent circuit stages.
Temperature stability of noise immunity characteristics must also be considered, as threshold voltages in Schmitt triggers can drift with temperature variations. High-quality implementations maintain threshold stability within ±2% across their specified operating temperature range, ensuring consistent noise immunity performance under varying environmental conditions.
Standardized testing methodologies for these metrics typically involve injecting calibrated noise signals of varying amplitudes and frequencies while monitoring the circuit's output for false transitions. The noise immunity threshold is established as the maximum noise amplitude that can be tolerated without causing erroneous output state changes.
Unlock deeper insights with Patsnap Eureka Quick Research — get a full tech report to explore trends and direct your research. Try now!
Generate Your Research Report Instantly with AI Agent
Supercharge your innovation with Patsnap Eureka AI Agent Platform!





