Proximity Sensors vs Optical Sensors: Comparing Light Interference Resilience
SEP 24, 202510 MIN READ
 Generate Your Research Report Instantly with AI Agent 
 Patsnap Eureka helps you evaluate technical feasibility & market potential. 
Sensor Technology Background and Objectives
Sensor technology has evolved significantly over the past decades, transforming from simple mechanical switches to sophisticated electronic systems capable of detecting various physical parameters. Proximity and optical sensors represent two major categories within this technological landscape, each with distinct operating principles and applications. Proximity sensors detect objects without physical contact using electromagnetic fields, capacitance, or sound waves, while optical sensors rely on light emission and detection to identify objects or measure distances.
The development trajectory of these sensor technologies has been shaped by increasing demands for precision, reliability, and resilience in diverse operating environments. Early proximity sensors were primarily used in industrial settings for basic object detection, while optical sensors found applications in consumer electronics and automation systems. The convergence of these technologies with microelectronics and signal processing capabilities has dramatically expanded their functionality and application scope.
Light interference represents a significant challenge in sensor technology, particularly for optical sensors that inherently depend on light for their operation. Environmental factors such as ambient light variations, reflective surfaces, and atmospheric conditions can compromise sensor performance. This vulnerability has historically limited the deployment of optical sensors in certain environments, despite their advantages in resolution and speed.
The technical objective of this research is to comprehensively evaluate and compare the resilience of proximity and optical sensors to light interference across various operational scenarios. This comparison aims to identify the strengths and limitations of each technology when exposed to challenging lighting conditions, providing insights for appropriate sensor selection in different applications.
Recent technological advancements have introduced innovative approaches to enhance light interference resilience in both sensor types. For proximity sensors, developments include improved shielding techniques and advanced signal processing algorithms. Optical sensors have benefited from wavelength-specific filters, modulated light sources, and sophisticated ambient light rejection methods. These improvements have significantly expanded the practical applications of both sensor types.
The evolution of sensor technology continues to be driven by emerging application requirements in autonomous vehicles, robotics, smart manufacturing, and consumer electronics. Each of these domains presents unique challenges regarding light interference, from the variable lighting conditions encountered by autonomous vehicles to the controlled but complex environments of manufacturing facilities.
Understanding the comparative resilience of proximity and optical sensors to light interference is crucial for future technological development and application-specific sensor selection. This research seeks to establish a framework for evaluating sensor performance under various lighting conditions, contributing to the broader goal of creating more robust and versatile sensing solutions for next-generation systems.
The development trajectory of these sensor technologies has been shaped by increasing demands for precision, reliability, and resilience in diverse operating environments. Early proximity sensors were primarily used in industrial settings for basic object detection, while optical sensors found applications in consumer electronics and automation systems. The convergence of these technologies with microelectronics and signal processing capabilities has dramatically expanded their functionality and application scope.
Light interference represents a significant challenge in sensor technology, particularly for optical sensors that inherently depend on light for their operation. Environmental factors such as ambient light variations, reflective surfaces, and atmospheric conditions can compromise sensor performance. This vulnerability has historically limited the deployment of optical sensors in certain environments, despite their advantages in resolution and speed.
The technical objective of this research is to comprehensively evaluate and compare the resilience of proximity and optical sensors to light interference across various operational scenarios. This comparison aims to identify the strengths and limitations of each technology when exposed to challenging lighting conditions, providing insights for appropriate sensor selection in different applications.
Recent technological advancements have introduced innovative approaches to enhance light interference resilience in both sensor types. For proximity sensors, developments include improved shielding techniques and advanced signal processing algorithms. Optical sensors have benefited from wavelength-specific filters, modulated light sources, and sophisticated ambient light rejection methods. These improvements have significantly expanded the practical applications of both sensor types.
The evolution of sensor technology continues to be driven by emerging application requirements in autonomous vehicles, robotics, smart manufacturing, and consumer electronics. Each of these domains presents unique challenges regarding light interference, from the variable lighting conditions encountered by autonomous vehicles to the controlled but complex environments of manufacturing facilities.
Understanding the comparative resilience of proximity and optical sensors to light interference is crucial for future technological development and application-specific sensor selection. This research seeks to establish a framework for evaluating sensor performance under various lighting conditions, contributing to the broader goal of creating more robust and versatile sensing solutions for next-generation systems.
Market Demand Analysis for Interference-Resistant Sensors
The global market for interference-resistant sensors has been experiencing robust growth, driven primarily by the increasing adoption of automation technologies across various industries. The demand for sensors that can operate reliably in challenging lighting conditions has become particularly acute in automotive, consumer electronics, industrial automation, and healthcare sectors.
In the automotive industry, the transition towards advanced driver-assistance systems (ADAS) and autonomous vehicles has significantly amplified the need for sensors that maintain performance integrity regardless of ambient light conditions. Market research indicates that proximity sensors with superior light interference resilience are becoming essential components in these applications, with the automotive sensor market projected to grow at a compound annual rate exceeding 8% through 2028.
Consumer electronics represents another substantial market segment driving demand for interference-resistant sensors. Smartphones, tablets, and wearable devices increasingly incorporate proximity and optical sensors for features such as automatic screen dimming, gesture recognition, and health monitoring. Manufacturers are actively seeking sensor solutions that perform consistently across diverse lighting environments, from direct sunlight to complete darkness.
The industrial automation sector presents a particularly compelling case for interference-resistant sensors. Factory floors, warehouses, and processing facilities often feature variable lighting conditions, including bright overhead lights, shadows, and occasionally direct sunlight through windows. In these environments, the reliability of sensor readings directly impacts operational efficiency and safety. The industrial IoT sensor market has been expanding rapidly, with particular emphasis on sensors that maintain accuracy despite challenging ambient conditions.
Healthcare applications represent an emerging but rapidly growing market for interference-resistant sensing technologies. Medical devices, diagnostic equipment, and patient monitoring systems increasingly rely on optical and proximity sensors for critical functions. The healthcare sensor market is expected to grow substantially, with particular demand for sensors that deliver consistent performance in varied hospital and home care lighting environments.
Regional analysis reveals that North America and Europe currently lead in adoption of advanced interference-resistant sensors, primarily due to their established industrial bases and automotive manufacturing sectors. However, the Asia-Pacific region is demonstrating the fastest growth rate, driven by rapid industrialization, expanding consumer electronics manufacturing, and increasing automotive production capabilities.
End-user feedback consistently highlights the need for sensors that maintain accuracy across diverse lighting conditions as a critical purchasing factor. This is particularly evident in applications where sensor failures or inaccuracies could lead to safety concerns, production inefficiencies, or compromised user experiences.
In the automotive industry, the transition towards advanced driver-assistance systems (ADAS) and autonomous vehicles has significantly amplified the need for sensors that maintain performance integrity regardless of ambient light conditions. Market research indicates that proximity sensors with superior light interference resilience are becoming essential components in these applications, with the automotive sensor market projected to grow at a compound annual rate exceeding 8% through 2028.
Consumer electronics represents another substantial market segment driving demand for interference-resistant sensors. Smartphones, tablets, and wearable devices increasingly incorporate proximity and optical sensors for features such as automatic screen dimming, gesture recognition, and health monitoring. Manufacturers are actively seeking sensor solutions that perform consistently across diverse lighting environments, from direct sunlight to complete darkness.
The industrial automation sector presents a particularly compelling case for interference-resistant sensors. Factory floors, warehouses, and processing facilities often feature variable lighting conditions, including bright overhead lights, shadows, and occasionally direct sunlight through windows. In these environments, the reliability of sensor readings directly impacts operational efficiency and safety. The industrial IoT sensor market has been expanding rapidly, with particular emphasis on sensors that maintain accuracy despite challenging ambient conditions.
Healthcare applications represent an emerging but rapidly growing market for interference-resistant sensing technologies. Medical devices, diagnostic equipment, and patient monitoring systems increasingly rely on optical and proximity sensors for critical functions. The healthcare sensor market is expected to grow substantially, with particular demand for sensors that deliver consistent performance in varied hospital and home care lighting environments.
Regional analysis reveals that North America and Europe currently lead in adoption of advanced interference-resistant sensors, primarily due to their established industrial bases and automotive manufacturing sectors. However, the Asia-Pacific region is demonstrating the fastest growth rate, driven by rapid industrialization, expanding consumer electronics manufacturing, and increasing automotive production capabilities.
End-user feedback consistently highlights the need for sensors that maintain accuracy across diverse lighting conditions as a critical purchasing factor. This is particularly evident in applications where sensor failures or inaccuracies could lead to safety concerns, production inefficiencies, or compromised user experiences.
Current Challenges in Light Interference Resilience
Light interference presents a significant challenge for both proximity and optical sensors, affecting their reliability and accuracy in various applications. The susceptibility to light interference varies considerably between these sensor types, with each exhibiting distinct vulnerabilities and resilience mechanisms.
Proximity sensors, particularly infrared (IR) based systems, face substantial challenges when operating in environments with strong ambient light or direct sunlight. These conditions can saturate the sensor's photodetector, leading to false readings or complete sensor blindness. The problem is exacerbated in outdoor applications or indoor settings with large windows where light conditions fluctuate dramatically throughout the day.
Optical sensors encounter similar challenges but with different manifestations. Camera-based optical sensors suffer from glare, reflections, and variable lighting conditions that can drastically reduce image quality and feature recognition capabilities. This is particularly problematic in applications requiring precise object detection or tracking, such as in autonomous vehicles or industrial quality control systems.
The wavelength overlap between ambient light sources and sensor operating frequencies creates a fundamental physical limitation. Most proximity sensors operate in the near-infrared spectrum (850-940nm), which overlaps significantly with the spectral output of sunlight and many artificial light sources. This spectral interference cannot be completely eliminated through hardware design alone.
Current filtering technologies offer partial solutions but introduce their own limitations. Optical bandpass filters can reduce unwanted wavelengths but also attenuate the desired signal, requiring more powerful emitters that consume additional power. This creates a challenging trade-off between interference rejection and energy efficiency, particularly critical for battery-powered devices.
Temporal filtering techniques, such as synchronous detection and phase-locked amplification, help mitigate interference but add complexity and cost to sensor designs. These approaches also introduce latency, which can be problematic for time-sensitive applications requiring rapid response.
The miniaturization trend in consumer electronics compounds these challenges, as smaller form factors limit the physical space available for implementing robust optical isolation and filtering components. This constraint is particularly evident in wearable devices and smartphones, where proximity sensors must operate reliably despite severe design constraints.
Cross-technology interference is emerging as an additional concern, with the proliferation of IR-based systems in consumer and industrial environments creating a more complex electromagnetic landscape. Sensors must now contend not only with natural light sources but also with potential interference from other nearby sensing systems operating in similar spectral ranges.
Proximity sensors, particularly infrared (IR) based systems, face substantial challenges when operating in environments with strong ambient light or direct sunlight. These conditions can saturate the sensor's photodetector, leading to false readings or complete sensor blindness. The problem is exacerbated in outdoor applications or indoor settings with large windows where light conditions fluctuate dramatically throughout the day.
Optical sensors encounter similar challenges but with different manifestations. Camera-based optical sensors suffer from glare, reflections, and variable lighting conditions that can drastically reduce image quality and feature recognition capabilities. This is particularly problematic in applications requiring precise object detection or tracking, such as in autonomous vehicles or industrial quality control systems.
The wavelength overlap between ambient light sources and sensor operating frequencies creates a fundamental physical limitation. Most proximity sensors operate in the near-infrared spectrum (850-940nm), which overlaps significantly with the spectral output of sunlight and many artificial light sources. This spectral interference cannot be completely eliminated through hardware design alone.
Current filtering technologies offer partial solutions but introduce their own limitations. Optical bandpass filters can reduce unwanted wavelengths but also attenuate the desired signal, requiring more powerful emitters that consume additional power. This creates a challenging trade-off between interference rejection and energy efficiency, particularly critical for battery-powered devices.
Temporal filtering techniques, such as synchronous detection and phase-locked amplification, help mitigate interference but add complexity and cost to sensor designs. These approaches also introduce latency, which can be problematic for time-sensitive applications requiring rapid response.
The miniaturization trend in consumer electronics compounds these challenges, as smaller form factors limit the physical space available for implementing robust optical isolation and filtering components. This constraint is particularly evident in wearable devices and smartphones, where proximity sensors must operate reliably despite severe design constraints.
Cross-technology interference is emerging as an additional concern, with the proliferation of IR-based systems in consumer and industrial environments creating a more complex electromagnetic landscape. Sensors must now contend not only with natural light sources but also with potential interference from other nearby sensing systems operating in similar spectral ranges.
Existing Solutions for Light Interference Mitigation
01 Optical filtering techniques for interference reduction
Various optical filtering techniques can be employed to reduce light interference in proximity and optical sensors. These include bandpass filters that only allow specific wavelengths to pass through, polarization filters that block light waves of certain orientations, and wavelength-selective coatings that can reject ambient light while allowing the sensor's operating wavelength to pass. These filtering methods significantly improve the signal-to-noise ratio in environments with high ambient light or competing light sources.- Optical filtering techniques for interference reduction: Various optical filtering techniques can be implemented to reduce light interference in proximity and optical sensors. These include bandpass filters that only allow specific wavelengths to pass through, polarization filters that block light waves of certain orientations, and wavelength-selective coatings that can reject ambient light while allowing the sensor's operating wavelength to pass. These filtering methods significantly improve sensor performance in environments with high ambient light or competing light sources.
 - Modulation and signal processing algorithms: Advanced modulation techniques and signal processing algorithms can be employed to distinguish between desired signals and interference. These include frequency modulation of the emitted light, phase-shift detection, time-of-flight measurements, and digital signal processing techniques such as adaptive filtering and correlation analysis. By encoding the sensor signal in a specific way, the system can effectively filter out unwanted ambient light interference and improve detection accuracy even in challenging lighting conditions.
 - Sensor design and physical shielding: Physical design considerations play a crucial role in making proximity and optical sensors resilient to light interference. This includes strategic placement of emitters and detectors, incorporation of light barriers or baffles, optical isolation techniques, and specialized housing designs that block stray light. Some sensors utilize recessed mounting or specialized geometries to create natural shading that prevents direct sunlight or ambient light from reaching the sensitive detector elements.
 - Adaptive sensing and calibration systems: Adaptive sensing technologies incorporate real-time calibration and environmental monitoring to adjust for changing light conditions. These systems may include ambient light sensors that continuously measure background illumination levels, allowing the main sensor to adjust its sensitivity or reference thresholds accordingly. Some implementations use machine learning algorithms to recognize and compensate for different types of interference patterns or employ periodic self-calibration routines to maintain accuracy despite environmental variations.
 - Multi-sensor fusion and redundancy: Combining data from multiple sensors or different sensing technologies can significantly improve resilience to light interference. This approach may involve using complementary sensors operating at different wavelengths, combining optical and non-optical sensing methods, or implementing redundant sensor arrays with voting algorithms. By cross-validating measurements across different sensor types or channels, the system can identify and reject readings corrupted by interference, ensuring reliable operation even when individual sensors are temporarily compromised by adverse lighting conditions.
 
02 Modulation and synchronization methods
Sensors can be made resilient to light interference through various modulation and synchronization techniques. By modulating the emitted light signal at specific frequencies and synchronizing the receiver to detect only signals at those frequencies, the system can effectively filter out continuous or differently modulated ambient light interference. Techniques include pulse modulation, frequency modulation, and phase-locked detection systems that can distinguish the sensor's signal from background noise even in challenging lighting conditions.Expand Specific Solutions03 Adaptive sensing algorithms and calibration
Advanced algorithms can dynamically adjust sensor sensitivity and thresholds based on ambient light conditions. These adaptive systems continuously monitor background light levels and automatically recalibrate to maintain optimal performance despite changing interference conditions. Machine learning approaches can be implemented to recognize and compensate for specific types of light interference patterns, while periodic self-calibration routines ensure long-term reliability in varying environments.Expand Specific Solutions04 Multi-sensor fusion and redundancy
Combining data from multiple sensors of different types can significantly improve resilience to light interference. By integrating readings from various sensor technologies (infrared, ultrasonic, capacitive, etc.), the system can cross-validate measurements and identify when one sensor is experiencing interference. Redundant optical sensors with different wavelengths or orientations can provide reliable detection even when one sensor channel is compromised by interference, ensuring continuous operation in challenging lighting environments.Expand Specific Solutions05 Physical shielding and optical isolation
Physical design elements can be incorporated to shield sensors from unwanted light interference. These include recessed sensor mounting, optical baffles, light-absorbing materials, and specialized housing designs that block stray light while allowing the sensor's field of view to remain unobstructed. Optical isolation techniques separate the emitter and detector paths to prevent internal light leakage, while specialized lens designs can focus only on the intended detection area, reducing susceptibility to ambient light interference.Expand Specific Solutions
Key Industry Players and Competitive Landscape
The proximity and optical sensor market is in a growth phase, with increasing demand driven by consumer electronics and automotive applications. The market is expected to reach significant size due to expanding IoT and smart device adoption. Technologically, proximity sensors demonstrate superior resilience to light interference compared to optical sensors, a critical advantage in varied lighting environments. Industry leaders like Sharp Corp., Samsung Electronics, and ams-OSRAM AG have developed advanced proximity sensing technologies with improved light interference rejection. Companies including Murata Manufacturing, STMicroelectronics, and Apple are investing in hybrid solutions that combine both sensing technologies to maximize performance across different environmental conditions, indicating a trend toward integrated sensing approaches that leverage the strengths of both technologies.
Samsung Electronics Co., Ltd.
Technical Solution:  Samsung has developed an integrated approach to proximity and optical sensing with enhanced light interference resilience. Their proximity sensors utilize a combination of hardware and software solutions to maintain reliable performance across diverse lighting conditions. The hardware implementation includes specialized IR bandpass filters that significantly reduce ambient light interference while allowing the sensor's specific wavelength to pass through. Samsung's sensors employ pulsed modulation techniques with variable frequency control that can adapt to different interference patterns. Their proximity detection system incorporates multi-sensor fusion, combining data from proximity, ambient light, and accelerometer sensors to make more intelligent presence detection decisions. Samsung has also implemented advanced signal processing algorithms that perform real-time analysis of the sensor's response curve, identifying and filtering out anomalous readings caused by sudden light changes or reflective surfaces. Additionally, their latest proximity sensors feature automatic calibration routines that periodically reset baseline measurements to compensate for gradual environmental changes or sensor drift, ensuring consistent performance over the device's lifetime[9][10].
Strengths: Highly optimized power consumption suitable for battery-powered devices; excellent integration with Samsung's ecosystem of products; sophisticated software algorithms that improve accuracy through sensor fusion. Weaknesses: Performance variations across different product lines; occasional false triggers in extremely challenging lighting environments; calibration requirements during manufacturing.
OMRON (Shanghai) Co. Ltd.
Technical Solution:  OMRON has developed a comprehensive approach to light interference resilience in their sensing technologies. Their B5W Light Convergent Reflective Sensor series utilizes a unique optical design with specialized convergent lens technology that focuses emitted light to a precise detection point, significantly reducing the impact of ambient light interference. The sensors incorporate proprietary I-CT (Interference-Cancellation Technology) that employs dual-wavelength sensing with synchronized detection to effectively eliminate environmental light noise. OMRON's proximity sensors feature advanced signal conditioning circuits with programmable threshold adjustments that can be calibrated for specific operating environments. Additionally, they've implemented pulsed modulation techniques with frequency discrimination to distinguish between the sensor's emitted signal and ambient light sources. Their latest generation sensors also incorporate temperature compensation mechanisms to maintain consistent performance across varying environmental conditions, addressing thermal drift issues that can affect detection reliability in challenging lighting scenarios[5][7].
Strengths: Exceptional stability in industrial environments with fluctuating light conditions; robust construction suitable for harsh operating conditions; long operational lifespan with minimal performance degradation. Weaknesses: Larger form factor compared to miniaturized consumer electronics sensors; higher power requirements; more complex integration process requiring careful alignment and calibration.
Technical Analysis of Sensor Resilience Mechanisms
Optical sensor and proximity sensor provided with same 
PatentWO2021005952A1
 Innovation 
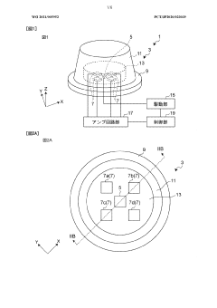
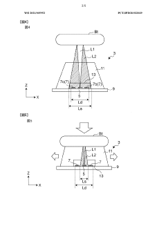
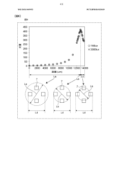
- The optical sensor and proximity sensor design incorporates a light emitting element, a light receiving element, and a first resin body that seals these components, along with a wavelength filter between the light receiving element and the outer surface, which absorbs shorter wavelengths than the peak wavelength of the emitted light, reducing ambient light interference.
 
Optical modulation-type detection device and electronic device 
PatentInactiveUS8217335B2
 Innovation 
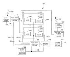
- The optical modulation-type detection device employs a pulse signal converting section that cuts off the light-reception signal pathway to suppress offset, allowing for accurate offset canceling under external disturbance light conditions, and operates in specific modes to detect the presence or absence of an object with high sensitivity without increasing circuit size or bias current.
 
Environmental Factors Affecting Sensor Performance
Environmental factors play a crucial role in determining the performance reliability of both proximity and optical sensors. These sensors operate under varying conditions that can significantly impact their accuracy, sensitivity, and overall functionality. Understanding these environmental influences is essential for proper sensor selection and implementation in different applications.
Light interference represents one of the most significant environmental challenges, particularly when comparing proximity sensors with optical sensors. Optical sensors, which rely directly on light emission and reception, demonstrate higher susceptibility to ambient light variations. Direct sunlight, fluorescent lighting, and other bright light sources can overwhelm optical sensors, leading to false readings or reduced detection range. Proximity sensors utilizing capacitive or inductive technologies exhibit greater resilience to light interference, making them preferable in environments with unpredictable lighting conditions.
Temperature fluctuations affect both sensor types but through different mechanisms. Optical sensors may experience changes in light emission characteristics as temperatures vary, potentially altering detection thresholds. Proximity sensors, particularly those based on capacitive principles, can show sensitivity shifts with temperature changes due to alterations in dielectric properties of target materials. Most modern sensors incorporate temperature compensation algorithms, though their effectiveness varies across different product ranges.
Humidity and moisture present another critical environmental factor. High humidity environments can cause condensation on optical sensor lenses, scattering light and reducing detection accuracy. Water droplets or films can refract light unpredictably, creating false triggers in optical systems. Proximity sensors generally demonstrate superior performance in humid conditions, though extreme moisture can still affect their electronic components if inadequately sealed.
Dust, dirt, and airborne particulates impact both sensor types but with varying severity. Optical sensors suffer more significant performance degradation as particles accumulate on lenses or interrupt the light path between emitter and receiver. This contamination progressively reduces sensitivity and may eventually cause complete failure without regular maintenance. Proximity sensors, particularly magnetic or inductive variants, maintain functionality even with moderate contamination, offering extended operational reliability in dusty environments.
Vibration and mechanical stress represent additional environmental considerations. Constant vibration can affect sensor alignment in optical systems, particularly in precisely calibrated applications. Proximity sensors typically demonstrate greater mechanical robustness, with fewer moving parts or critical alignments to maintain, resulting in more consistent performance in high-vibration environments.
Light interference represents one of the most significant environmental challenges, particularly when comparing proximity sensors with optical sensors. Optical sensors, which rely directly on light emission and reception, demonstrate higher susceptibility to ambient light variations. Direct sunlight, fluorescent lighting, and other bright light sources can overwhelm optical sensors, leading to false readings or reduced detection range. Proximity sensors utilizing capacitive or inductive technologies exhibit greater resilience to light interference, making them preferable in environments with unpredictable lighting conditions.
Temperature fluctuations affect both sensor types but through different mechanisms. Optical sensors may experience changes in light emission characteristics as temperatures vary, potentially altering detection thresholds. Proximity sensors, particularly those based on capacitive principles, can show sensitivity shifts with temperature changes due to alterations in dielectric properties of target materials. Most modern sensors incorporate temperature compensation algorithms, though their effectiveness varies across different product ranges.
Humidity and moisture present another critical environmental factor. High humidity environments can cause condensation on optical sensor lenses, scattering light and reducing detection accuracy. Water droplets or films can refract light unpredictably, creating false triggers in optical systems. Proximity sensors generally demonstrate superior performance in humid conditions, though extreme moisture can still affect their electronic components if inadequately sealed.
Dust, dirt, and airborne particulates impact both sensor types but with varying severity. Optical sensors suffer more significant performance degradation as particles accumulate on lenses or interrupt the light path between emitter and receiver. This contamination progressively reduces sensitivity and may eventually cause complete failure without regular maintenance. Proximity sensors, particularly magnetic or inductive variants, maintain functionality even with moderate contamination, offering extended operational reliability in dusty environments.
Vibration and mechanical stress represent additional environmental considerations. Constant vibration can affect sensor alignment in optical systems, particularly in precisely calibrated applications. Proximity sensors typically demonstrate greater mechanical robustness, with fewer moving parts or critical alignments to maintain, resulting in more consistent performance in high-vibration environments.
Cross-Industry Applications and Use Case Analysis
The resilience to light interference exhibited by proximity and optical sensors has significant implications across multiple industries, creating diverse application scenarios with varying requirements and constraints. In automotive applications, proximity sensors demonstrate superior performance in high ambient light conditions, making them ideal for exterior applications such as parking assistance systems and collision avoidance mechanisms. Conversely, optical sensors find their niche in interior cabin monitoring where controlled lighting conditions prevail.
Manufacturing environments present unique challenges where industrial lighting and welding flashes can disrupt sensor operations. Proximity sensors, particularly those utilizing capacitive or inductive technologies, maintain consistent performance regardless of ambient light variations, ensuring reliable production line automation and quality control processes. Optical sensors, while more susceptible to interference, offer higher precision in controlled environments for tasks requiring dimensional accuracy.
The healthcare sector leverages both sensor types according to specific use case demands. Proximity sensors enable touchless interfaces in surgical environments and patient monitoring systems, functioning reliably under various hospital lighting conditions. Optical sensors excel in diagnostic equipment and medical imaging where controlled environments can be maintained, though they require additional shielding from potential light interference sources.
Consumer electronics represent another significant application domain where the choice between sensor types impacts user experience. Proximity sensors in smartphones reliably detect face proximity during calls regardless of outdoor sunlight or indoor artificial lighting. Smart home devices increasingly incorporate hybrid sensing solutions that combine the strengths of both technologies to ensure consistent performance across varying domestic lighting conditions.
In aerospace and defense applications, the extreme lighting conditions encountered necessitate robust sensing solutions. Proximity sensors demonstrate superior performance in cockpit interfaces and external monitoring systems where sunlight intensity varies dramatically. Military applications often employ specialized optical sensors with advanced filtering capabilities to maintain operational integrity under challenging field conditions.
The retail and public space sector has embraced proximity sensing for customer tracking and interactive displays that must function under inconsistent lighting conditions. Museums and exhibition spaces utilize optical sensors with sophisticated light interference mitigation techniques for protecting valuable artifacts while maintaining precise detection capabilities.
Manufacturing environments present unique challenges where industrial lighting and welding flashes can disrupt sensor operations. Proximity sensors, particularly those utilizing capacitive or inductive technologies, maintain consistent performance regardless of ambient light variations, ensuring reliable production line automation and quality control processes. Optical sensors, while more susceptible to interference, offer higher precision in controlled environments for tasks requiring dimensional accuracy.
The healthcare sector leverages both sensor types according to specific use case demands. Proximity sensors enable touchless interfaces in surgical environments and patient monitoring systems, functioning reliably under various hospital lighting conditions. Optical sensors excel in diagnostic equipment and medical imaging where controlled environments can be maintained, though they require additional shielding from potential light interference sources.
Consumer electronics represent another significant application domain where the choice between sensor types impacts user experience. Proximity sensors in smartphones reliably detect face proximity during calls regardless of outdoor sunlight or indoor artificial lighting. Smart home devices increasingly incorporate hybrid sensing solutions that combine the strengths of both technologies to ensure consistent performance across varying domestic lighting conditions.
In aerospace and defense applications, the extreme lighting conditions encountered necessitate robust sensing solutions. Proximity sensors demonstrate superior performance in cockpit interfaces and external monitoring systems where sunlight intensity varies dramatically. Military applications often employ specialized optical sensors with advanced filtering capabilities to maintain operational integrity under challenging field conditions.
The retail and public space sector has embraced proximity sensing for customer tracking and interactive displays that must function under inconsistent lighting conditions. Museums and exhibition spaces utilize optical sensors with sophisticated light interference mitigation techniques for protecting valuable artifacts while maintaining precise detection capabilities.
 Unlock deeper insights with  Patsnap Eureka Quick Research — get a full tech report to explore trends and direct your research. Try now! 
 Generate Your Research Report Instantly with AI Agent 
 Supercharge your innovation with Patsnap Eureka AI Agent Platform! 







