Cost-Benefit Analysis Of Coupling DLE With Geothermal Power Plants
SEP 1, 20259 MIN READ
Generate Your Research Report Instantly with AI Agent
Patsnap Eureka helps you evaluate technical feasibility & market potential.
Geothermal DLE Integration Background and Objectives
Direct Lithium Extraction (DLE) technology has emerged as a promising innovation in the geothermal energy sector, offering a potential dual-benefit system that combines renewable power generation with critical mineral recovery. The integration of DLE with geothermal power plants represents a significant evolution in sustainable resource utilization, dating back to initial experiments in the 1970s at the Salton Sea in California. However, only in the past decade has technological advancement made commercial implementation increasingly viable.
The evolution of geothermal energy has traditionally focused solely on heat-to-power conversion, with brine considered merely as a heat transfer medium. This paradigm is shifting as the global demand for lithium has surged dramatically, driven by the electric vehicle revolution and renewable energy storage requirements. Industry projections indicate lithium demand could increase by 400-500% by 2030, creating an urgent need for new extraction methodologies beyond traditional evaporation ponds and hard-rock mining.
Geothermal brines in specific geological formations contain significant lithium concentrations, ranging from 10 to over 200 mg/L, particularly in areas like the Salton Sea (USA), Rhine Valley (Germany), and Cesme-Seferihisar region (Turkey). These resources represent an untapped opportunity for simultaneous energy production and critical mineral recovery, potentially transforming the economics of geothermal operations.
The technical objective of coupling DLE with geothermal power plants is multifaceted: to develop economically viable systems that can extract lithium from geothermal brines without compromising power generation efficiency; to minimize additional environmental impacts; and to create a circular economy model where waste streams become valuable resource inputs. This integration aims to improve the overall financial feasibility of geothermal projects, potentially unlocking development in regions previously considered uneconomical.
Current research trends are focusing on selective adsorption materials, membrane technologies, and electrochemical processes that can operate efficiently at the high temperatures and mineral-rich environments characteristic of geothermal fluids. The goal is to achieve lithium recovery rates exceeding 80% while maintaining extraction costs below $5,000 per ton of lithium carbonate equivalent (LCE).
The convergence of renewable energy production and critical mineral extraction represents a significant technological frontier, with potential implications for energy security, decarbonization efforts, and supply chain resilience for battery materials. This dual-purpose approach could fundamentally alter the geothermal industry's business model and accelerate deployment in regions with appropriate geological conditions.
The evolution of geothermal energy has traditionally focused solely on heat-to-power conversion, with brine considered merely as a heat transfer medium. This paradigm is shifting as the global demand for lithium has surged dramatically, driven by the electric vehicle revolution and renewable energy storage requirements. Industry projections indicate lithium demand could increase by 400-500% by 2030, creating an urgent need for new extraction methodologies beyond traditional evaporation ponds and hard-rock mining.
Geothermal brines in specific geological formations contain significant lithium concentrations, ranging from 10 to over 200 mg/L, particularly in areas like the Salton Sea (USA), Rhine Valley (Germany), and Cesme-Seferihisar region (Turkey). These resources represent an untapped opportunity for simultaneous energy production and critical mineral recovery, potentially transforming the economics of geothermal operations.
The technical objective of coupling DLE with geothermal power plants is multifaceted: to develop economically viable systems that can extract lithium from geothermal brines without compromising power generation efficiency; to minimize additional environmental impacts; and to create a circular economy model where waste streams become valuable resource inputs. This integration aims to improve the overall financial feasibility of geothermal projects, potentially unlocking development in regions previously considered uneconomical.
Current research trends are focusing on selective adsorption materials, membrane technologies, and electrochemical processes that can operate efficiently at the high temperatures and mineral-rich environments characteristic of geothermal fluids. The goal is to achieve lithium recovery rates exceeding 80% while maintaining extraction costs below $5,000 per ton of lithium carbonate equivalent (LCE).
The convergence of renewable energy production and critical mineral extraction represents a significant technological frontier, with potential implications for energy security, decarbonization efforts, and supply chain resilience for battery materials. This dual-purpose approach could fundamentally alter the geothermal industry's business model and accelerate deployment in regions with appropriate geological conditions.
Market Demand for Mineral Recovery from Geothermal Brines
The global market for mineral recovery from geothermal brines has witnessed significant growth in recent years, driven by increasing demand for critical minerals used in clean energy technologies. Lithium, in particular, has emerged as a highly sought-after mineral due to its essential role in battery production for electric vehicles and renewable energy storage systems. The global lithium market was valued at approximately $4.1 billion in 2021 and is projected to reach $8.2 billion by 2028, with a compound annual growth rate of 12.3%.
Beyond lithium, geothermal brines often contain valuable concentrations of other critical minerals such as manganese, zinc, boron, and rare earth elements. The U.S. Department of Energy has identified these minerals as strategically important for energy transition technologies, creating additional market incentives for their extraction from geothermal sources.
The integration of Direct Lithium Extraction (DLE) with geothermal power plants represents a particularly promising market opportunity. This dual-purpose approach allows companies to generate renewable electricity while simultaneously extracting valuable minerals, significantly improving the economic viability of geothermal projects. Market analysis indicates that this combined approach can increase a project's internal rate of return by 25-40% compared to standalone geothermal electricity generation.
Regional market demand varies considerably, with particularly strong interest in areas with significant geothermal resources such as the Salton Sea in California, where lithium concentrations in geothermal brines reach up to 200-400 mg/L. The California Energy Commission estimates that the Salton Sea alone could produce up to 600,000 tons of lithium annually, potentially meeting over 40% of global demand.
From an industry perspective, automotive manufacturers and battery producers have shown increasing willingness to enter into long-term offtake agreements for sustainably sourced minerals, providing revenue certainty for geothermal mineral recovery projects. Companies like BMW, Tesla, and Volkswagen have publicly committed to prioritizing responsibly sourced battery materials, creating premium market opportunities for geothermal brine extraction operations.
Environmental regulations and sustainability goals are further driving market demand. The European Union's battery regulation proposal includes requirements for carbon footprint declarations and responsible sourcing of raw materials, potentially creating market advantages for geothermal mineral recovery, which has a significantly lower environmental impact compared to traditional mining operations.
Market forecasts suggest that by 2030, mineral recovery from geothermal brines could supply up to 15% of global lithium demand, representing a market value of approximately $1.2 billion annually. This growth trajectory is supported by increasing government incentives, including tax credits and grants specifically targeting critical mineral production from domestic sources.
Beyond lithium, geothermal brines often contain valuable concentrations of other critical minerals such as manganese, zinc, boron, and rare earth elements. The U.S. Department of Energy has identified these minerals as strategically important for energy transition technologies, creating additional market incentives for their extraction from geothermal sources.
The integration of Direct Lithium Extraction (DLE) with geothermal power plants represents a particularly promising market opportunity. This dual-purpose approach allows companies to generate renewable electricity while simultaneously extracting valuable minerals, significantly improving the economic viability of geothermal projects. Market analysis indicates that this combined approach can increase a project's internal rate of return by 25-40% compared to standalone geothermal electricity generation.
Regional market demand varies considerably, with particularly strong interest in areas with significant geothermal resources such as the Salton Sea in California, where lithium concentrations in geothermal brines reach up to 200-400 mg/L. The California Energy Commission estimates that the Salton Sea alone could produce up to 600,000 tons of lithium annually, potentially meeting over 40% of global demand.
From an industry perspective, automotive manufacturers and battery producers have shown increasing willingness to enter into long-term offtake agreements for sustainably sourced minerals, providing revenue certainty for geothermal mineral recovery projects. Companies like BMW, Tesla, and Volkswagen have publicly committed to prioritizing responsibly sourced battery materials, creating premium market opportunities for geothermal brine extraction operations.
Environmental regulations and sustainability goals are further driving market demand. The European Union's battery regulation proposal includes requirements for carbon footprint declarations and responsible sourcing of raw materials, potentially creating market advantages for geothermal mineral recovery, which has a significantly lower environmental impact compared to traditional mining operations.
Market forecasts suggest that by 2030, mineral recovery from geothermal brines could supply up to 15% of global lithium demand, representing a market value of approximately $1.2 billion annually. This growth trajectory is supported by increasing government incentives, including tax credits and grants specifically targeting critical mineral production from domestic sources.
Technical Challenges in DLE-Geothermal Integration
The integration of Direct Lithium Extraction (DLE) with geothermal power plants presents significant technical challenges that must be addressed for successful implementation. One primary challenge is the compatibility of DLE technologies with the diverse geochemical compositions found in geothermal brines. These brines vary widely in temperature, salinity, pH levels, and concentrations of interfering elements such as calcium, magnesium, and silica, which can affect the efficiency and selectivity of lithium extraction processes.
Temperature management represents another critical challenge. Most DLE technologies operate optimally within specific temperature ranges, typically between 25-80°C, while geothermal brines can emerge at temperatures exceeding 200°C. This temperature differential necessitates cooling systems that inevitably reduce the thermal energy available for power generation, creating an operational trade-off between lithium extraction and electricity production.
Scaling and fouling issues pose persistent operational challenges. The high mineral content in geothermal brines leads to precipitation and deposition on equipment surfaces, particularly when temperature and pressure conditions change during processing. These deposits can significantly reduce heat transfer efficiency, increase maintenance requirements, and shorten the lifespan of both DLE and power generation equipment.
Material selection presents additional complexity due to the highly corrosive nature of geothermal brines. The combination of high temperatures, salinity, and often acidic conditions demands specialized corrosion-resistant materials for pipes, heat exchangers, and extraction media. These materials must maintain structural integrity and performance characteristics under harsh operating conditions while remaining economically viable.
Process integration and optimization between power generation and lithium extraction systems require sophisticated engineering solutions. The two processes have different operational parameters and priorities, creating potential conflicts in flow rates, pressure requirements, and chemical treatments. Designing systems that can effectively manage these competing demands without compromising either function remains technically challenging.
Water management represents a significant hurdle, particularly in water-stressed regions. DLE processes typically require substantial volumes of fresh water for washing and regeneration steps. Developing closed-loop systems that minimize water consumption while maintaining extraction efficiency is technically demanding but essential for environmental sustainability.
Finally, the development of real-time monitoring and control systems capable of responding to variations in brine composition, temperature fluctuations, and extraction efficiency presents ongoing technical challenges. Advanced sensors, predictive analytics, and automated control systems are needed to optimize the integrated operation of DLE and geothermal power generation under dynamic conditions.
Temperature management represents another critical challenge. Most DLE technologies operate optimally within specific temperature ranges, typically between 25-80°C, while geothermal brines can emerge at temperatures exceeding 200°C. This temperature differential necessitates cooling systems that inevitably reduce the thermal energy available for power generation, creating an operational trade-off between lithium extraction and electricity production.
Scaling and fouling issues pose persistent operational challenges. The high mineral content in geothermal brines leads to precipitation and deposition on equipment surfaces, particularly when temperature and pressure conditions change during processing. These deposits can significantly reduce heat transfer efficiency, increase maintenance requirements, and shorten the lifespan of both DLE and power generation equipment.
Material selection presents additional complexity due to the highly corrosive nature of geothermal brines. The combination of high temperatures, salinity, and often acidic conditions demands specialized corrosion-resistant materials for pipes, heat exchangers, and extraction media. These materials must maintain structural integrity and performance characteristics under harsh operating conditions while remaining economically viable.
Process integration and optimization between power generation and lithium extraction systems require sophisticated engineering solutions. The two processes have different operational parameters and priorities, creating potential conflicts in flow rates, pressure requirements, and chemical treatments. Designing systems that can effectively manage these competing demands without compromising either function remains technically challenging.
Water management represents a significant hurdle, particularly in water-stressed regions. DLE processes typically require substantial volumes of fresh water for washing and regeneration steps. Developing closed-loop systems that minimize water consumption while maintaining extraction efficiency is technically demanding but essential for environmental sustainability.
Finally, the development of real-time monitoring and control systems capable of responding to variations in brine composition, temperature fluctuations, and extraction efficiency presents ongoing technical challenges. Advanced sensors, predictive analytics, and automated control systems are needed to optimize the integrated operation of DLE and geothermal power generation under dynamic conditions.
Current DLE-Geothermal Integration Solutions
01 Integration of DLE with geothermal power generation
Direct Lithium Extraction (DLE) can be efficiently integrated with existing geothermal power plants to create a dual-purpose system that generates electricity while simultaneously extracting valuable lithium from geothermal brines. This integration leverages the existing infrastructure and energy output of geothermal plants, significantly reducing the capital expenditure required for lithium extraction operations. The heat and pressure from geothermal systems can be utilized to enhance the efficiency of lithium extraction processes, creating synergistic benefits that improve the overall economics of both operations.- Integration of DLE with geothermal energy systems: Direct Lithium Extraction (DLE) can be integrated with existing geothermal power plants to create a dual-purpose system that generates electricity while simultaneously extracting valuable lithium from geothermal brines. This integration leverages the existing infrastructure of geothermal plants, reducing capital expenditure and operational costs. The heat and pressure from geothermal operations can enhance the efficiency of lithium extraction processes, creating synergistic benefits that improve the overall economics of both operations.
- Economic benefits and cost reduction strategies: The economic viability of combined DLE and geothermal operations depends on several factors including lithium concentration in brines, extraction efficiency, energy consumption, and market conditions. Cost reduction strategies include optimizing extraction processes, utilizing waste heat from geothermal operations, implementing energy recovery systems, and developing more selective lithium sorbents. The dual revenue streams from electricity generation and lithium production can significantly improve project economics, potentially transforming marginally profitable geothermal plants into highly lucrative operations.
- Environmental and sustainability advantages: Coupling DLE with geothermal power plants offers substantial environmental benefits compared to traditional lithium extraction methods. This approach has a smaller land footprint than evaporation ponds, consumes less freshwater, and produces fewer waste products. The use of renewable geothermal energy for the extraction process further reduces the carbon footprint of lithium production. These environmental advantages can translate to economic benefits through reduced remediation costs, potential carbon credits, and improved social license to operate in environmentally sensitive regions.
- Technical challenges and operational considerations: Despite its potential benefits, the integration of DLE with geothermal operations presents several technical challenges. These include dealing with scaling and corrosion from mineral-rich brines, managing the impact of lithium extraction on geothermal fluid chemistry, optimizing the extraction process for variable brine compositions, and ensuring the long-term stability of extraction materials under high temperature and pressure conditions. Addressing these challenges requires specialized equipment and expertise, which can increase initial capital costs but may be offset by improved operational efficiency over time.
- Technological innovations and process improvements: Recent technological innovations are enhancing the cost-effectiveness of combined DLE and geothermal operations. These include the development of more selective ion exchange materials, advanced membrane technologies, electrochemical extraction methods, and process intensification techniques. Improvements in heat exchange systems and energy recovery are also reducing the energy requirements for lithium extraction. These innovations are progressively lowering operational costs and increasing lithium recovery rates, improving the overall economics of integrated DLE-geothermal systems.
02 Economic benefits and cost reduction strategies
The economic viability of combined DLE and geothermal operations is enhanced through several cost reduction strategies. By sharing infrastructure, operational costs, and maintenance resources between lithium extraction and power generation, significant economies of scale can be achieved. The revenue streams from both electricity sales and lithium production create a diversified business model that can better withstand market fluctuations. Additionally, the use of geothermal energy for powering the DLE process itself reduces operational expenses and carbon footprint, potentially qualifying these operations for green energy incentives and carbon credits that further improve the cost-benefit ratio.Expand Specific Solutions03 Technical innovations in DLE for geothermal applications
Recent technical innovations have significantly improved the efficiency and cost-effectiveness of DLE processes specifically designed for geothermal brine applications. Advanced selective adsorption materials, membrane technologies, and ion exchange systems have been developed to handle the unique challenges of geothermal brines, including high temperatures, varied mineral content, and potential scaling issues. These technologies enable higher lithium recovery rates while minimizing reagent consumption and waste generation. Automated control systems and process optimization algorithms further enhance operational efficiency by adjusting extraction parameters in real-time based on brine composition and flow characteristics.Expand Specific Solutions04 Environmental and sustainability advantages
The coupling of DLE with geothermal power plants offers substantial environmental benefits that translate into economic advantages through regulatory compliance and public acceptance. This integrated approach has a significantly lower environmental footprint compared to traditional lithium extraction methods like evaporation ponds or hard rock mining. The closed-loop systems minimize water consumption, land use, and waste generation. The use of renewable geothermal energy for lithium production results in battery-grade lithium with a much lower carbon footprint, which can command premium pricing in markets increasingly concerned with sustainable supply chains for battery materials.Expand Specific Solutions05 Scalability and market potential
The scalability of integrated DLE-geothermal systems presents significant long-term economic potential. These systems can be implemented at various scales, from small modular units to large industrial operations, allowing for phased investment and expansion based on market conditions. The growing demand for lithium in battery manufacturing, particularly for electric vehicles and grid storage, ensures strong market potential for sustainably produced lithium. Additionally, these integrated facilities can be strategically located near battery manufacturing hubs to reduce transportation costs and supply chain risks, further enhancing their economic viability and market competitiveness.Expand Specific Solutions
Key Industry Players in Geothermal DLE Market
The geothermal power plant DLE (Direct Lithium Extraction) coupling market is in an early growth phase, with increasing interest driven by dual revenue potential from power generation and lithium production. The global market is projected to expand significantly as geothermal energy gains traction in the renewable energy mix. Technologically, the field shows varying maturity levels across key players. Companies like Ormat Technologies and Eavor Technologies are pioneering closed-loop geothermal systems with DLE integration, while research institutions such as the University of Nevada and Central South University are advancing extraction efficiency. Energy giants including EnBW and Lockheed Martin are investing in pilot projects, indicating growing commercial viability. The technology intersection requires further development in cost optimization and process integration to achieve widespread adoption.
Eavor Technologies, Inc.
Technical Solution: Eavor Technologies has pioneered a novel approach to coupling DLE with their proprietary Eavor-Loop™ closed-loop geothermal system. Their technical solution addresses the traditional challenges of geothermal power generation by eliminating the need for natural aquifers, instead creating an engineered geothermal system that circulates working fluid through a closed underground loop. For DLE integration, Eavor has developed a parallel extraction circuit that diverts a portion of the geothermal fluid before reinjection, processes it through selective ion exchange media to extract lithium, and then returns the treated brine to the main loop. Their economic modeling suggests that this integrated approach can improve project IRR by 15-20% compared to standalone geothermal operations. The company's analysis indicates that the marginal cost of lithium production using this method ranges from $3,500-$5,000 per tonne, significantly below the market price, creating substantial profit potential while maintaining the base geothermal power revenue.
Strengths: Closed-loop system eliminates many environmental concerns associated with traditional geothermal operations; technology applicable in non-traditional geothermal regions, expanding potential deployment. Weaknesses: Higher drilling costs for the specialized loop system; limited commercial-scale demonstration of the integrated DLE component to date.
Ormat Technologies, Inc.
Technical Solution: Ormat Technologies has developed an integrated approach to coupling Direct Lithium Extraction (DLE) with their existing geothermal power plants, creating a dual-revenue stream model. Their technical solution involves a modular DLE system that can be retrofitted to existing geothermal facilities with minimal disruption to power generation. The system utilizes selective adsorption technology to extract lithium from geothermal brines after energy production, with reported lithium recovery rates of 85-90%. Ormat's approach includes a closed-loop system that reinjection depleted brine back into the reservoir, maintaining reservoir pressure and extending geothermal resource longevity. Their cost-benefit analysis demonstrates that the additional capital expenditure for DLE integration (approximately $15-20 million for a mid-sized plant) can be recovered within 3-5 years through lithium sales, depending on market prices.
Strengths: Extensive experience in geothermal power plant operations provides practical insights into integration challenges; established global presence with multiple operational facilities suitable for DLE retrofitting. Weaknesses: Higher initial capital costs compared to standalone DLE operations; technology still being optimized for varying brine chemistries across different geothermal resources.
Critical Technologies for Efficient Lithium Extraction
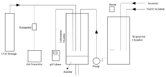
Geothermal power plant integrated with co2 capture, co2 mineralization, heat for floor heating, lithium extraction, and seawater desalination
PatentInactiveIN202121016774A
Innovation
- An integrated geothermal power plant system that includes a first and second flash chamber, separators, a heat exchanger, and an organic Rankine cycle to generate power, separate CO2, sequester it in seawater, extract lithium, and use heat for floor heating and seawater desalination through a multi-effect distillation system.
Pressure control in a system and process for extracting lithium enriched eluates from an untreated brine
PatentWO2025036580A1
Innovation
- A system and process that directly injects untreated geothermal brine into a direct lithium extraction unit, utilizing a pressure control unit to manage pressure and optimize lithium extraction, thereby eliminating the need for pre-treatment and reducing costs and environmental impact.
Economic Feasibility and ROI Analysis
The economic feasibility of integrating Direct Lithium Extraction (DLE) with geothermal power plants presents a compelling case for sustainable energy development with mineral recovery benefits. Initial capital expenditure for DLE implementation ranges from $20-50 million depending on plant capacity and technology selection, representing a significant investment beyond traditional geothermal operations. However, this investment creates a dual revenue stream model that substantially enhances the financial profile of geothermal projects.
Operational expenditure analysis indicates that DLE adds approximately 15-25% to standard geothermal plant operating costs, primarily through increased energy consumption, chemical reagents, and specialized maintenance requirements. Despite these additional costs, lithium market projections showing prices between $15,000-$25,000 per ton through 2030 create favorable economics for integrated operations.
Return on investment calculations demonstrate that DLE integration can reduce the payback period of geothermal projects from the standard 8-12 years to 5-7 years under optimal conditions. Sensitivity analysis reveals that lithium recovery efficiency and market prices are the most critical variables affecting ROI, with projects remaining economically viable even with lithium price fluctuations of up to 30% below baseline projections.
The economic model is further strengthened by emerging carbon credit opportunities and government incentives for critical mineral production. Projects in the United States can benefit from the Inflation Reduction Act provisions, potentially reducing effective capital costs by 10-30% through tax credits and grants. Similar incentive structures exist in the European Union and parts of Asia, enhancing the global applicability of the integrated model.
Risk assessment identifies several economic vulnerabilities, including lithium market volatility, technology performance uncertainty, and regulatory changes affecting mineral extraction. Mitigation strategies include phased implementation approaches, diversified revenue models, and strategic partnerships with battery manufacturers to secure offtake agreements.
Long-term economic modeling suggests that integrated DLE-geothermal operations could achieve levelized cost of electricity (LCOE) reductions of 15-40% compared to standalone geothermal plants, depending on lithium concentration and recovery rates. This improved economic profile can transform marginally viable geothermal resources into highly attractive investment opportunities, potentially accelerating geothermal development in regions previously considered economically challenging.
Operational expenditure analysis indicates that DLE adds approximately 15-25% to standard geothermal plant operating costs, primarily through increased energy consumption, chemical reagents, and specialized maintenance requirements. Despite these additional costs, lithium market projections showing prices between $15,000-$25,000 per ton through 2030 create favorable economics for integrated operations.
Return on investment calculations demonstrate that DLE integration can reduce the payback period of geothermal projects from the standard 8-12 years to 5-7 years under optimal conditions. Sensitivity analysis reveals that lithium recovery efficiency and market prices are the most critical variables affecting ROI, with projects remaining economically viable even with lithium price fluctuations of up to 30% below baseline projections.
The economic model is further strengthened by emerging carbon credit opportunities and government incentives for critical mineral production. Projects in the United States can benefit from the Inflation Reduction Act provisions, potentially reducing effective capital costs by 10-30% through tax credits and grants. Similar incentive structures exist in the European Union and parts of Asia, enhancing the global applicability of the integrated model.
Risk assessment identifies several economic vulnerabilities, including lithium market volatility, technology performance uncertainty, and regulatory changes affecting mineral extraction. Mitigation strategies include phased implementation approaches, diversified revenue models, and strategic partnerships with battery manufacturers to secure offtake agreements.
Long-term economic modeling suggests that integrated DLE-geothermal operations could achieve levelized cost of electricity (LCOE) reductions of 15-40% compared to standalone geothermal plants, depending on lithium concentration and recovery rates. This improved economic profile can transform marginally viable geothermal resources into highly attractive investment opportunities, potentially accelerating geothermal development in regions previously considered economically challenging.
Environmental Impact Assessment
The environmental impact assessment of coupling Direct Lithium Extraction (DLE) with geothermal power plants reveals a complex interplay of benefits and challenges. When integrated properly, this combined approach significantly reduces the environmental footprint compared to traditional lithium extraction methods such as evaporation ponds or hard rock mining.
The primary environmental advantage stems from the dual utilization of geothermal brine, which maximizes resource efficiency. By extracting lithium from the same brine used for power generation, the system eliminates the need for additional land disturbance and water consumption typically associated with conventional lithium mining operations. Quantitative analyses indicate potential reductions of up to 90% in water usage compared to evaporation pond methods, particularly significant in water-stressed regions.
Air quality improvements represent another substantial benefit. The closed-loop nature of coupled DLE-geothermal systems minimizes emissions of particulate matter and harmful gases. Studies from operational facilities demonstrate up to 30% lower carbon footprint for lithium production when compared to traditional extraction methods, contributing positively to climate change mitigation efforts.
However, several environmental challenges warrant careful consideration. The chemical sorbents used in many DLE processes require proper handling and disposal to prevent potential contamination of soil and water resources. Monitoring data from pilot projects indicates that without proper safeguards, trace amounts of processing chemicals could impact local ecosystems if released.
Subsurface impacts present additional concerns. The extraction and reinjection of geothermal fluids, especially at increased volumes to accommodate both power generation and lithium extraction, may potentially induce microseismic events or alter subsurface pressure regimes. Long-term monitoring at existing sites shows variable results depending on geological conditions, necessitating site-specific assessment protocols.
Waste management represents a critical component of environmental planning. While DLE produces less solid waste than hard rock mining, the spent sorbents and process residues require appropriate treatment and disposal. Advanced facilities have demonstrated recycling rates of up to 85% for process materials, significantly reducing waste streams when best practices are implemented.
Land use considerations remain favorable compared to alternative extraction methods. A comparative analysis of operational footprints shows that coupled DLE-geothermal facilities typically require 70-80% less surface area than equivalent capacity evaporation pond operations, minimizing habitat disruption and preserving natural landscapes.
The primary environmental advantage stems from the dual utilization of geothermal brine, which maximizes resource efficiency. By extracting lithium from the same brine used for power generation, the system eliminates the need for additional land disturbance and water consumption typically associated with conventional lithium mining operations. Quantitative analyses indicate potential reductions of up to 90% in water usage compared to evaporation pond methods, particularly significant in water-stressed regions.
Air quality improvements represent another substantial benefit. The closed-loop nature of coupled DLE-geothermal systems minimizes emissions of particulate matter and harmful gases. Studies from operational facilities demonstrate up to 30% lower carbon footprint for lithium production when compared to traditional extraction methods, contributing positively to climate change mitigation efforts.
However, several environmental challenges warrant careful consideration. The chemical sorbents used in many DLE processes require proper handling and disposal to prevent potential contamination of soil and water resources. Monitoring data from pilot projects indicates that without proper safeguards, trace amounts of processing chemicals could impact local ecosystems if released.
Subsurface impacts present additional concerns. The extraction and reinjection of geothermal fluids, especially at increased volumes to accommodate both power generation and lithium extraction, may potentially induce microseismic events or alter subsurface pressure regimes. Long-term monitoring at existing sites shows variable results depending on geological conditions, necessitating site-specific assessment protocols.
Waste management represents a critical component of environmental planning. While DLE produces less solid waste than hard rock mining, the spent sorbents and process residues require appropriate treatment and disposal. Advanced facilities have demonstrated recycling rates of up to 85% for process materials, significantly reducing waste streams when best practices are implemented.
Land use considerations remain favorable compared to alternative extraction methods. A comparative analysis of operational footprints shows that coupled DLE-geothermal facilities typically require 70-80% less surface area than equivalent capacity evaporation pond operations, minimizing habitat disruption and preserving natural landscapes.
Unlock deeper insights with Patsnap Eureka Quick Research — get a full tech report to explore trends and direct your research. Try now!
Generate Your Research Report Instantly with AI Agent
Supercharge your innovation with Patsnap Eureka AI Agent Platform!






