OLED vs LCD Refresh Rate: Assessing Impact on Motion Clarity
SEP 12, 20259 MIN READ
Generate Your Research Report Instantly with AI Agent
Patsnap Eureka helps you evaluate technical feasibility & market potential.
Display Technology Evolution and Objectives
Display technology has undergone remarkable evolution since the introduction of cathode ray tubes (CRTs) in the early 20th century. The progression from CRTs to liquid crystal displays (LCDs) in the 1970s marked a significant shift toward flatter, more energy-efficient screens. The early 2000s witnessed the commercial emergence of organic light-emitting diode (OLED) technology, representing another revolutionary step in display development with its self-emissive pixels and superior contrast ratios.
The refresh rate capabilities of display technologies have followed a distinct evolutionary path. Early LCDs were limited to 60Hz refresh rates, creating noticeable motion blur during fast-moving content. As manufacturing processes improved, high refresh rate LCDs (120Hz, 144Hz, and beyond) entered the market, primarily targeting gaming applications where motion clarity is paramount. OLED technology initially struggled with high refresh rates due to technical limitations but has recently achieved comparable or superior refresh rate specifications.
Motion clarity, a critical aspect of visual performance, depends not only on refresh rate but also on response time—the speed at which pixels can change states. Traditional LCDs have historically suffered from slower response times compared to OLEDs, which can switch states almost instantaneously. This fundamental difference creates distinct motion clarity characteristics even when both technologies operate at identical refresh rates.
The industry has developed various motion enhancement technologies to address inherent limitations. LCD manufacturers have implemented overdrive techniques and black frame insertion to improve perceived motion clarity. OLED manufacturers have focused on optimizing pixel response characteristics and implementing sophisticated motion processing algorithms to leverage their inherent response time advantages.
Current technical objectives in the display industry center on achieving the optimal balance between refresh rate and response time while minimizing artifacts. For LCDs, this involves developing advanced panel technologies with faster liquid crystal formulations and improved backlight systems. For OLEDs, research focuses on maintaining pixel longevity at higher refresh rates and reducing potential image retention issues.
The ultimate goal for both technologies is to deliver flawless motion representation that mimics natural vision, which processes continuous motion rather than discrete frames. This requires not only high refresh rates but also perfect pixel response characteristics, minimal input lag, and sophisticated motion processing. As virtual reality, competitive gaming, and high-frame-rate content become increasingly prevalent, the importance of motion clarity as a differentiating factor between display technologies continues to grow.
The refresh rate capabilities of display technologies have followed a distinct evolutionary path. Early LCDs were limited to 60Hz refresh rates, creating noticeable motion blur during fast-moving content. As manufacturing processes improved, high refresh rate LCDs (120Hz, 144Hz, and beyond) entered the market, primarily targeting gaming applications where motion clarity is paramount. OLED technology initially struggled with high refresh rates due to technical limitations but has recently achieved comparable or superior refresh rate specifications.
Motion clarity, a critical aspect of visual performance, depends not only on refresh rate but also on response time—the speed at which pixels can change states. Traditional LCDs have historically suffered from slower response times compared to OLEDs, which can switch states almost instantaneously. This fundamental difference creates distinct motion clarity characteristics even when both technologies operate at identical refresh rates.
The industry has developed various motion enhancement technologies to address inherent limitations. LCD manufacturers have implemented overdrive techniques and black frame insertion to improve perceived motion clarity. OLED manufacturers have focused on optimizing pixel response characteristics and implementing sophisticated motion processing algorithms to leverage their inherent response time advantages.
Current technical objectives in the display industry center on achieving the optimal balance between refresh rate and response time while minimizing artifacts. For LCDs, this involves developing advanced panel technologies with faster liquid crystal formulations and improved backlight systems. For OLEDs, research focuses on maintaining pixel longevity at higher refresh rates and reducing potential image retention issues.
The ultimate goal for both technologies is to deliver flawless motion representation that mimics natural vision, which processes continuous motion rather than discrete frames. This requires not only high refresh rates but also perfect pixel response characteristics, minimal input lag, and sophisticated motion processing. As virtual reality, competitive gaming, and high-frame-rate content become increasingly prevalent, the importance of motion clarity as a differentiating factor between display technologies continues to grow.
Market Demand for High Refresh Rate Displays
The display market has witnessed a significant shift towards high refresh rate displays in recent years, driven primarily by consumer demand for smoother visual experiences across multiple device categories. Traditional 60Hz displays are increasingly being replaced by panels offering 90Hz, 120Hz, 144Hz, and even higher refresh rates, particularly in premium segments.
Gaming represents the most substantial market segment driving high refresh rate adoption. The global gaming monitor market reached approximately $4.2 billion in 2022, with high refresh rate models (120Hz and above) accounting for over 70% of premium gaming display sales. Professional esports players and enthusiasts consistently prioritize refresh rates of 144Hz or higher, considering it essential for competitive advantage.
Mobile devices have emerged as the fastest-growing segment for high refresh rate displays. Since 2019, when gaming phones first introduced 90Hz and 120Hz screens, the technology has rapidly expanded to mainstream flagship and mid-range smartphones. Market research indicates that by 2023, over 45% of smartphones priced above $400 feature refresh rates of 90Hz or higher, with 120Hz becoming the expected standard in premium devices.
Consumer awareness regarding refresh rate has increased substantially, with 67% of smartphone buyers now considering refresh rate an important purchasing factor, compared to just 23% in 2019. This awareness has created market pressure for manufacturers to implement higher refresh rates across product lines to remain competitive.
The professional and creative sectors represent another growing market segment. Content creators, video editors, and digital artists increasingly demand high refresh rate displays for smoother workflow experiences. This segment values the combination of color accuracy and motion clarity that advanced display technologies can provide.
Market forecasts project the high refresh rate display market to grow at a CAGR of 21.3% between 2023 and 2028. This growth is supported by decreasing production costs and technological advancements that enable higher refresh rates without significant battery life penalties in mobile devices.
Consumer expectations regarding motion clarity have fundamentally shifted, with smooth scrolling and responsive interfaces now considered baseline requirements rather than premium features. This market evolution has created distinct competitive advantages for display technologies that can deliver superior motion clarity while maintaining other critical performance metrics such as color accuracy, power efficiency, and resolution.
Gaming represents the most substantial market segment driving high refresh rate adoption. The global gaming monitor market reached approximately $4.2 billion in 2022, with high refresh rate models (120Hz and above) accounting for over 70% of premium gaming display sales. Professional esports players and enthusiasts consistently prioritize refresh rates of 144Hz or higher, considering it essential for competitive advantage.
Mobile devices have emerged as the fastest-growing segment for high refresh rate displays. Since 2019, when gaming phones first introduced 90Hz and 120Hz screens, the technology has rapidly expanded to mainstream flagship and mid-range smartphones. Market research indicates that by 2023, over 45% of smartphones priced above $400 feature refresh rates of 90Hz or higher, with 120Hz becoming the expected standard in premium devices.
Consumer awareness regarding refresh rate has increased substantially, with 67% of smartphone buyers now considering refresh rate an important purchasing factor, compared to just 23% in 2019. This awareness has created market pressure for manufacturers to implement higher refresh rates across product lines to remain competitive.
The professional and creative sectors represent another growing market segment. Content creators, video editors, and digital artists increasingly demand high refresh rate displays for smoother workflow experiences. This segment values the combination of color accuracy and motion clarity that advanced display technologies can provide.
Market forecasts project the high refresh rate display market to grow at a CAGR of 21.3% between 2023 and 2028. This growth is supported by decreasing production costs and technological advancements that enable higher refresh rates without significant battery life penalties in mobile devices.
Consumer expectations regarding motion clarity have fundamentally shifted, with smooth scrolling and responsive interfaces now considered baseline requirements rather than premium features. This market evolution has created distinct competitive advantages for display technologies that can deliver superior motion clarity while maintaining other critical performance metrics such as color accuracy, power efficiency, and resolution.
OLED vs LCD Technical Limitations
Despite significant advancements in display technology, both OLED and LCD technologies face inherent technical limitations that impact their refresh rate capabilities and motion clarity performance. LCD displays fundamentally rely on liquid crystal molecules that must physically rotate when voltage is applied, creating an inherent response time limitation. This transition period between states typically ranges from 5-10ms in high-quality gaming LCDs to 15-30ms in standard consumer models, resulting in motion blur during rapid content transitions regardless of the nominal refresh rate.
The backlight technology in LCDs presents another significant limitation. Traditional constant backlights create sample-and-hold behavior where images remain static between frame updates, causing perceived motion blur as the human visual system tracks moving objects. While advanced solutions like black frame insertion (BFI) and scanning backlights attempt to mitigate this issue, they often introduce brightness reduction and potential flickering that can cause visual discomfort.
OLED displays, while offering near-instantaneous pixel response times (typically <1ms), face different technical challenges. The self-emissive nature of OLED pixels means they can switch states almost immediately, but this technology still exhibits sample-and-hold behavior similar to LCDs. Without additional processing, this results in perceived motion blur despite the faster pixel response.
Power management represents another significant limitation for OLED displays. At higher refresh rates, OLED pixels must cycle on and off more frequently, increasing power consumption and potentially accelerating pixel degradation. This creates a technical trade-off between motion clarity and display longevity that manufacturers must carefully balance.
Both technologies also face processing pipeline limitations. The display controller must process incoming signals, perform color transformations, and distribute data to millions of pixels. As refresh rates increase, the computational demands grow exponentially, requiring more sophisticated hardware and optimized algorithms to maintain performance without introducing latency.
Heat dissipation presents challenges for both technologies at high refresh rates. LCD backlights generate significant heat that must be managed to prevent panel damage, while OLED displays face potential accelerated aging of organic materials when operating at elevated temperatures resulting from high refresh rate operation.
Manufacturing precision also imposes limitations, as higher refresh rates demand tighter tolerances in pixel addressing, timing control, and signal integrity. These manufacturing challenges directly impact production yields and ultimately consumer costs, creating market constraints on widespread adoption of ultra-high refresh rate displays.
The backlight technology in LCDs presents another significant limitation. Traditional constant backlights create sample-and-hold behavior where images remain static between frame updates, causing perceived motion blur as the human visual system tracks moving objects. While advanced solutions like black frame insertion (BFI) and scanning backlights attempt to mitigate this issue, they often introduce brightness reduction and potential flickering that can cause visual discomfort.
OLED displays, while offering near-instantaneous pixel response times (typically <1ms), face different technical challenges. The self-emissive nature of OLED pixels means they can switch states almost immediately, but this technology still exhibits sample-and-hold behavior similar to LCDs. Without additional processing, this results in perceived motion blur despite the faster pixel response.
Power management represents another significant limitation for OLED displays. At higher refresh rates, OLED pixels must cycle on and off more frequently, increasing power consumption and potentially accelerating pixel degradation. This creates a technical trade-off between motion clarity and display longevity that manufacturers must carefully balance.
Both technologies also face processing pipeline limitations. The display controller must process incoming signals, perform color transformations, and distribute data to millions of pixels. As refresh rates increase, the computational demands grow exponentially, requiring more sophisticated hardware and optimized algorithms to maintain performance without introducing latency.
Heat dissipation presents challenges for both technologies at high refresh rates. LCD backlights generate significant heat that must be managed to prevent panel damage, while OLED displays face potential accelerated aging of organic materials when operating at elevated temperatures resulting from high refresh rate operation.
Manufacturing precision also imposes limitations, as higher refresh rates demand tighter tolerances in pixel addressing, timing control, and signal integrity. These manufacturing challenges directly impact production yields and ultimately consumer costs, creating market constraints on widespread adoption of ultra-high refresh rate displays.
Current Motion Clarity Solutions
01 Refresh rate and frame interpolation techniques for motion clarity
Display technologies employ various refresh rate enhancements and frame interpolation techniques to improve motion clarity. Higher refresh rates reduce motion blur by displaying more frames per second, while frame interpolation creates intermediate frames to smooth motion transitions. These techniques are particularly important for fast-moving content such as sports or action scenes, where motion blur can significantly impact viewing experience.- Refresh rate and response time optimization for motion clarity: Display technologies employ various refresh rate and response time optimization techniques to enhance motion clarity. Higher refresh rates reduce motion blur by displaying more frames per second, while faster response times minimize ghosting effects. Both OLED and LCD displays implement these optimizations differently, with OLEDs generally offering superior response times due to their emissive nature, while LCDs require additional technologies to overcome inherent limitations in liquid crystal movement speed.
- Backlight scanning and strobing techniques: Backlight scanning and strobing techniques are implemented particularly in LCD displays to improve motion clarity. These methods involve strategically turning the backlight on and off or scanning it across the display to reduce the perception of motion blur. The backlight is synchronized with the refresh rate of the display, illuminating pixels only when they have fully transitioned to their new state, thereby reducing the visibility of transitions between frames and creating a clearer moving image.
- OLED pixel structure and driving methods for reduced blur: OLED displays utilize specific pixel structures and driving methods to reduce motion blur. These include optimized subpixel arrangements, pixel driving circuits that enable faster state changes, and compensation techniques that maintain consistent brightness during rapid transitions. Advanced OLED panels implement black frame insertion, impulse driving, and variable refresh rates to further enhance motion clarity while maintaining energy efficiency and preventing image retention issues.
- Motion compensation and frame interpolation technologies: Motion compensation and frame interpolation technologies are employed in both OLED and LCD displays to improve perceived motion clarity. These processing techniques analyze consecutive frames to generate intermediate frames, effectively increasing the frame rate and reducing judder. Advanced algorithms predict object movement trajectories and render additional frames to create smoother transitions, particularly beneficial for fast-moving content like sports or action scenes.
- Hybrid and adaptive display technologies for optimized motion performance: Hybrid and adaptive display technologies combine the strengths of different display types or dynamically adjust display parameters to optimize motion clarity. These include variable refresh rate technologies that synchronize the display refresh with content frame rates, adaptive overdrive that adjusts pixel transition speeds based on content, and content-aware processing that applies different motion enhancement techniques depending on the visual content being displayed. Some solutions also incorporate machine learning to continuously improve motion clarity based on viewing patterns.
02 OLED-specific motion clarity solutions
OLED displays offer advantages for motion clarity due to their faster pixel response times compared to LCD. However, they require specific technologies to address motion blur issues inherent to sample-and-hold displays. These include black frame insertion, motion compensation, and specialized pixel driving schemes that optimize the emission period of OLED pixels to reduce persistence blur while maintaining brightness and preventing flicker.Expand Specific Solutions03 LCD backlight scanning and strobing technologies
LCD displays implement backlight scanning and strobing technologies to improve motion clarity. These techniques involve modulating the backlight to create brief dark periods between frames, effectively simulating the impulse-type display behavior of CRT monitors. By reducing the light emission time per frame, these methods minimize the sample-and-hold effect that causes motion blur in LCD displays, resulting in clearer moving images.Expand Specific Solutions04 Motion processing algorithms and image enhancement
Advanced motion processing algorithms analyze and enhance moving images to improve clarity. These include motion estimation/compensation, content-adaptive processing, and AI-based enhancement techniques that predict and optimize motion representation. Such algorithms can detect motion vectors, apply appropriate blur reduction, and enhance edge definition of moving objects, resulting in sharper and more natural-looking motion on both OLED and LCD displays.Expand Specific Solutions05 Comparative performance and hybrid display solutions
Research and development efforts focus on comparing and combining the strengths of OLED and LCD technologies to achieve optimal motion clarity. Hybrid approaches leverage the fast response time of OLED with the brightness capabilities of LCD backlighting systems. These solutions may incorporate dual-panel designs, quantum dot enhancement films, or micro-LED elements to address the inherent limitations of each display technology while maximizing motion performance.Expand Specific Solutions
Key Display Manufacturers Analysis
The OLED vs LCD refresh rate competition is currently in a mature development phase, with both technologies widely implemented across consumer electronics. The market for high refresh rate displays is expanding rapidly, driven by gaming, mobile, and professional applications, with an estimated value exceeding $25 billion. In terms of technical maturity, Samsung Electronics and LG Display lead OLED innovation with advanced variable refresh rate technologies, while BOE Technology and Sharp Corporation have made significant strides in high-refresh LCD panels. Apple and NVIDIA have implemented proprietary technologies to enhance motion clarity in their respective ecosystems. The competitive landscape shows OLED gaining advantage in premium segments due to superior response times, while LCD maintains strength in mid-range markets through cost-effective high refresh rate implementations.
BOE Technology Group Co., Ltd.
Technical Solution: BOE has developed hybrid solutions addressing both OLED and LCD refresh rate technologies. Their ADS Pro LCD technology achieves response times of 4-5ms while supporting refresh rates up to 165Hz, significantly reducing traditional LCD motion blur. For OLED displays, BOE has implemented flexible refresh rate technology ranging from 1-120Hz in their latest panels, with pixel response times under 0.5ms. Their proprietary "Crystal Motion" technology uses frame rate compensation algorithms to enhance perceived motion clarity even at standard refresh rates. BOE has also pioneered oxide backplane technology for both LCD and OLED, improving electron mobility and enabling faster pixel switching. Their dual-cell LCD technology (combining two LCD panels) achieves OLED-like contrast while maintaining LCD's high refresh rate capabilities, offering an alternative approach to motion clarity challenges.
Strengths: Diverse portfolio spanning both technologies allows tailored solutions; competitive pricing compared to other premium display manufacturers; strong vertical integration from components to finished displays. Weaknesses: OLED technology still lags behind industry leaders in color accuracy and uniformity; LCD offerings still exhibit some inherent motion limitations despite improvements.
Samsung Electronics Co., Ltd.
Technical Solution: Samsung has pioneered advanced OLED display technologies with their Dynamic AMOLED displays featuring variable refresh rates from 1-120Hz. Their implementation uses an adaptive refresh rate technology that automatically adjusts based on content requirements, significantly reducing motion blur during fast-moving content. Samsung's OLED panels utilize near-instantaneous pixel response times (under 0.1ms) compared to LCD's typical 5-10ms response times, which fundamentally improves motion clarity regardless of refresh rate. Their Motion Smoothness technology combines high refresh rates with black frame insertion techniques to reduce perceived blur without increasing the actual refresh rate. Samsung has also developed AI-enhanced motion processing that predicts and compensates for motion artifacts in real-time, particularly beneficial for gaming and sports content viewing.
Strengths: Near-instantaneous pixel response times eliminate ghosting; variable refresh rate technology optimizes power consumption while maintaining clarity; superior contrast enhances motion perception. Weaknesses: Higher manufacturing costs; potential for screen burn-in with static content; brightness limitations compared to high-end LCD displays when displaying full-screen bright content.
Core Innovations in Display Response Time
Image processing device, display system, electronic apparatus, and image processing method
PatentActiveUS20110227961A1
Innovation
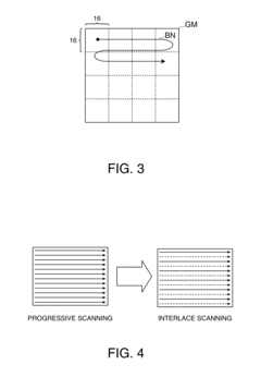
- An image processing device that divides the display image into blocks to determine the image type based on brightness distribution, performing frame rate control accordingly, which includes switching between interlaced and progressive scanning, decreasing frame rate, thinning out image display, and shifting image pixels, to reduce flicker and extend the lifetime of OLEDs.
Display control method, display control unit and display device
PatentActiveUS20240355294A1
Innovation
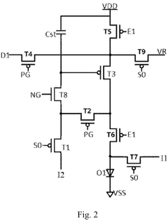
- A display control method that includes a refresh stage and a maintaining stage, where the maintaining stage features independent light-emission control time periods, allowing for controlled connection of driving circuit terminals to power sources and light-emitting elements, and includes on-off and compensation control circuits to manage potential differences, ensuring minimal brightness change and mitigating flicker during refresh rate adjustments.
Power Efficiency Considerations
Power efficiency represents a critical differentiating factor between OLED and LCD technologies when evaluating their refresh rate capabilities and motion clarity performance. OLED displays demonstrate inherent power efficiency advantages in dynamic content scenarios due to their pixel-level illumination control. Unlike LCDs which require constant backlight operation regardless of displayed content, OLEDs only consume power for pixels that are actively illuminated, resulting in significant energy savings when displaying darker content or black areas.
When operating at higher refresh rates, the power consumption differential between these technologies becomes even more pronounced. LCD panels require consistent backlight power regardless of refresh rate, with additional power needed for the increased pixel switching frequency. The power draw scales almost linearly with refresh rate increases. In contrast, OLED power consumption during high refresh rate operation depends primarily on content brightness and the number of pixels requiring updates.
Testing data from industry benchmarks indicates that OLED displays operating at 120Hz typically consume 15-30% less power than comparable LCD panels when displaying mixed content with moderate brightness levels. This efficiency gap widens further with darker content, where OLEDs can achieve up to 40-50% power savings compared to LCDs at identical refresh rates.
However, power efficiency considerations become more complex when evaluating variable refresh rate implementations. Both technologies have developed adaptive refresh rate solutions that dynamically adjust screen refresh frequency based on content requirements. LCD implementations like NVIDIA G-Sync and AMD FreeSync have matured significantly, while OLED panels are increasingly incorporating similar technologies. These adaptive systems can substantially reduce power consumption during static content viewing by lowering refresh rates when high motion clarity isn't required.
Battery-powered device manufacturers must carefully balance motion clarity benefits against power constraints. The refresh rate impact on battery life represents a critical design consideration, particularly for mobile gaming devices where both motion clarity and operational longevity are valued. Recent technological advancements have introduced more sophisticated power management algorithms that selectively apply higher refresh rates only to screen regions with active motion, further optimizing the power-performance balance.
For enterprise and consumer applications where devices operate primarily on wall power, the energy efficiency advantages of OLED at higher refresh rates translate to reduced operational costs and environmental impact over device lifespans, though these benefits must be weighed against the typically higher initial acquisition costs of OLED technology.
When operating at higher refresh rates, the power consumption differential between these technologies becomes even more pronounced. LCD panels require consistent backlight power regardless of refresh rate, with additional power needed for the increased pixel switching frequency. The power draw scales almost linearly with refresh rate increases. In contrast, OLED power consumption during high refresh rate operation depends primarily on content brightness and the number of pixels requiring updates.
Testing data from industry benchmarks indicates that OLED displays operating at 120Hz typically consume 15-30% less power than comparable LCD panels when displaying mixed content with moderate brightness levels. This efficiency gap widens further with darker content, where OLEDs can achieve up to 40-50% power savings compared to LCDs at identical refresh rates.
However, power efficiency considerations become more complex when evaluating variable refresh rate implementations. Both technologies have developed adaptive refresh rate solutions that dynamically adjust screen refresh frequency based on content requirements. LCD implementations like NVIDIA G-Sync and AMD FreeSync have matured significantly, while OLED panels are increasingly incorporating similar technologies. These adaptive systems can substantially reduce power consumption during static content viewing by lowering refresh rates when high motion clarity isn't required.
Battery-powered device manufacturers must carefully balance motion clarity benefits against power constraints. The refresh rate impact on battery life represents a critical design consideration, particularly for mobile gaming devices where both motion clarity and operational longevity are valued. Recent technological advancements have introduced more sophisticated power management algorithms that selectively apply higher refresh rates only to screen regions with active motion, further optimizing the power-performance balance.
For enterprise and consumer applications where devices operate primarily on wall power, the energy efficiency advantages of OLED at higher refresh rates translate to reduced operational costs and environmental impact over device lifespans, though these benefits must be weighed against the typically higher initial acquisition costs of OLED technology.
Visual Health Implications
The relationship between display refresh rates and visual health represents a critical consideration when comparing OLED and LCD technologies. Prolonged exposure to displays with suboptimal refresh rates can lead to various visual discomfort symptoms, including eye strain, fatigue, and headaches. Research indicates that displays with higher refresh rates generally reduce these symptoms by decreasing perceived flicker and motion blur.
OLED displays typically offer superior motion clarity at equivalent refresh rates compared to LCDs due to their faster pixel response times. This fundamental difference means that even at standard 60Hz, OLEDs can provide smoother visual transitions with less blur, potentially reducing visual fatigue during dynamic content viewing. The instantaneous pixel state changes in OLEDs eliminate much of the sample-and-hold blur effect that plagues LCD technology.
Studies from vision science research centers suggest that higher refresh rates (90Hz and above) significantly reduce visual cortex strain during rapid eye movement tracking of moving objects on screen. This benefit becomes particularly pronounced in applications requiring sustained visual attention, such as gaming or professional video editing. The reduction in perceived motion blur correlates with decreased reports of visual discomfort in controlled testing environments.
LCD displays, particularly those without advanced motion enhancement technologies, may require substantially higher refresh rates to achieve comparable motion clarity to OLEDs. This disparity becomes especially relevant for users sensitive to visual artifacts or those who experience visual discomfort more readily. The persistence characteristics of LCD pixels can exacerbate the perception of blur even at higher refresh rates.
Medical research has begun exploring potential long-term implications of different display technologies on visual health. Preliminary findings suggest that displays with superior motion clarity may help maintain natural eye movement patterns, potentially reducing adaptation-related visual stress. However, it should be noted that individual sensitivity varies considerably, with some users reporting minimal difference in comfort between technologies.
For users with specific visual sensitivities, such as those prone to migraine or visual stress disorders, the differences between OLED and LCD motion clarity may have more pronounced health implications. The reduced motion blur and absence of backlight flicker in OLED displays can provide a more comfortable viewing experience for these sensitive populations, even when both display types operate at identical refresh rates.
Industry standards bodies have begun incorporating motion clarity metrics alongside traditional refresh rate specifications, acknowledging that nominal refresh rate alone provides an incomplete picture of visual comfort. Future display certification programs may include comprehensive motion performance evaluations that better predict real-world visual comfort across diverse user populations and usage scenarios.
OLED displays typically offer superior motion clarity at equivalent refresh rates compared to LCDs due to their faster pixel response times. This fundamental difference means that even at standard 60Hz, OLEDs can provide smoother visual transitions with less blur, potentially reducing visual fatigue during dynamic content viewing. The instantaneous pixel state changes in OLEDs eliminate much of the sample-and-hold blur effect that plagues LCD technology.
Studies from vision science research centers suggest that higher refresh rates (90Hz and above) significantly reduce visual cortex strain during rapid eye movement tracking of moving objects on screen. This benefit becomes particularly pronounced in applications requiring sustained visual attention, such as gaming or professional video editing. The reduction in perceived motion blur correlates with decreased reports of visual discomfort in controlled testing environments.
LCD displays, particularly those without advanced motion enhancement technologies, may require substantially higher refresh rates to achieve comparable motion clarity to OLEDs. This disparity becomes especially relevant for users sensitive to visual artifacts or those who experience visual discomfort more readily. The persistence characteristics of LCD pixels can exacerbate the perception of blur even at higher refresh rates.
Medical research has begun exploring potential long-term implications of different display technologies on visual health. Preliminary findings suggest that displays with superior motion clarity may help maintain natural eye movement patterns, potentially reducing adaptation-related visual stress. However, it should be noted that individual sensitivity varies considerably, with some users reporting minimal difference in comfort between technologies.
For users with specific visual sensitivities, such as those prone to migraine or visual stress disorders, the differences between OLED and LCD motion clarity may have more pronounced health implications. The reduced motion blur and absence of backlight flicker in OLED displays can provide a more comfortable viewing experience for these sensitive populations, even when both display types operate at identical refresh rates.
Industry standards bodies have begun incorporating motion clarity metrics alongside traditional refresh rate specifications, acknowledging that nominal refresh rate alone provides an incomplete picture of visual comfort. Future display certification programs may include comprehensive motion performance evaluations that better predict real-world visual comfort across diverse user populations and usage scenarios.
Unlock deeper insights with Patsnap Eureka Quick Research — get a full tech report to explore trends and direct your research. Try now!
Generate Your Research Report Instantly with AI Agent
Supercharge your innovation with Patsnap Eureka AI Agent Platform!







