Transient Electronics Contribution to Sewage Treatment Processes.
SEP 4, 202510 MIN READ
 Generate Your Research Report Instantly with AI Agent 
 Patsnap Eureka helps you evaluate technical feasibility & market potential. 
Transient Electronics in Wastewater Treatment: Background and Objectives
Transient electronics represents a revolutionary paradigm in electronic device design, characterized by the ability to dissolve or degrade in a controlled manner after serving their intended function. This emerging field has evolved significantly over the past decade, transitioning from academic curiosity to practical applications across multiple sectors. The integration of transient electronics into wastewater treatment processes marks a particularly promising frontier, addressing critical challenges in environmental monitoring and remediation.
The historical trajectory of transient electronics began with fundamental materials science breakthroughs in the early 2000s, focusing primarily on biomedical applications. However, recent advancements in water-soluble polymers, biodegradable semiconductors, and environmentally responsive triggers have expanded potential applications into environmental domains. The convergence of these technological developments with growing concerns about electronic waste and water quality monitoring has created a fertile ground for innovation in wastewater treatment applications.
Current wastewater treatment facilities face significant challenges in real-time monitoring, precise chemical dosing, and targeted remediation of emerging contaminants. Traditional monitoring approaches often involve labor-intensive sampling, laboratory analysis delays, and inability to capture temporal variations in wastewater composition. Transient electronics offers a paradigm shift by enabling the deployment of dissolvable sensors and actuators directly within treatment processes, providing unprecedented spatial and temporal resolution of data while eliminating the need for sensor retrieval.
The technical objectives for transient electronics in wastewater treatment encompass several dimensions. First, developing sensors capable of withstanding the harsh chemical environment of wastewater while maintaining calibration stability represents a primary challenge. Second, engineering controlled dissolution rates that align with specific treatment process timeframes is essential for practical implementation. Third, ensuring that the dissolution products themselves do not introduce new contaminants into the water system remains a critical consideration for environmental safety.
The technology evolution trajectory suggests several promising directions, including the development of multi-parameter sensing arrays that can simultaneously monitor biological oxygen demand, chemical oxygen demand, nutrient levels, and micropollutants. Additionally, advances in wireless power transfer and data communication protocols are enabling the creation of autonomous transient electronic systems that can operate without physical connections, expanding deployment possibilities within treatment infrastructure.
Global research efforts are increasingly focused on addressing the scalability and cost-effectiveness of transient electronic solutions for wastewater applications, with particular emphasis on developing countries where water quality monitoring infrastructure remains limited. The ultimate goal is to create a new generation of "deploy and forget" monitoring systems that can transform data collection in wastewater treatment while adhering to principles of environmental sustainability.
The historical trajectory of transient electronics began with fundamental materials science breakthroughs in the early 2000s, focusing primarily on biomedical applications. However, recent advancements in water-soluble polymers, biodegradable semiconductors, and environmentally responsive triggers have expanded potential applications into environmental domains. The convergence of these technological developments with growing concerns about electronic waste and water quality monitoring has created a fertile ground for innovation in wastewater treatment applications.
Current wastewater treatment facilities face significant challenges in real-time monitoring, precise chemical dosing, and targeted remediation of emerging contaminants. Traditional monitoring approaches often involve labor-intensive sampling, laboratory analysis delays, and inability to capture temporal variations in wastewater composition. Transient electronics offers a paradigm shift by enabling the deployment of dissolvable sensors and actuators directly within treatment processes, providing unprecedented spatial and temporal resolution of data while eliminating the need for sensor retrieval.
The technical objectives for transient electronics in wastewater treatment encompass several dimensions. First, developing sensors capable of withstanding the harsh chemical environment of wastewater while maintaining calibration stability represents a primary challenge. Second, engineering controlled dissolution rates that align with specific treatment process timeframes is essential for practical implementation. Third, ensuring that the dissolution products themselves do not introduce new contaminants into the water system remains a critical consideration for environmental safety.
The technology evolution trajectory suggests several promising directions, including the development of multi-parameter sensing arrays that can simultaneously monitor biological oxygen demand, chemical oxygen demand, nutrient levels, and micropollutants. Additionally, advances in wireless power transfer and data communication protocols are enabling the creation of autonomous transient electronic systems that can operate without physical connections, expanding deployment possibilities within treatment infrastructure.
Global research efforts are increasingly focused on addressing the scalability and cost-effectiveness of transient electronic solutions for wastewater applications, with particular emphasis on developing countries where water quality monitoring infrastructure remains limited. The ultimate goal is to create a new generation of "deploy and forget" monitoring systems that can transform data collection in wastewater treatment while adhering to principles of environmental sustainability.
Market Analysis for Smart Sewage Treatment Solutions
The global smart sewage treatment market is experiencing significant growth, driven by increasing urbanization, stringent environmental regulations, and the need for more efficient water management systems. Currently valued at approximately $22 billion, this market is projected to reach $38 billion by 2027, representing a compound annual growth rate of 11.6%. This growth trajectory is particularly pronounced in regions facing severe water scarcity and pollution challenges, including parts of Asia-Pacific, North America, and Europe.
Transient electronics—devices designed to dissolve or degrade after a predetermined period—are emerging as a revolutionary technology in sewage treatment processes. The market for these specialized electronics within the wastewater sector is still nascent but shows promising growth potential, estimated to reach $1.2 billion by 2025. This represents a specialized segment within the broader smart water management market.
Demand analysis reveals several key drivers propelling market expansion. Municipal authorities worldwide are increasingly investing in smart infrastructure to optimize operational efficiency and reduce long-term costs. For instance, cities implementing smart sewage solutions have reported operational cost reductions of up to 30% and significant improvements in treatment efficiency. The integration of transient electronics offers additional benefits through reduced maintenance requirements and minimized environmental impact from electronic waste.
Industry surveys indicate that approximately 65% of wastewater treatment facilities in developed economies are planning to incorporate some form of smart technology within the next five years. The potential for transient electronics in this transformation is substantial, with 42% of industry professionals expressing interest in biodegradable sensor technologies for monitoring applications.
Market segmentation analysis shows that real-time monitoring systems currently dominate the smart sewage treatment market, accounting for 38% of total market share. Automated control systems follow at 27%, with predictive maintenance solutions at 21%. Transient electronics applications are primarily concentrated in the monitoring segment but show potential for expansion into control systems as the technology matures.
Regional analysis reveals North America as the current market leader with 34% market share, followed by Europe (28%) and Asia-Pacific (25%). However, the highest growth rates are projected in developing regions, particularly in countries like China and India, where rapid urbanization is creating urgent demand for advanced sewage treatment solutions. These emerging markets are expected to grow at rates exceeding 15% annually over the next five years, presenting significant opportunities for technology providers.
Transient electronics—devices designed to dissolve or degrade after a predetermined period—are emerging as a revolutionary technology in sewage treatment processes. The market for these specialized electronics within the wastewater sector is still nascent but shows promising growth potential, estimated to reach $1.2 billion by 2025. This represents a specialized segment within the broader smart water management market.
Demand analysis reveals several key drivers propelling market expansion. Municipal authorities worldwide are increasingly investing in smart infrastructure to optimize operational efficiency and reduce long-term costs. For instance, cities implementing smart sewage solutions have reported operational cost reductions of up to 30% and significant improvements in treatment efficiency. The integration of transient electronics offers additional benefits through reduced maintenance requirements and minimized environmental impact from electronic waste.
Industry surveys indicate that approximately 65% of wastewater treatment facilities in developed economies are planning to incorporate some form of smart technology within the next five years. The potential for transient electronics in this transformation is substantial, with 42% of industry professionals expressing interest in biodegradable sensor technologies for monitoring applications.
Market segmentation analysis shows that real-time monitoring systems currently dominate the smart sewage treatment market, accounting for 38% of total market share. Automated control systems follow at 27%, with predictive maintenance solutions at 21%. Transient electronics applications are primarily concentrated in the monitoring segment but show potential for expansion into control systems as the technology matures.
Regional analysis reveals North America as the current market leader with 34% market share, followed by Europe (28%) and Asia-Pacific (25%). However, the highest growth rates are projected in developing regions, particularly in countries like China and India, where rapid urbanization is creating urgent demand for advanced sewage treatment solutions. These emerging markets are expected to grow at rates exceeding 15% annually over the next five years, presenting significant opportunities for technology providers.
Current Challenges in Transient Electronics for Wastewater Applications
Despite the promising potential of transient electronics in wastewater treatment applications, several significant challenges currently impede their widespread implementation. The primary obstacle remains the delicate balance between controlled degradation and functional stability. Transient electronic devices must maintain operational integrity long enough to complete their intended monitoring or treatment functions before degrading, which presents a complex materials engineering challenge in the harsh chemical environment of wastewater.
Material selection poses another critical challenge. Current biodegradable substrates and conductive materials often demonstrate insufficient resistance to the corrosive and biochemically active wastewater environment. The presence of various chemicals, microorganisms, and fluctuating pH levels accelerates degradation beyond desired timelines, compromising device functionality prematurely. Additionally, many biodegradable materials currently used lack the mechanical robustness needed for deployment in turbulent wastewater flows.
Power supply limitations represent a significant hurdle. Conventional transient batteries typically offer insufficient energy density for extended operation in wastewater monitoring applications. While energy harvesting technologies show promise, their efficiency in the wastewater environment remains suboptimal due to limited light penetration, inconsistent flow patterns, and fouling of energy-capturing surfaces.
Sensor reliability and calibration drift constitute another major challenge. The gradual degradation of transient materials can lead to unpredictable changes in sensor response characteristics, making long-term data interpretation problematic. This is particularly concerning for applications requiring precise monitoring of contaminant levels or treatment efficiency parameters.
Signal transmission from submerged transient devices presents additional complications. Wireless communication through wastewater media suffers from signal attenuation and interference, while physical connections compromise the transient nature of the system. Current solutions often require non-degradable components for reliable data transmission, creating a hybrid system that fails to fully realize the zero-waste potential of transient electronics.
Manufacturing scalability remains problematic. Current fabrication techniques for transient electronics typically involve complex, multi-step processes that are difficult to scale economically. The precision required for creating reliable yet degradable electronic components increases production costs significantly compared to conventional electronic systems, limiting commercial viability.
Regulatory frameworks and standardization are also underdeveloped for transient electronics in wastewater applications. The lack of established testing protocols and performance standards creates uncertainty regarding device reliability, environmental impact assessment, and safety compliance, further hindering industry adoption and investment in this promising technology.
Material selection poses another critical challenge. Current biodegradable substrates and conductive materials often demonstrate insufficient resistance to the corrosive and biochemically active wastewater environment. The presence of various chemicals, microorganisms, and fluctuating pH levels accelerates degradation beyond desired timelines, compromising device functionality prematurely. Additionally, many biodegradable materials currently used lack the mechanical robustness needed for deployment in turbulent wastewater flows.
Power supply limitations represent a significant hurdle. Conventional transient batteries typically offer insufficient energy density for extended operation in wastewater monitoring applications. While energy harvesting technologies show promise, their efficiency in the wastewater environment remains suboptimal due to limited light penetration, inconsistent flow patterns, and fouling of energy-capturing surfaces.
Sensor reliability and calibration drift constitute another major challenge. The gradual degradation of transient materials can lead to unpredictable changes in sensor response characteristics, making long-term data interpretation problematic. This is particularly concerning for applications requiring precise monitoring of contaminant levels or treatment efficiency parameters.
Signal transmission from submerged transient devices presents additional complications. Wireless communication through wastewater media suffers from signal attenuation and interference, while physical connections compromise the transient nature of the system. Current solutions often require non-degradable components for reliable data transmission, creating a hybrid system that fails to fully realize the zero-waste potential of transient electronics.
Manufacturing scalability remains problematic. Current fabrication techniques for transient electronics typically involve complex, multi-step processes that are difficult to scale economically. The precision required for creating reliable yet degradable electronic components increases production costs significantly compared to conventional electronic systems, limiting commercial viability.
Regulatory frameworks and standardization are also underdeveloped for transient electronics in wastewater applications. The lack of established testing protocols and performance standards creates uncertainty regarding device reliability, environmental impact assessment, and safety compliance, further hindering industry adoption and investment in this promising technology.
Existing Transient Sensor Technologies for Sewage Monitoring
01 Biodegradable and dissolvable electronic components
Transient electronics that are designed to dissolve or degrade after a predetermined period or under specific environmental conditions. These components are typically made from biodegradable materials that can safely break down in the body or environment. This technology is particularly useful for medical implants, environmental sensors, and temporary electronic devices that don't require retrieval after use.- Biodegradable and dissolvable electronic components: Transient electronics that are designed to dissolve or degrade after a predetermined period or under specific environmental conditions. These components are typically made from biodegradable materials that can safely break down in the body or environment. Applications include medical implants that don't require surgical removal and environmentally friendly disposable electronics that reduce electronic waste.
 - Thermal management systems for electronic devices: Advanced cooling solutions for transient electronic systems that manage heat dissipation during operation. These systems include innovative heat sink designs, phase-change materials, and thermal interface materials that efficiently transfer heat away from sensitive components. Effective thermal management is crucial for maintaining performance and reliability in high-power transient electronic applications, particularly in compact or wearable devices.
 - Power management for transient electronic systems: Technologies focused on efficient power delivery and management in transient electronic devices. These include advanced battery technologies, energy harvesting methods, power conditioning circuits, and low-power operation modes. Such systems are designed to maximize operational lifetime while minimizing size and weight, which is particularly important for portable, implantable, or remote transient electronic applications.
 - Security features in transient electronics: Security mechanisms specifically designed for transient electronic systems that can self-destruct or become inoperable when triggered. These technologies include tamper-detection circuits, remote deactivation capabilities, and self-destructing memory components. Such features are particularly valuable for sensitive data protection, military applications, and preventing unauthorized access to proprietary technology.
 - Diagnostic and monitoring transient electronic systems: Transient electronic devices designed for temporary diagnostic or monitoring applications. These include sensors and monitoring systems that can be deployed for a specific duration before degrading or being removed. Applications range from environmental monitoring in remote or hazardous locations to medical diagnostics that can be implanted temporarily to gather data before naturally dissolving or being excreted from the body.
 
02 Thermal management systems for transient electronics
Advanced cooling and heat dissipation solutions specifically designed for transient electronic systems. These thermal management approaches address the unique challenges of temporary electronic devices, including efficient heat transfer in limited operational lifespans, compatibility with biodegradable substrates, and maintaining performance during the intended functional period before controlled degradation occurs.Expand Specific Solutions03 Power supply solutions for transient electronic devices
Specialized power management and supply systems for transient electronics that provide energy for the limited operational lifetime of the device. These include biodegradable batteries, energy harvesting systems, wireless power transfer mechanisms, and power conditioning circuits designed to function reliably during the intended operational period before degrading along with the rest of the device.Expand Specific Solutions04 Security applications of transient electronics
Implementation of transient electronic technologies in security and data protection applications. These include self-destructing data storage, tamper-evident electronic seals, secure hardware that can be remotely triggered to degrade, and authentication systems that utilize the temporary nature of transient electronics to enhance security protocols and prevent unauthorized access to sensitive information.Expand Specific Solutions05 Manufacturing processes for transient electronic systems
Specialized fabrication techniques and manufacturing processes developed specifically for transient electronic devices. These include methods for integrating dissolvable materials with electronic components, printing electronics on biodegradable substrates, encapsulation techniques that control the degradation timeline, and assembly processes that ensure functionality during the intended operational period while enabling controlled breakdown afterward.Expand Specific Solutions
Leading Organizations in Transient Electronics for Water Treatment
The transient electronics market in sewage treatment is in its early growth phase, characterized by significant academic research but limited commercial deployment. The market is projected to expand as environmental regulations tighten globally, with an estimated value reaching $1.5-2 billion by 2030. Universities dominate the research landscape, with Tsinghua University, University of Illinois, and Nanjing University leading academic innovation. Commercial players like Evoqua Water Technologies, Beijing BHT Environmental Technology, and Nanjing Innovation Centre are beginning to bridge the research-application gap. The technology remains at mid-maturity (TRL 4-6), with promising laboratory results but requiring further development for widespread industrial implementation. Integration challenges with existing infrastructure and cost-effectiveness concerns currently limit broader adoption.
The Board of Trustees of the University of Illinois
Technical Solution:  The University of Illinois has pioneered dissolvable electronic systems for wastewater monitoring and treatment. Their technology utilizes water-soluble materials like magnesium, silicon, and silk proteins to create sensors that can operate within sewage systems and then harmlessly dissolve after their functional period. These transient electronics monitor critical parameters such as pH, heavy metal concentrations, and microbial activity in real-time, providing data for optimizing treatment processes. The university has developed specialized encapsulation techniques that allow controlled dissolution rates, enabling precise timing for sensor functionality in various stages of wastewater treatment. Their systems include biodegradable circuit boards and power sources that leave minimal environmental footprint after dissolution.
Strengths: Advanced materials science expertise and comprehensive dissolution control mechanisms provide precise timing for sensor functionality. Their systems offer true zero-waste monitoring solutions. Weaknesses: Higher initial implementation costs compared to conventional monitoring systems and potential reliability challenges in highly variable sewage conditions.
Tsinghua University
Technical Solution:  Tsinghua University has developed advanced transient electronic systems for sewage treatment monitoring and optimization. Their technology features silicon-based sensors with controlled degradation properties that can be strategically placed throughout wastewater treatment facilities. These sensors monitor critical parameters including dissolved oxygen, ammonia levels, and microbial activity, transmitting data wirelessly before harmlessly dissolving into environmentally benign byproducts. Tsinghua's innovation includes specialized protective layers that enable precise control over dissolution timing, allowing sensors to function for the exact duration needed for specific treatment processes. Their research has demonstrated particular success in monitoring anaerobic digestion processes, where traditional permanent sensors face fouling issues. The university has also pioneered self-powered transient sensors that harvest energy from the wastewater itself, eliminating battery disposal concerns and enabling deployment in remote sections of treatment systems.
Strengths: Exceptional energy efficiency through self-powering capabilities and precise dissolution timing control for targeted monitoring applications. Weaknesses: Currently limited to specialized applications rather than comprehensive monitoring solutions and higher production complexity compared to conventional sensors.
Key Patents and Research in Biodegradable Electronic Sensors
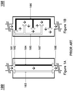
A sewage disposal plant having the electronic chip 
PatentInactiveKR1020100020345A
 Innovation 
- Integrating an electronic chip with a communication module into the sewage treatment facility, which stores facility history and can be easily installed on accessories like connection pipes, inlets, outlets, and manhole covers, allowing for wireless communication with a reader.
 
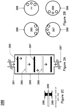
Method of Use of a Trans-Channel Reaction Cell 
PatentPendingUS20250187951A1
 Innovation 
- The Trans-Channel Electrode (TCE) system addresses these issues by using a conductive plate with cutouts and channels to increase turbulence and edge surface area, alternating electrode polarity to minimize corrosion and fouling, and optimizing fluid flow and electrical field distribution.
 
Environmental Impact Assessment of Transient Electronics
The environmental impact of transient electronics in sewage treatment processes requires comprehensive assessment due to their unique degradation properties. These electronics, designed to dissolve or disintegrate after fulfilling their function, introduce both benefits and potential concerns to wastewater management systems.
When deployed in sewage treatment, transient electronics typically degrade into constituent materials that may include silicon, magnesium, zinc oxide, and various polymers. The environmental fate of these materials varies significantly based on their composition and the specific conditions within treatment facilities. Initial studies indicate that properly designed transient components can break down into environmentally benign substances, potentially reducing the electronic waste burden compared to conventional monitoring devices.
Water quality impacts represent a primary environmental consideration. Dissolution products from transient sensors may temporarily alter local pH levels or introduce trace metals into the treatment stream. However, research suggests these effects are generally localized and short-lived when devices are appropriately engineered with biocompatible materials. The concentration of dissolved components typically remains below regulatory thresholds for effluent discharge, though this varies with device design and treatment facility throughput.
Ecosystem effects downstream from treatment facilities must be carefully monitored when implementing transient electronic systems. While the acute toxicity of most degradation products appears minimal, potential bioaccumulation of certain persistent components requires ongoing assessment. Preliminary ecological risk assessments indicate favorable profiles for silicon and magnesium-based systems, whereas certain metal oxides warrant more careful application and monitoring protocols.
Energy consumption comparisons between traditional monitoring approaches and transient electronics generally favor the latter. The elimination of device retrieval operations and reduced maintenance requirements translate to lower carbon footprints across the technology lifecycle. Additionally, the absence of battery replacement needs for self-powered transient sensors further enhances their environmental performance relative to conventional alternatives.
Lifecycle analysis reveals that transient electronics can reduce overall material consumption in sewage treatment monitoring by eliminating the need for permanent installation infrastructure. The cradle-to-grave environmental impact assessment demonstrates particular advantages in scenarios requiring distributed sensing across large treatment networks, where traditional approaches would demand significant material resources for deployment and maintenance.
Regulatory compliance considerations remain evolving, as environmental protection agencies worldwide are still developing frameworks specifically addressing transient materials in water systems. Current approvals typically proceed on a case-by-case basis, evaluating the specific degradation products and their potential environmental persistence against established water quality standards.
When deployed in sewage treatment, transient electronics typically degrade into constituent materials that may include silicon, magnesium, zinc oxide, and various polymers. The environmental fate of these materials varies significantly based on their composition and the specific conditions within treatment facilities. Initial studies indicate that properly designed transient components can break down into environmentally benign substances, potentially reducing the electronic waste burden compared to conventional monitoring devices.
Water quality impacts represent a primary environmental consideration. Dissolution products from transient sensors may temporarily alter local pH levels or introduce trace metals into the treatment stream. However, research suggests these effects are generally localized and short-lived when devices are appropriately engineered with biocompatible materials. The concentration of dissolved components typically remains below regulatory thresholds for effluent discharge, though this varies with device design and treatment facility throughput.
Ecosystem effects downstream from treatment facilities must be carefully monitored when implementing transient electronic systems. While the acute toxicity of most degradation products appears minimal, potential bioaccumulation of certain persistent components requires ongoing assessment. Preliminary ecological risk assessments indicate favorable profiles for silicon and magnesium-based systems, whereas certain metal oxides warrant more careful application and monitoring protocols.
Energy consumption comparisons between traditional monitoring approaches and transient electronics generally favor the latter. The elimination of device retrieval operations and reduced maintenance requirements translate to lower carbon footprints across the technology lifecycle. Additionally, the absence of battery replacement needs for self-powered transient sensors further enhances their environmental performance relative to conventional alternatives.
Lifecycle analysis reveals that transient electronics can reduce overall material consumption in sewage treatment monitoring by eliminating the need for permanent installation infrastructure. The cradle-to-grave environmental impact assessment demonstrates particular advantages in scenarios requiring distributed sensing across large treatment networks, where traditional approaches would demand significant material resources for deployment and maintenance.
Regulatory compliance considerations remain evolving, as environmental protection agencies worldwide are still developing frameworks specifically addressing transient materials in water systems. Current approvals typically proceed on a case-by-case basis, evaluating the specific degradation products and their potential environmental persistence against established water quality standards.
Regulatory Framework for Electronics in Water Treatment Processes
The regulatory landscape governing the integration of transient electronics in water treatment processes is complex and multifaceted, spanning international, national, and local jurisdictions. At the international level, organizations such as the World Health Organization (WHO) and the United Nations Environment Programme (UNEP) have established guidelines for water quality standards that indirectly influence the deployment of electronic systems in sewage treatment. These frameworks primarily focus on ensuring that any technological intervention does not compromise water safety or introduce harmful substances into the environment.
In the United States, the Environmental Protection Agency (EPA) under the Clean Water Act regulates the discharge of pollutants into water bodies, which includes potential electronic waste from transient systems. The EPA's Electronic Product Environmental Assessment Tool (EPEAT) provides standards for environmentally preferable electronics, though specific provisions for transient electronics in water treatment are still evolving. Similarly, the European Union's Water Framework Directive and the Restriction of Hazardous Substances (RoHS) Directive establish stringent requirements for water quality and electronic components, respectively.
Regulatory challenges specific to transient electronics in sewage treatment include the classification of dissolving electronic materials, which often fall into regulatory gray areas. Current frameworks typically address permanent electronic installations or conventional pollutants, but not specifically designed-to-degrade electronic systems. This regulatory gap necessitates the development of new testing protocols and safety standards tailored to the unique characteristics of transient electronics.
Compliance certification processes for transient electronics in water treatment facilities remain underdeveloped. Industry stakeholders must navigate a patchwork of regulations that were not designed with dissolving electronics in mind. This creates uncertainty regarding liability, performance standards, and end-of-life management requirements for these innovative technologies.
Looking forward, regulatory evolution is likely to include the development of specific standards for biodegradable electronic components, testing methodologies for dissolution byproducts, and certification processes for transient electronic systems in water treatment applications. Collaborative efforts between technology developers, environmental scientists, and regulatory bodies will be essential to establish frameworks that both protect environmental integrity and enable technological innovation in this emerging field.
In the United States, the Environmental Protection Agency (EPA) under the Clean Water Act regulates the discharge of pollutants into water bodies, which includes potential electronic waste from transient systems. The EPA's Electronic Product Environmental Assessment Tool (EPEAT) provides standards for environmentally preferable electronics, though specific provisions for transient electronics in water treatment are still evolving. Similarly, the European Union's Water Framework Directive and the Restriction of Hazardous Substances (RoHS) Directive establish stringent requirements for water quality and electronic components, respectively.
Regulatory challenges specific to transient electronics in sewage treatment include the classification of dissolving electronic materials, which often fall into regulatory gray areas. Current frameworks typically address permanent electronic installations or conventional pollutants, but not specifically designed-to-degrade electronic systems. This regulatory gap necessitates the development of new testing protocols and safety standards tailored to the unique characteristics of transient electronics.
Compliance certification processes for transient electronics in water treatment facilities remain underdeveloped. Industry stakeholders must navigate a patchwork of regulations that were not designed with dissolving electronics in mind. This creates uncertainty regarding liability, performance standards, and end-of-life management requirements for these innovative technologies.
Looking forward, regulatory evolution is likely to include the development of specific standards for biodegradable electronic components, testing methodologies for dissolution byproducts, and certification processes for transient electronic systems in water treatment applications. Collaborative efforts between technology developers, environmental scientists, and regulatory bodies will be essential to establish frameworks that both protect environmental integrity and enable technological innovation in this emerging field.
 Unlock deeper insights with  Patsnap Eureka Quick Research — get a full tech report to explore trends and direct your research. Try now! 
 Generate Your Research Report Instantly with AI Agent 
 Supercharge your innovation with Patsnap Eureka AI Agent Platform! 







