Hybrid quantum dot light emitting diode (QLED) and fabrication method thereof
A hybrid and hybrid structure technology, applied in the fields of semiconductor/solid-state device manufacturing, electrical components, electrical solid-state devices, etc., can solve the problems of limited application and short-term impact on the performance of QLED devices, achieve process controllability and improve interface stability performance, improve performance
- Summary
- Abstract
- Description
- Claims
- Application Information
AI Technical Summary
Problems solved by technology
Method used
Image
Examples
Embodiment Construction
[0016] In order to make the technical problems, technical solutions and beneficial effects to be solved by the present invention clearer, the present invention will be further described in detail below in conjunction with the accompanying drawings and embodiments. It should be understood that the specific embodiments described here are only used to explain the present invention, not to limit the present invention.
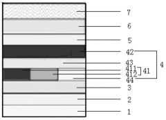
[0017] combine Figure 2-4 , the embodiment of the present invention provides a hybrid QLED, including an anode 1, a hole injection layer 2, a hole transport layer 3, an electron transport layer 5, an electron injection layer 6 and a cathode 7, and also includes a mixed structure layer 4, so The mixed structure layer 4 includes a blue red / green quantum dot light-emitting layer 41, an evaporative material light-emitting layer 42, a mixed connection layer 43 and / or a hole transport layer 44 based on a blue evaporative material, and the hole injection layer 2, The ho...
PUM
Login to View More Abstract
Description
Claims
Application Information
Login to View More - R&D
- Intellectual Property
- Life Sciences
- Materials
- Tech Scout
- Unparalleled Data Quality
- Higher Quality Content
- 60% Fewer Hallucinations
Browse by: Latest US Patents, China's latest patents, Technical Efficacy Thesaurus, Application Domain, Technology Topic, Popular Technical Reports.
© 2025 PatSnap. All rights reserved.Legal|Privacy policy|Modern Slavery Act Transparency Statement|Sitemap|About US| Contact US: help@patsnap.com
